电脑桌面
添加小米粒文库到电脑桌面
安装后可以在桌面快捷访问

环境监测与治理技术专业认识资料

环境监测与治理技术专业认识资料_第1页
1/5
环境监测与治理技术专业认识资料_第2页
2/5
环境监测与治理技术专业认识资料_第3页
3/5
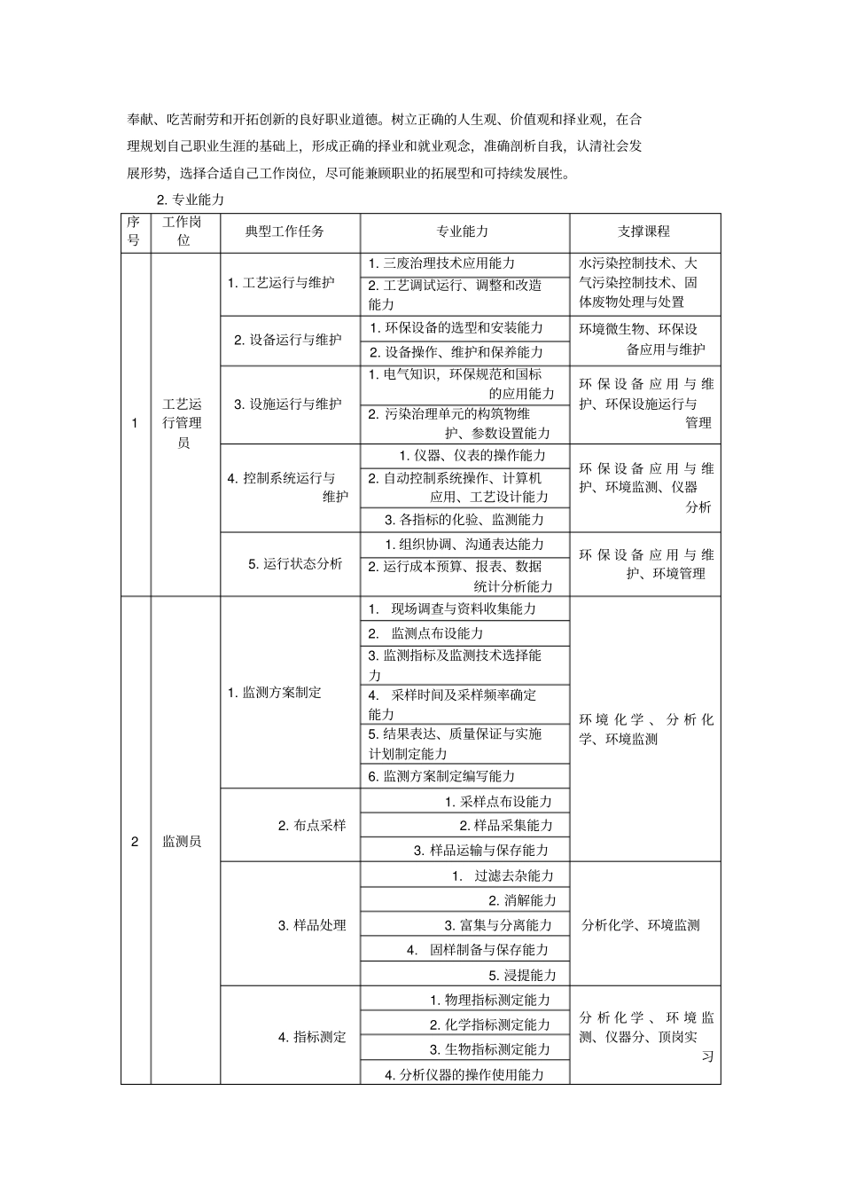
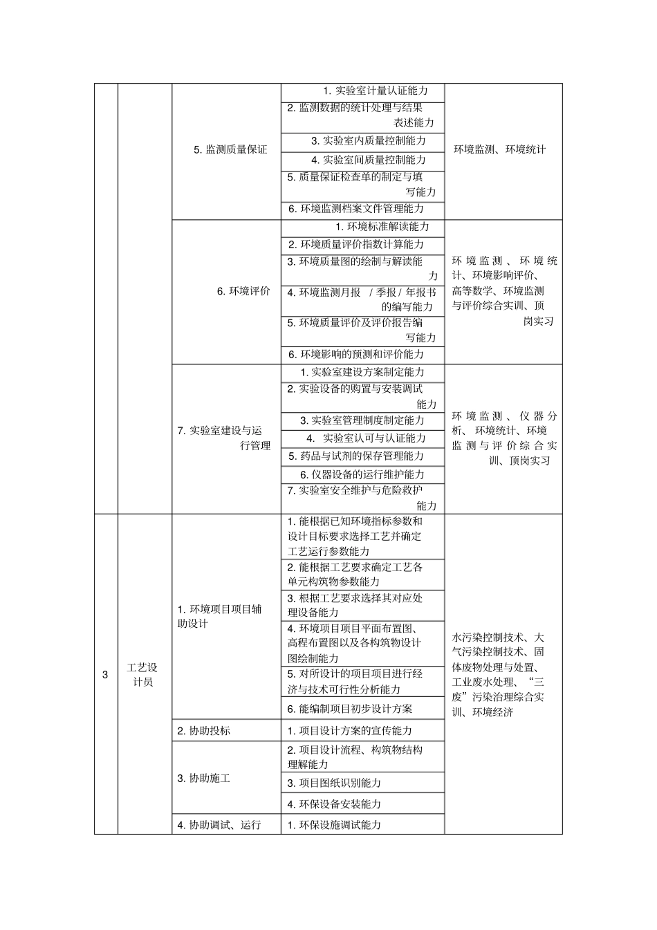
《环境监测与治理技术》专业人才培养方案一、培养目标本专业培养德、智、体、美等方面全面发展,具有环保设施运行管理、环境监测与评价、环境项目项目辅助设计、环境项目项目施工组织与管理、环保业务推介及售后服务能力,能在环保产业和基层环保行政管理部门从事技术产品开发、商业流通、资源利用、信息服务、项目承包和管理工作的高等技术应用性人才。二、学制及招生对象<一)学制: 三年。<二)招生对象:高中毕业生。三、职业岗位能力分析<一)专业服务面向毕业生主要面向工矿企业环保部门<环保企业)、生活和生产供水及污水处理部门、污染防治项目设计单位及各类专业环保公司,主要从事的业务范围有:1. 区县市级环境保护、土地管理、城镇建设单位的技术及管理工作。2. 环境监测与环境质量评价工作。3. 企事业单位的“三废”控制与治理的项目技术和管理工作。4. 环境管理、环保技术的推广应用与开发工作。5. 环保设备的生产、安装调试及营销工作。<二)职业能力1. 一般职业能力环境监测与治理技术专业高技能人才除了具备本专业娴熟的专业技能外,还必须具有良好的职业道德和终身学习等一般职业能力,包括基础能力、方法能力、社会能力和个人能力等。基础能力:在学习和自我感悟中,学会学习的方法,以便在工作中应用;逐步提高文字和语言运用能力、数学运用能力;熟练使用计算机及基本的文字处理软件,能完成实验和运行资料的办公自动化记录和实验的设计与数据分析;能运用外语翻译项目技术文件或设备说明书,在需要的时候可以运用外语进行交流。方法能力 : 在学习过程和社会实践中,学会在诸多的信息资料中筛选有用信息,并可以把有用的信息进行归纳综合,以便于在以后学习和工作中运用;逐步掌握工作任务计划的制定能力或策划能力。社会能力:通过学习和社会实践,形成与企业和单位成员的团队协作能力,在团队中,要积极与团队成员交流,尊重成员,听取成员意见,建立良好的人际关系。在学习和参加社会活动过程中,要逐渐形成对社会的责任感,关爱他人,帮助他人,在实现自我过程中,积极奉献服务于社会。个人能力:在学习和社会实践过程中,要形成遵纪守法、严谨自律、爱岗敬业、乐于奉献、吃苦耐劳和开拓创新的良好职业道德。树立正确的人生观、价值观和择业观,在合理规划自己职业生涯的基础上,形成正确的择业和就业观念,准确剖析自我,认清社会发展形势,选择合适自己工作岗位,尽可能兼顾职业的拓展型和可持续发展性。2. ...

1、当您付费下载文档后,您只拥有了使用权限,并不意味着购买了版权,文档只能用于自身使用,不得用于其他商业用途(如 [转卖]进行直接盈利或[编辑后售卖]进行间接盈利)。
2、本站所有内容均由合作方或网友上传,本站不对文档的完整性、权威性及其观点立场正确性做任何保证或承诺!文档内容仅供研究参考,付费前请自行鉴别。
3、如文档内容存在违规,或者侵犯商业秘密、侵犯著作权等,请点击“违规举报”。

碎片内容

环境监测与治理技术专业认识资料

您可能关注的文档

确认删除?
VIP
微信客服
  • 扫码咨询
会员Q群
  • 会员专属群点击这里加入QQ群
客服邮箱
回到顶部