电脑桌面
添加小米粒文库到电脑桌面
安装后可以在桌面快捷访问

现场总线试题集

现场总线试题集_第1页
1/33
现场总线试题集_第2页
2/33
现场总线试题集_第3页
3/33
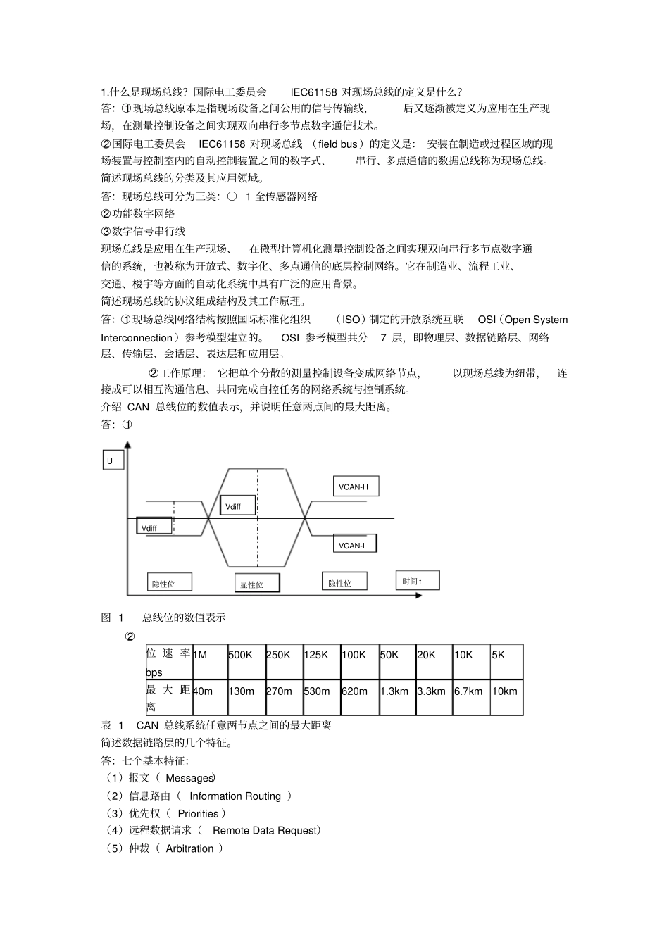
1.什么是现场总线?国际电工委员会IEC61158 对现场总线的定义是什么?答:○1 现场总线原本是指现场设备之间公用的信号传输线,后又逐渐被定义为应用在生产现场,在测量控制设备之间实现双向串行多节点数字通信技术。○2 国际电工委员会IEC61158 对现场总线 (field bus)的定义是: 安装在制造或过程区域的现场装置与控制室内的自动控制装置之间的数字式、串行、多点通信的数据总线称为现场总线。简述现场总线的分类及其应用领域。答:现场总线可分为三类:○ 1 全传感器网络○2 功能数字网络○3 数字信号串行线现场总线是应用在生产现场、在微型计算机化测量控制设备之间实现双向串行多节点数字通信的系统,也被称为开放式、数字化、多点通信的底层控制网络。它在制造业、流程工业、交通、楼宇等方面的自动化系统中具有广泛的应用背景。简述现场总线的协议组成结构及其工作原理。答:○1 现场总线网络结构按照国际标准化组织(ISO)制定的开放系统互联OSI(Open System Interconnection )参考模型建立的。OSI 参考模型共分7 层,即物理层、数据链路层、网络层、传输层、会话层、表达层和应用层。○2 工作原理: 它把单个分散的测量控制设备变成网络节点,以现场总线为纽带,连接成可以相互沟通信息、共同完成自控任务的网络系统与控制系统。介绍 CAN 总线位的数值表示,并说明任意两点间的最大距离。答: ○1图 1 总线位的数值表示○2位 速 率bps 1M 500K 250K 125K 100K 50K 20K 10K 5K 最 大 距离40m 130m 270m 530m 620m 1.3km 3.3km 6.7km 10km 表 1 CAN 总线系统任意两节点之间的最大距离简述数据链路层的几个特征。答:七个基本特征:(1)报文( Messages)(2)信息路由( Information Routing )(3)优先权( Priorities )(4)远程数据请求(Remote Data Request)(5)仲裁( Arbitration )VCAN-HVCAN-LVdiffVdiff隐性位隐性位显性位时间 tU(6)安全( Safety)错误检测( Error Detect )措施:- 监视(发送器对发送位的电平与被监控的总线电平进行比较)- 循环冗余检查- 位填充- 报文格式检查(7)应答( Acknowledgment )详述报文的帧结构。答:在报文传输时,不同的帧具有不同的传输结构,下面将分别介绍四种传输帧的结构,只有严格按照该结构进行帧的传输,才能被节点正确接收和发送。○1 数据帧由七种不同的位域(Bit Field) 组成:帧起始 (St...

1、当您付费下载文档后,您只拥有了使用权限,并不意味着购买了版权,文档只能用于自身使用,不得用于其他商业用途(如 [转卖]进行直接盈利或[编辑后售卖]进行间接盈利)。
2、本站所有内容均由合作方或网友上传,本站不对文档的完整性、权威性及其观点立场正确性做任何保证或承诺!文档内容仅供研究参考,付费前请自行鉴别。
3、如文档内容存在违规,或者侵犯商业秘密、侵犯著作权等,请点击“违规举报”。

碎片内容

现场总线试题集

确认删除?
VIP
微信客服
  • 扫码咨询
会员Q群
  • 会员专属群点击这里加入QQ群
客服邮箱
回到顶部