电脑桌面
添加小米粒文库到电脑桌面
安装后可以在桌面快捷访问

现场签证单--装饰重点讲义资料VIP专享

现场签证单--装饰重点讲义资料_第1页
1/50
现场签证单--装饰重点讲义资料_第2页
2/50
现场签证单--装饰重点讲义资料_第3页
3/50
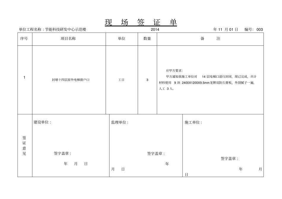
现场签证单单位工程名称 : 节能科技研发中心示范楼 2014年 10 月 12 日编号: 001序号项目名称单位数量备注1 楼层内垃圾清理工日26 应甲方要求:楼层内的各施工单位施工中产生的垃圾,全部由我施工单位代为清理,清理楼层分别7-15 、 17-20 层,每层耗费人工 2 个。共计耗费26 个人工。价钱按照市场人工价钱计算。(垃圾清理后运至楼下施工现场垃圾堆放处)签证意见建设单位 : 签字盖章 : 年月日施工单位 : 签字盖章 : 年月日现场签证单单位工程名称 : 节能科技研发中心示范楼 2014年 10 月 19 日编号: 002序号项目名称单位数量备注1 东、西步梯消防门洞口地面剔凿工日 13 应甲方要求:东、西步梯入室消防通道门口地面需进行剔凿,每层1个人工,共计13 个。2 签证意见建设单位 : 签字盖章 : 年月日监理单位 : 签字盖章 : 年月日施工单位 : 签字盖章 : 年月日现场签证单单位工程名称 : 节能科技研发中心示范楼 2014年 11 月 01 日编号: 003序号项目名称单位数量备注1 封堵十四层原外电梯窗户口工日3 应甲方要求:甲方通知我施工单位对14 层电梯口进行封闭,现已完成,共计材料使用9 块 2400X1200X9.5mm龙牌双防石膏板,外刮腻子一遍,人工 3 人。签证意见建设单位 : 签字盖章 : 年月日监理单位 : 签字盖章 : 年月日施工单位 : 签字盖章 : 年月日现场签证单单位工程名称 : 节能科技研发中心示范楼 2014年 11 月 07 日编号: 004序号项目名称单位数量备注1 3、8-15 、17-20 层走廊北室内封堵隔墙强排烟风管洞口个48 根据甲方下发的026 工作联系单, 我单位现已完成每层强排烟风管穿过隔墙板上下部洞,使用轻质龙骨、石膏板、内填岩棉,每层4个, 12 个楼层,共计48 个。高 0.8mX 长 1.2m, 厚度根据墙体,双面封制。签证意见建设单位 : 签字盖章 : 年月日施工单位 : 签字盖章 : 年月日现场签证单单位工程名称 : 节能科技研发中心示范楼 2014年 11 月 26 日编号: 005序号项目名称单位数量备注1 21、22、23 层及西步行梯卫生清扫,垃圾下楼日工6 个应甲方要求: 山西省领导对本楼坐进行莅临检查,委托我方对现场卫生进行清理。签证意见建设单位 : 签字盖章 : 年月日施工单位 : 签字盖章 : 年月日现场签证单单位工程名称 : 节能科技研发中心示范楼 2014年 11 月 26 日编号: 006序号项目名称单位数量备注1 14...

1、当您付费下载文档后,您只拥有了使用权限,并不意味着购买了版权,文档只能用于自身使用,不得用于其他商业用途(如 [转卖]进行直接盈利或[编辑后售卖]进行间接盈利)。
2、本站所有内容均由合作方或网友上传,本站不对文档的完整性、权威性及其观点立场正确性做任何保证或承诺!文档内容仅供研究参考,付费前请自行鉴别。
3、如文档内容存在违规,或者侵犯商业秘密、侵犯著作权等,请点击“违规举报”。

碎片内容

现场签证单--装饰重点讲义资料

确认删除?
VIP
微信客服
  • 扫码咨询
会员Q群
  • 会员专属群点击这里加入QQ群
客服邮箱
回到顶部