电脑桌面
添加小米粒文库到电脑桌面
安装后可以在桌面快捷访问

天然气热值换算

天然气热值换算_第1页
1/14
天然气热值换算_第2页
2/14
天然气热值换算_第3页
3/14
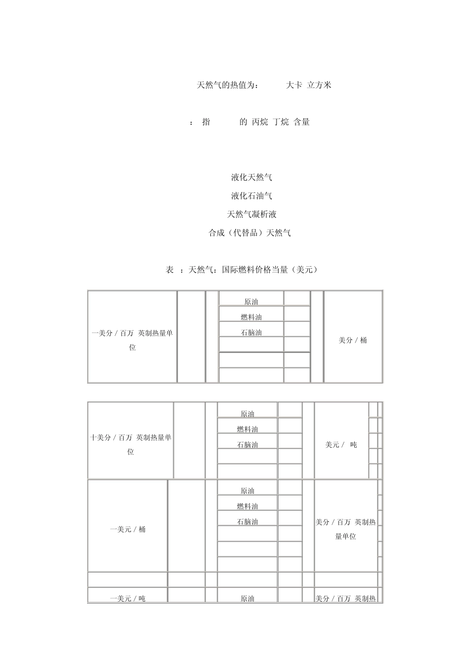
天然气热值换算 卓创资讯 吕霄飞 编辑于:2009-4-18 20:18:33 表格中的当量换算基本上基于如下标准: 1.天然气:1000英热单位/立方英尺=9500大卡/立方米。(Groningen气为8400大卡/立方米) 2.液化石油气:假定其按50/50的丙烷与丁烷的混合比例。其中r与p分别代表冷冻与压缩状态下的液化石油气。 3.热值,百万英热单位(总量) 每吨—液化天然气51.8;液化石油气47.3;油42.3;煤27.3 每桶—液化天然气3.8;液化石油气(冷冻)4.45;液化石油气(压缩)4.1;油5.8 每立方米—液化天然气23.8;液化石油气(冷冻)28;液化石油气(压缩)25.8 符号和缩写 以下的符号和单位不一定与国际气联推荐使的国际计量系统一致,然而,因为使用方便,它们仍被天然气工业系统所广泛采用。 BTU - 英制热量单位 MMBTU - 百万英制热量单位 ft3 – 立方英尺 scf – 标准立方英尺 Mcf – 千立方英尺 MMcf – 百万立方英尺 Tcf – 万亿立方英尺 Nm3 – 常态立方米 mrd m3 – 109立方米 天然气的术语和成分 注:本表采用的天然气为: 1000 英热单位/ 立方英尺 = 9500大卡/立方米 Groningen 天然气的热值为: 8400大卡/立方米 LPG: 指 50/50 的 丙烷/丁烷 含量 LNG 液化天然气 LPG 液化石油气 NGL 天然气凝析液 SNG 合成(代替品)天然气 表1:天然气:国际燃料价格当量(美元) 一美分/百万 英制热量单位 = 原油 5.8 美分/桶 燃料油 6.4 石脑油 5.2 LPG(r) 4.5 LPG(p) 4.1 LNG 3.8 十美分/百万 英制热量单位 = 原油 4.2 美元/ 吨 燃料油 4.0 石脑油 4.5 LPG 4.7 LNG 5.2 一美元/桶 = 原油 17 美分/百万 英制热量单位 燃料油 16 石脑油 19 LPG(r) 22 LPG(p) 24 LNG 26 一美元/吨 = 原油 2.4 美分/百万 英制热 燃料油 2.5 量单位 石脑油 2.2 LPG 2.1 LNG 1.9 表2: 天然气:立方米估算当量 10亿立方米天然气/年 = 0.04万亿立方英尺天然气(38万亿英制热量单位) 每年 890,000吨油 800,000吨LPG 725,000吨LNG 1,400,000吨煤 100百万立方米天然气 每天 17,800桶油 23,200桶LPG(r) 25,200桶LPG(p) 27,200桶LNG 一百万立方米天然气/天 = 0.014万亿立方英尺天然气(14万亿英制热量单位) 每年 325,000吨油 290,000吨LPG 265,000吨LNG 500,000吨煤 37百万立方米天然气 每天 6,500桶油 8,500桶LPG(r) 9,20...

1、当您付费下载文档后,您只拥有了使用权限,并不意味着购买了版权,文档只能用于自身使用,不得用于其他商业用途(如 [转卖]进行直接盈利或[编辑后售卖]进行间接盈利)。
2、本站所有内容均由合作方或网友上传,本站不对文档的完整性、权威性及其观点立场正确性做任何保证或承诺!文档内容仅供研究参考,付费前请自行鉴别。
3、如文档内容存在违规,或者侵犯商业秘密、侵犯著作权等,请点击“违规举报”。

碎片内容

天然气热值换算

确认删除?
VIP
微信客服
  • 扫码咨询
会员Q群
  • 会员专属群点击这里加入QQ群
客服邮箱
回到顶部