电脑桌面
添加小米粒文库到电脑桌面
安装后可以在桌面快捷访问

天目牌TZB400.3N(智能化)综合漏电保护器

天目牌TZB400.3N(智能化)综合漏电保护器_第1页
1/6
天目牌TZB400.3N(智能化)综合漏电保护器_第2页
2/6
天目牌TZB400.3N(智能化)综合漏电保护器_第3页
3/6
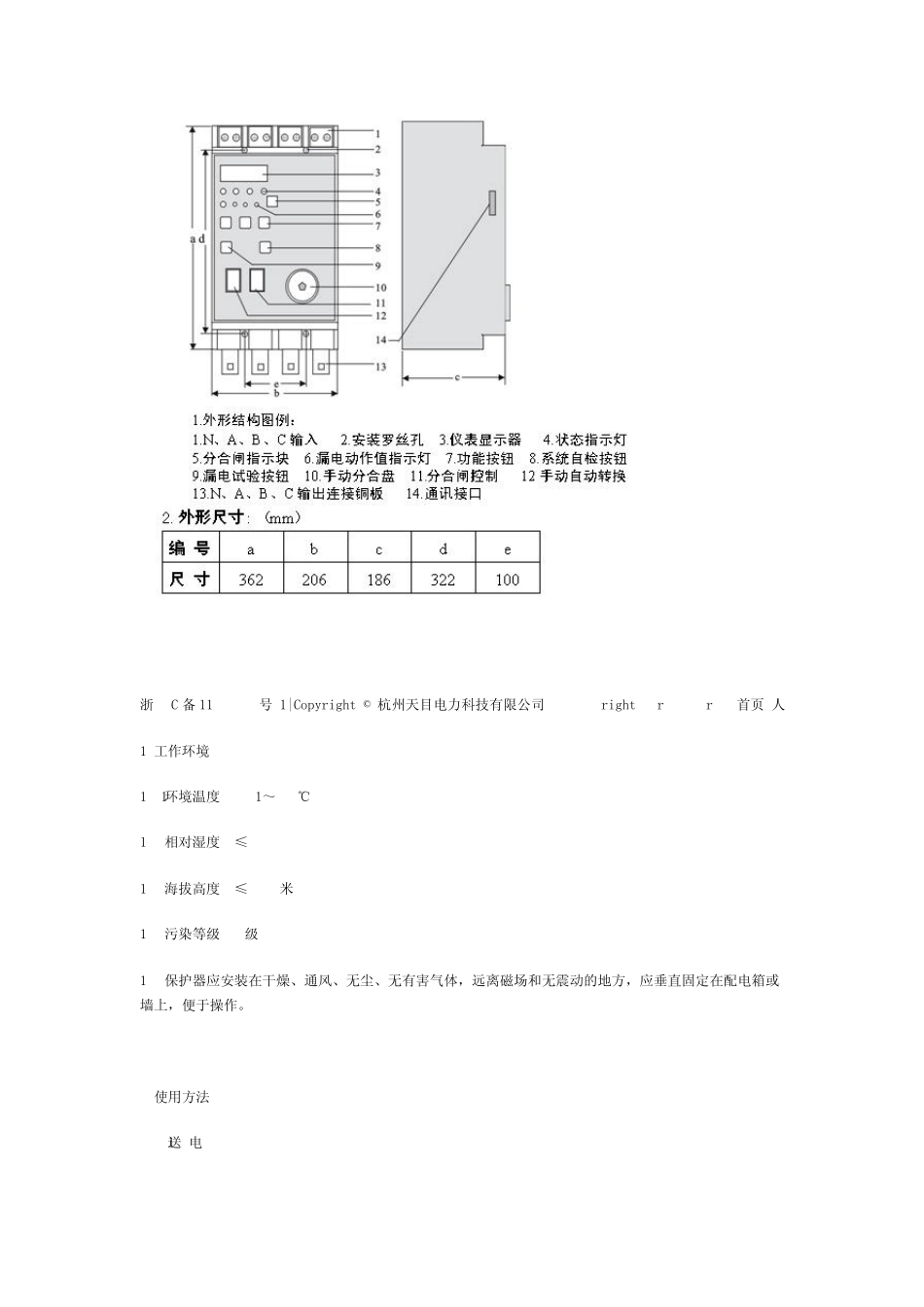
天目牌TZB/400.3N(智能化)综合漏电保护器 天目牌TZB/400.3N(智能化)综合漏电保护器是本公司为提高低压电网终端的负荷开关性能而开发、研制的最新产品,集漏电保护、漏电故障自动重合闸机构、过载及短路保护为一体,具有安装方便、结构合理等特点。 该产品适用于三相四线中性点直接接地的低压配电系统,用来对线路进行接地故障保护。防止由此而引起的设备事故或电气火灾,也可用来对人身触电危险提供间接接触保护。广泛适用于工矿企业、配电变压器下侧的总体保护,有序用电负荷控制开关及时控开关等。 该产品已通过国家 3C强制性产品认证(认证编号:2005010306153950) 1. 具有短路、过载、欠压、过压、缺相、断零、漏电保护、自动重合闸功能。 2、漏电动作值可手动或自动调节,(用户自行选择调节方式)当处于自动调节时,漏电动作值跟踪线路漏电自动设定档位。 3、可按变压器容量或实际负荷需求调整过载保护值。 4、数码显示三相负荷电流、电源电压值及线路漏电电流值。 5、跳闸后可自动显示跳闸原因、故障电流。 6、具有自动和手动合闸功能,方便用户使用。 7、启动漏电告警功能时,只显示漏电值,漏电超限只告警不跳闸。 8、内置通讯接口,可实现远程遥控、遥测、遥信功能。 9、可查询历次跳闸原因及发生时间(时控型) 10、可设置区分突波电流(类似动物触电的突然波形)功能。 1、额定电流 400A 2、额定电压 380V 3、额定频率 50HZ 4、额定辅助电源电压 220V 5、额定剩余动作电流 I△n 200\500\800mA、 200\500\1000 6、额定剩余不动作电流 ≥1/2I△n 7、额定分断时间 1I△n≤0.5S 2I△n≤0.2S 5I△n≤0.15S 8、最小不驱动时间 1I△n 0.13S 、2I△n 0.06S、 5I△n 0.05S 9、 延时重合闸时间 20 - 60S 重合闸一次 10、 动作特性类别 AC 型 11、分断时间分类 S 型 12、 额定极限短路分断能力(Icu) 20/60KA、 13.外观结构图及安装尺寸 浙ICP备11027222号-1|Copyright © 杭州天目电力科技有限公司 All rights reserv 首页-人 1.工作环境 1.1环境温度: -10 ~ 60℃ 1.2相对湿度: ≤90% 1.3海拔高度: ≤2000米 1.4污染等级: 3级 1.5保护器应安装在干燥、通风、无尘、无有害气体,远离磁场和无震动的地方,应垂直固定在配电箱或墙上,便于操作。 2.使用方法 2.1 送 电: 将保护器"分合闸开关"置"合闸"位置,电源指示灯亮,"合闸"指示灯开始闪亮(为合闸等待...

1、当您付费下载文档后,您只拥有了使用权限,并不意味着购买了版权,文档只能用于自身使用,不得用于其他商业用途(如 [转卖]进行直接盈利或[编辑后售卖]进行间接盈利)。
2、本站所有内容均由合作方或网友上传,本站不对文档的完整性、权威性及其观点立场正确性做任何保证或承诺!文档内容仅供研究参考,付费前请自行鉴别。
3、如文档内容存在违规,或者侵犯商业秘密、侵犯著作权等,请点击“违规举报”。

碎片内容

天目牌TZB400.3N(智能化)综合漏电保护器

您可能关注的文档

小辰7+ 关注
实名认证
内容提供者

出售各种资料和文档

确认删除?
VIP
微信客服
  • 扫码咨询
会员Q群
  • 会员专属群点击这里加入QQ群
客服邮箱
回到顶部