电脑桌面
添加小米粒文库到电脑桌面
安装后可以在桌面快捷访问

夹具技术要求参考资料

夹具技术要求参考资料_第1页
1/7
夹具技术要求参考资料_第2页
2/7
夹具技术要求参考资料_第3页
3/7
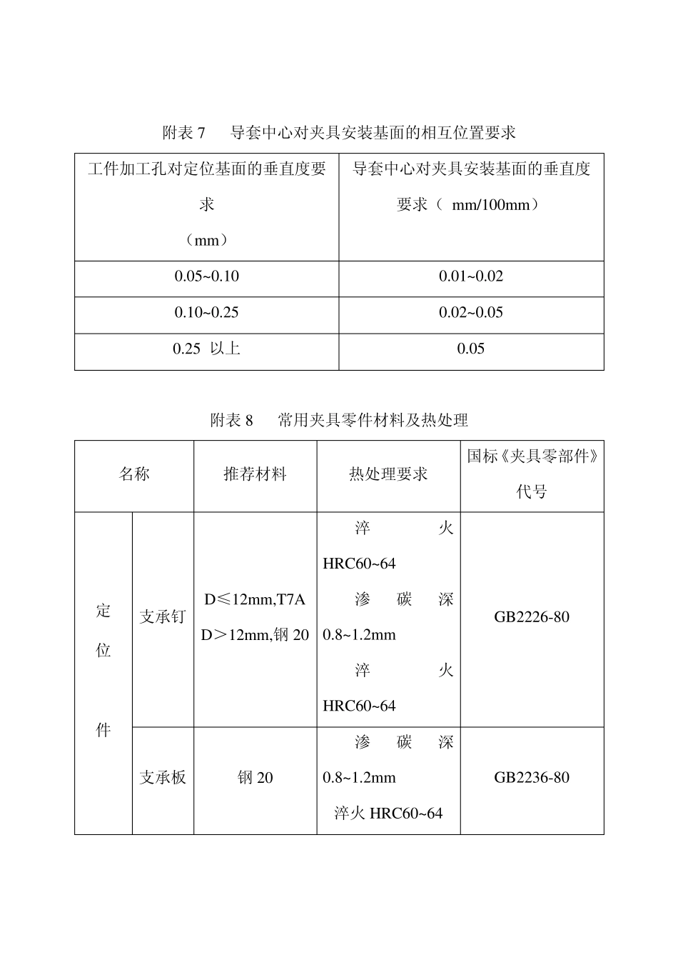
夹具技术要求参考资料 附表1 夹具的尺寸公差 工件的尺寸公差 夹具相应尺寸公差占工件公差的 <0. 02 0.02~0.05 0.05~0.20 0.20~0.30 3/5 1/2 2/5 1/3 附表2 夹具的角度公差 工件的角度公差 夹具相应尺寸公差占工件公差的 0°1′~0°10′ 0°10′~1° 0°~4° 1/2 2/5 1/3 附表3 车、磨床夹具径向跳动允差 工件径向跳动允差 定位元件定位表面对回转中主线的径向跳动允差 心轴类夹具 一般车磨夹具 0.05~0.10 0.005~0.01 0.01~0.02 0.10~0.20 0.01~0.015 0.02~0.04 0.20 以上 0.015~0.03 0.04~0.06 附表4 按工件公差确定夹具对刀块到定位表面制造公差 工件的允许误差 对刀块对定位表面的相互位置 平行或垂直时 不平行或不垂直时 ~±0.10 ±0.02 ±0.015 ±0.1~±0.25 ±0.05 ±0.035 ±0.25 以上 ±0.10 ±0.08 附表5 对刀块工作面、定位表面和定位键侧面间的技术要求 工件加工面对定位基准的技术要求 (mm) 对刀块工作面及定位键侧面对定位表面的垂直度或平行度 (mm/100mm) 0.05~0.10 0.10~0.02 0.10~0.20 0.02~0.05 0.20 以上 0.05~0.10 附表6 导套中心距或导套中心到定位基面间的制造公差 工件孔中心距或孔中心到基面的允差 导套中心距或导套中心到定位其面的制造公差 平行或垂直时 不平行或不垂直时 ±0.05~±0.10 ±0.005~±0.02 ±0.005~±0.015 ±0.10~±0.25 ±0.02~±0.05 ±0.015~±0.035 ±0.25 以上 ±0.05~±0.10 ±0.035~±0.08 附表7 导套中心对夹具安装基面的相互位置要求 工件加工孔对定位基面的垂直度要求 (mm) 导套中心对夹具安装基面的垂直度要求( mm/100mm) 0.05~0.10 0.01~0.02 0.10~0.25 0.02~0.05 0.25 以上 0.05 附表8 常用夹具零件材料及热处理 名称 推荐材料 热处理要求 国标《夹具零部件》代号 定 位 元 件 支承钉 D≤12mm,T7A D>12mm,钢 20 淬火HRC60~64 渗碳深0.8~1.2mm 淬火HRC60~64 GB2226-80 支承板 钢 20 渗碳深0.8~1.2mm 淬火 HRC60~64 GB2236-80 可调支 承螺钉 钢45 头部淬火HRC38~42 L>50mm 整体淬火HRC33~38 国际《夹具零部件》附录—应用图例中图 6 定位销 D≤16mm,T7A D>16mm,钢20 淬火HRC53~58 渗碳深 0.8~1.2 淬火HRC53~58 GB2203-80A GB2204-80A 定位心轴 D≤35mm,T8A D>35mm,钢45 淬火HRC55~60 淬火HRC43~48 V 形块 钢20 渗碳深 0.8...

1、当您付费下载文档后,您只拥有了使用权限,并不意味着购买了版权,文档只能用于自身使用,不得用于其他商业用途(如 [转卖]进行直接盈利或[编辑后售卖]进行间接盈利)。
2、本站所有内容均由合作方或网友上传,本站不对文档的完整性、权威性及其观点立场正确性做任何保证或承诺!文档内容仅供研究参考,付费前请自行鉴别。
3、如文档内容存在违规,或者侵犯商业秘密、侵犯著作权等,请点击“违规举报”。

碎片内容

夹具技术要求参考资料

您可能关注的文档

确认删除?
VIP
微信客服
  • 扫码咨询
会员Q群
  • 会员专属群点击这里加入QQ群
客服邮箱
回到顶部