电脑桌面
添加小米粒文库到电脑桌面
安装后可以在桌面快捷访问

如何解决外门窗边渗水问题VIP专享

如何解决外门窗边渗水问题_第1页
1/15
如何解决外门窗边渗水问题_第2页
2/15
如何解决外门窗边渗水问题_第3页
3/15
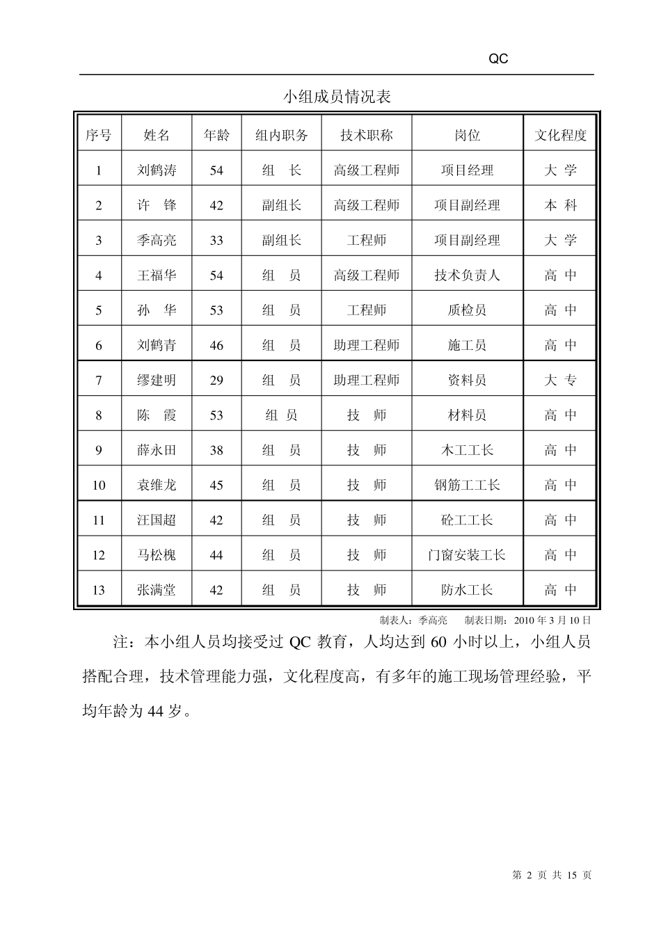
QC 活动交流材料 第 1 页 共 15 页 如何解决外门窗边渗水问题 一、 工程概况 亚都天元居01 栋位于南京市江宁经济开发区静淮街137 号,由A、B幢组成,总建筑面积35470㎡。建筑用途1~3层为大型商场,4~9层为单身公寓。该工程由江苏亚都正德实业有限公司投资兴建,江苏省东方建筑设计院设计,江苏金丰华监理咨询有限公司监理,江苏新源建筑工程有限公司承建。 本工程基础结构形式为筏板基础,主体为框架结构体系。地下一层,地上9 层,质量目标为江苏省优质工程“扬子杯”奖。 二、 QC小组简介 为了实现质量目标省优质工程(扬子杯),本工程项目部在开工后便立即组建了 QC 小组,主要负责对本工程的全面质量控制。根据房屋建筑工程质量通病,外门窗边渗水的实际情况,确定解决外窗边渗水作为本QC 小组的重点技术攻关对象,兼顾其他影响质量技术难点。 活动课题亚都天元居01栋 项目部QC小组外门窗边渗水课题类型攻关型注册登记号JSXYQ C 09- 08组建时间2009年12月30日小组人数14人活动时间外门窗框安装期间活动次数6次人均Q C 教育60学时 QC 活动交流材料 第 2 页 共 15 页 小组成员情况表 序号 姓名 年龄 组内职务 技术职称 岗位 文化程度 1 刘鹤涛 54 组 长 高级工程师 项目经理 大 学 2 许 锋 42 副组长 高级工程师 项目副经理 本 科 3 季高亮 33 副组长 工程师 项目副经理 大 学 4 王福华 54 组 员 高级工程师 技术负责人 高 中 5 孙 华 53 组 员 工程师 质检员 高 中 6 刘鹤青 46 组 员 助理工程师 施工员 高 中 7 缪建明 29 组 员 助理工程师 资料员 大 专 8 陈 霞 53 组 员 技 师 材料员 高 中 9 薛永田 38 组 员 技 师 木工工长 高 中 10 袁维龙 45 组 员 技 师 钢筋工工长 高 中 11 汪国超 42 组 员 技 师 砼工工长 高 中 12 马松槐 44 组 员 技 师 门窗安装工长 高 中 13 张满堂 42 组 员 技 师 防水工长 高 中 制表人:季高亮 制表日期:2010 年 3 月 10 日 注:本小组人员均接受过 QC 教育,人均达到 60 小时以上,小组人员搭配合理,技术管理能力强,文化程度高,有多年的施工现场管理经验,平均年龄为44 岁。 QC 活动交流材料 第 3 页 共 1 5 页 选题理由 建筑工程质量通病 建立企业的质量形象 新方法的推广与应用 企业的质...

1、当您付费下载文档后,您只拥有了使用权限,并不意味着购买了版权,文档只能用于自身使用,不得用于其他商业用途(如 [转卖]进行直接盈利或[编辑后售卖]进行间接盈利)。
2、本站所有内容均由合作方或网友上传,本站不对文档的完整性、权威性及其观点立场正确性做任何保证或承诺!文档内容仅供研究参考,付费前请自行鉴别。
3、如文档内容存在违规,或者侵犯商业秘密、侵犯著作权等,请点击“违规举报”。

碎片内容

如何解决外门窗边渗水问题

小辰7+ 关注
实名认证
内容提供者

出售各种资料和文档

确认删除?
VIP
微信客服
  • 扫码咨询
会员Q群
  • 会员专属群点击这里加入QQ群
客服邮箱
回到顶部