电脑桌面
添加小米粒文库到电脑桌面
安装后可以在桌面快捷访问

滚筒烘干机使用说明书样本

滚筒烘干机使用说明书样本_第1页
1/10
滚筒烘干机使用说明书样本_第2页
2/10
滚筒烘干机使用说明书样本_第3页
3/10
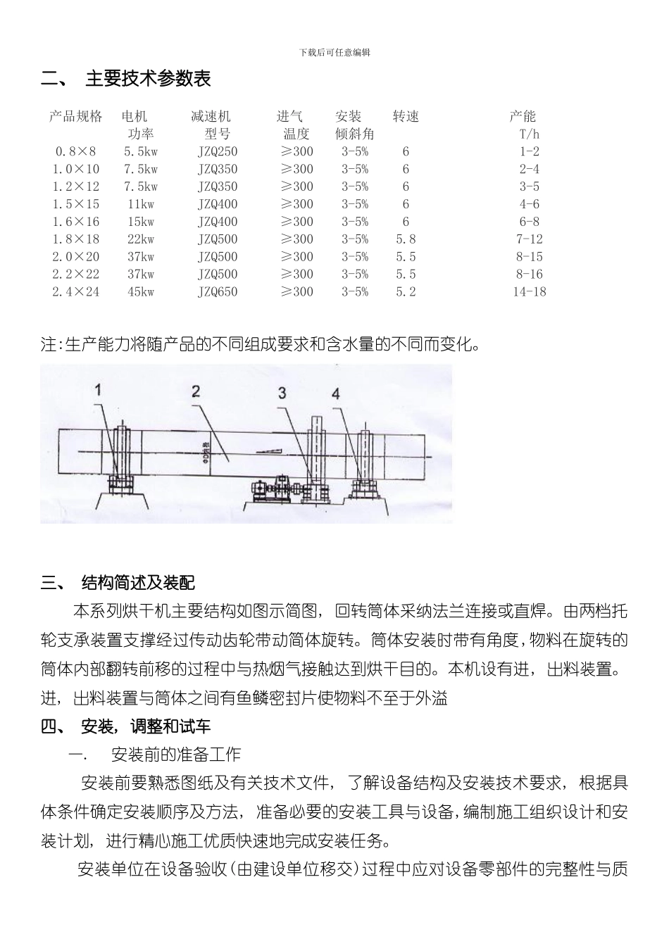
回转式烘干机使用说明Rotary drying machine description河南通达重工科技有限公司Henan Tongda Heavy Industry Technology Co Ltd中国.郑州 Zhengzhou.China下载后可任意编辑 目 录一: 用途 二: 主要技术参数表三: 结构简述及装配四: 安装, 调试和试车五: 使用和维护六: 特别声明一、 用途回转式烘干机, 适用于有机肥料, 矿渣,粘土,石灰石,磷石膏,钢厂水渣,电厂煤泥以及污水处理厂污泥等物料的烘干, 具有烘干能力大,运转平稳,能耗低,操作方便,产量高等优点。 其经过喷射引风器把热风炉的热风引进烘干机内部与湿物料进行热交换。根据物料的特性不同,设置不同型式的扬料板以及防粘措施,物料进入旋转筒体内在烘干的同时,筒体内设多角度升举式抄板, 使物料扬布均匀从而充分与高温炉气进行热交换, 干燥效果好。下载后可任意编辑二、 主要技术参数表产品规格电机 功率减速机 型号进气 温度安装 倾斜角转速产能 T/h0.8×85.5kwJZQ250≥3003-5%61-21.0×107.5kwJZQ350≥3003-5%62-41.2×127.5kwJZQ350≥3003-5%63-51.5×1511kwJZQ400≥3003-5%64-61.6×1615kwJZQ400≥3003-5%66-81.8×1822kwJZQ500≥3003-5%5.87-122.0×2037kwJZQ500≥3003-5%5.58-152.2×2237kwJZQ500≥3003-5%5.58-162.4×2445kwJZQ650≥3003-5%5.214-18注:生产能力将随产品的不同组成要求和含水量的不同而变化。三、 结构简述及装配本系列烘干机主要结构如图示简图, 回转筒体采纳法兰连接或直焊。由两档托轮支承装置支撑经过传动齿轮带动简体旋转。筒体安装时带有角度,物料在旋转的筒体内部翻转前移的过程中与热烟气接触达到烘干目的。本机设有进, 出料装置。进, 出料装置与筒体之间有鱼鳞密封片使物料不至于外溢四、 安装, 调整和试车一.安装前的准备工作安装前要熟悉图纸及有关技术文件, 了解设备结构及安装技术要求, 根据具体条件确定安装顺序及方法, 准备必要的安装工具与设备,编制施工组织设计和安装计划, 进行精心施工优质快速地完成安装任务。安装单位在设备验收(由建设单位移交)过程中应对设备零部件的完整性与质下载后可任意编辑量进行检查, 如发现有数量不足或制造运输存放过程中造成的缺陷, 应事先通知有关单位设法补足并消除缺陷, 对于涉及到安装质量的有关重要尺寸, 应按图核对, 作出记录, 并与设计单位商定, 加以修正。在零部件安装之前, 必须进行清洗工作, 去除污锈, 拆卸前必须熟悉图纸,了解结构, 以免损坏机件...

1、当您付费下载文档后,您只拥有了使用权限,并不意味着购买了版权,文档只能用于自身使用,不得用于其他商业用途(如 [转卖]进行直接盈利或[编辑后售卖]进行间接盈利)。
2、本站所有内容均由合作方或网友上传,本站不对文档的完整性、权威性及其观点立场正确性做任何保证或承诺!文档内容仅供研究参考,付费前请自行鉴别。
3、如文档内容存在违规,或者侵犯商业秘密、侵犯著作权等,请点击“违规举报”。

碎片内容

滚筒烘干机使用说明书样本

您可能关注的文档

确认删除?
VIP
微信客服
  • 扫码咨询
会员Q群
  • 会员专属群点击这里加入QQ群
客服邮箱
回到顶部