电脑桌面
添加小米粒文库到电脑桌面
安装后可以在桌面快捷访问

喷淋系统验收资料

喷淋系统验收资料_第1页
1/57
喷淋系统验收资料_第2页
2/57
喷淋系统验收资料_第3页
3/57
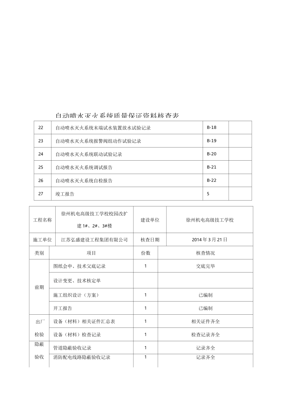
附录四一 B自动喷水灭火系统施工安装质量记录工程名称:徐州机电高级技工学校校园改扩建 1#、2#、3#楼建设单位:徐州机电高级技工学校设计单位:徐州市建筑设计研究院有限责任公司施工单位:江苏弘盛建设工程集团有限公司序号资料名称编号页数1自动喷水灭火系统质量保证资料核查表B-12技术父底记录13开工报告24设备材料相关证件汇总表35材料检查记录46自动喷水灭火系统喷头抽样检查试验记录B-27自动喷水灭火系统报警阀组检查试验记录B-38自动喷水灭火系统阀门抽样检查试验记录B-49自动喷水灭火系统管道安装检查记录B-510自动喷水灭火系统管道支架制作安装检查记录B-611自动喷水灭火系统管道试压记录B-712自动喷水灭火系统管道冲洗记录B-813自动喷水灭火系统管道隐蔽验收记录B-914自动喷水灭火系统水源设施安装检查记录B-1015自动喷水灭火系统水泵安装检查记录B-1116自动喷水灭火系统水泵接合器安装检查记录B-1217自动喷水灭火系统报警阀组安装检查记录B-1318自动喷水灭火系统水流指示器安装检查记录B-1419自动喷水灭火系统喷头安装检查记录B-1520自动喷水灭火系统末端试水装置安装检查记录B-1621自动喷水灭火系统水泵试验记录B-17自动喷水灭火系统质量保证资料核查表22自动喷水灭火系统末端试水装置放水试验记录B-1823自动喷水灭火系统报警阀组动作试验记录B-1924自动喷水灭火系统联动试验记录B-2025自动喷水灭火系统调试报告B-2126自动喷水灭火系统自检报告B-2227竣工报告5工程名称徐州机电高级技工学校校园改扩建 1#、2#、3#楼建设单位徐州机电高级技工学校施工单位江苏弘盛建设工程集团有限公司核查日期2014 年 3 月 21 日类别项目份数核查情况前期图纸会申、技术父底记录1交底完毕设计变更、技术核定单施工组织设计(方案)1已编制开工报告1已编制出厂检验设备(材料)相关证件汇总表1相关证件齐全设备(材料)检查记录1检查记录齐全隐蔽验收管道隐蔽验收记录1记录齐全消防配电线路隐蔽验收记录1记录齐全记录安装检查试验记录各类安装检查记录1检查记录齐全各类测试、试验记录1记录齐全调试报告1已调试自检报告1已自检竣工报告1已填写编号:BT设备移交清单1已填写其他核查意见:经检查质量资料齐全符合要求。技术负责人质检员自动喷淋灭火系统技术交底记录工程名称徐州机电高级技工学校校园改扩建 1#、2#、3#楼建设单位徐州机电高级技工学校分项工程名称喷锌系统施工单位江苏弘盛建设工程集团有限公司自动喷淋灭、严格按照设计图纸施...

1、当您付费下载文档后,您只拥有了使用权限,并不意味着购买了版权,文档只能用于自身使用,不得用于其他商业用途(如 [转卖]进行直接盈利或[编辑后售卖]进行间接盈利)。
2、本站所有内容均由合作方或网友上传,本站不对文档的完整性、权威性及其观点立场正确性做任何保证或承诺!文档内容仅供研究参考,付费前请自行鉴别。
3、如文档内容存在违规,或者侵犯商业秘密、侵犯著作权等,请点击“违规举报”。

碎片内容

喷淋系统验收资料

确认删除?
VIP
微信客服
  • 扫码咨询
会员Q群
  • 会员专属群点击这里加入QQ群
客服邮箱
回到顶部