电脑桌面
添加小米粒文库到电脑桌面
安装后可以在桌面快捷访问

直流风扇介绍

直流风扇介绍_第1页
1/7
直流风扇介绍_第2页
2/7
直流风扇介绍_第3页
3/7
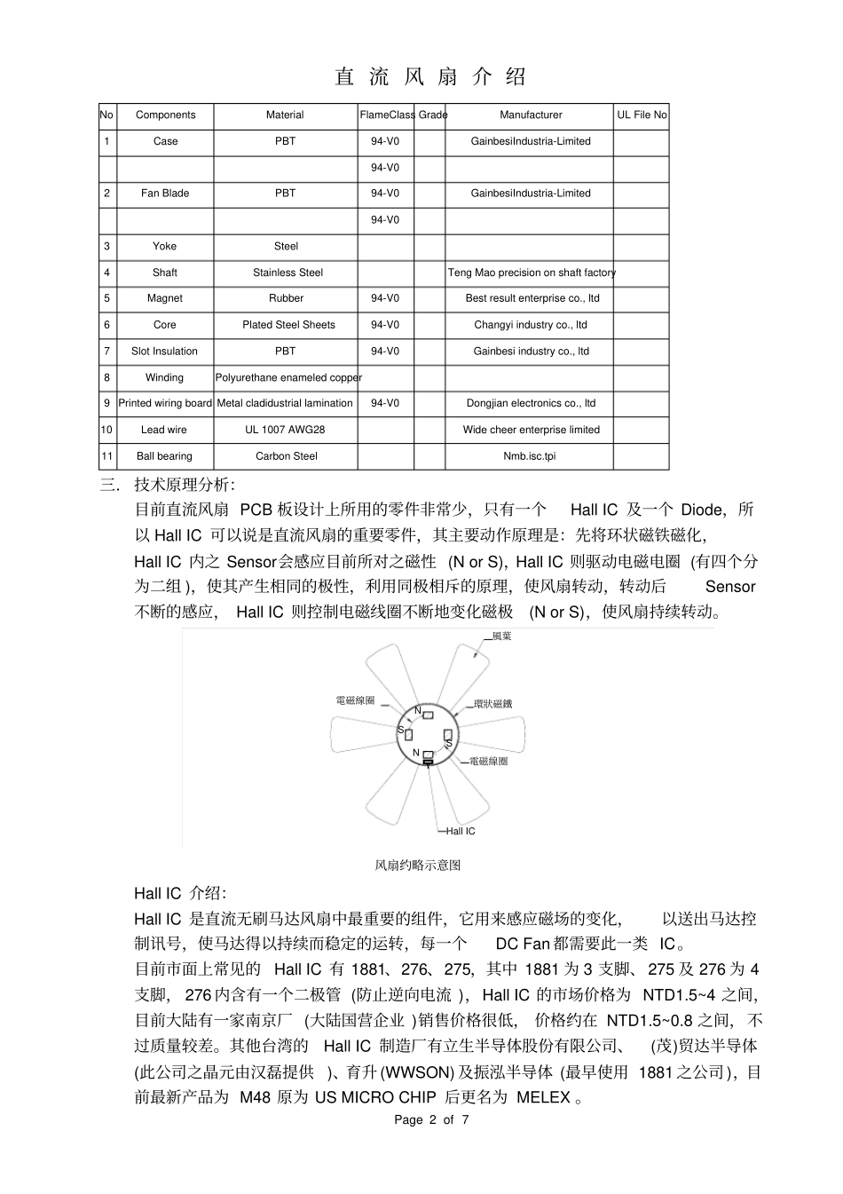
直 流 风 扇 介 绍Page 1 of 7 一. 应用市场:目前已知直流风扇尺寸大小应用的市场分别为Power 的散热、 CPU cooler、Case 之Second Fan、抽取式硬盒 (Mobile Rack) 、Notebook 之散热风扇及显示适配器绘图芯片的散热及仪器设备的散热等。二. 市场售价分析:影响 DC Fan 的售价除了与材料成本有关外,最大的影响因素为市场的使用量,充份显示出以量制价的道理,因此有时侯会产生大风扇的价钱比小风扇的价格还低之况;另一个影响因素也会因安规有无而使价格有所差异。注:目前风扇上常见的安规有CE、UL、CSA、TUV 。下列是一些市场常用风扇的报价。(1) 8020:约 NTD12~16 之间,因其在 Power 上用量非常大,与其它规格比较,此项之价格相对之下较便宜。(2) 8025: 约 NTD12~16 之间。(3) 4010: 约 NTD16 以下,其主要使用在486、586 的 CPU cooler 及 Mobile Rack 上。(4) 5010: 约 NTD17 以下,目前的 CPU cooler 大都使用此项,甚至有的CPU cooler有一次使用两个之情形,因此量也非常大。(5) 5015: 约 NTD20 以下,目前 CPU 的功率愈来愈大,此型之散热效果比5010 佳,因此有很多的 CPU cooler 目前使用之,所以5015 量有愈来愈大的趋势。(6) 6010: 约 NTD18 以下,目前用于 AMD K7 及 Intel P4 的 CPU cooler 上。(7) 6015: 约 NTD21 以下,目前用于 AMD K7 及 Intel P4 的 CPU cooler 上。上述之价格皆以 Sleeve Bearing 为主,如果是 Ball Bearing 的结构约有 NTD15~18 之价差,如果大陆交货可降低NTD1 成本。Bill of Material :直 流 风 扇 介 绍Page 2 of 7 No Components Material FlameClass Grade Manufacturer UL File No 1 Case PBT 94-V0 GainbesiIndustria-Limited 94-V0 2 Fan Blade PBT 94-V0 GainbesiIndustria-Limited 94-V0 3 Yoke Steel 4 Shaft Stainless Steel Teng Mao precision on shaft factory 5 Magnet Rubber 94-V0 Best result enterprise co., ltd 6 Core Plated Steel Sheets 94-V0 Changyi industry co., ltd 7 Slot Insulation PBT 94-V0 Gainbesi industry co., ltd 8 Winding Polyurethane enameled copper 9 Printed wiring board Metal cladidustrial lamination 94-V0 Dongjian electronics co., ltd 10...

1、当您付费下载文档后,您只拥有了使用权限,并不意味着购买了版权,文档只能用于自身使用,不得用于其他商业用途(如 [转卖]进行直接盈利或[编辑后售卖]进行间接盈利)。
2、本站所有内容均由合作方或网友上传,本站不对文档的完整性、权威性及其观点立场正确性做任何保证或承诺!文档内容仅供研究参考,付费前请自行鉴别。
3、如文档内容存在违规,或者侵犯商业秘密、侵犯著作权等,请点击“违规举报”。

碎片内容

直流风扇介绍

您可能关注的文档

确认删除?
VIP
微信客服
  • 扫码咨询
会员Q群
  • 会员专属群点击这里加入QQ群
客服邮箱
回到顶部