电脑桌面
添加小米粒文库到电脑桌面
安装后可以在桌面快捷访问

石油库设计规范

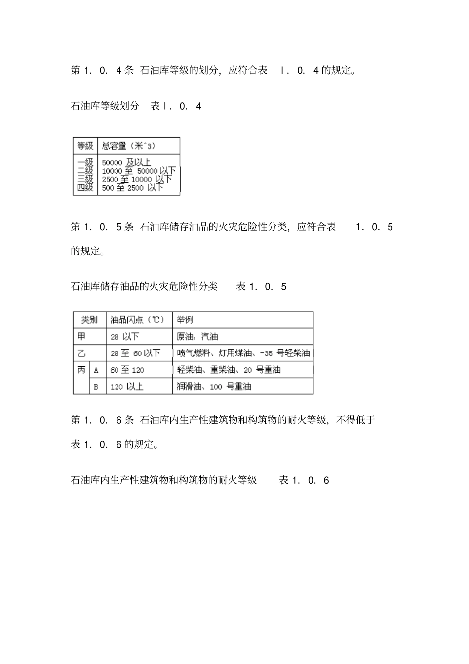
石油库设计规范_第1页
1/50
石油库设计规范_第2页
2/50
石油库设计规范_第3页
3/50
石油库设计规范 ( 修订本 )中华人民共和国国家标准GBJ74一 84 主编部门 : 中国石油化工总公司中华人民共和国石油工业部批准部门 : 中华人民共和国国家计划委员会施行日期 :1995 年 10 月 1 日目录第一章 总 则第二章 库址选择第三章 总平面布置第四章 油罐区第五章 油泵房第六章 装卸油品设施第七章 输油及热力管线第八章 油品灌装及桶装油品库房第九章 消防设施第十章 给水排水第十一章电气装置第十二章采暖通风附录一名词解释附录二 计算间距的起算点附录三石油库内建筑物、构筑物的爆炸危险区域的等级与范围划分:第一章 总 则第 1.0.1 条 石油库设计必须贯彻执行国家有关的方针政策,做到技术先进,经济合理,生产安全,管理方便,确保油品质量,减少油品损耗,防止污染环境,节约用地和节约能源。第 1.0. 2 条 本规范适用于石油库新建和扩建工程的设计。本规范不适用于下列石油库的设计:一、总容量小于500 立方米的石油库;二、地下水封式石油库;三、自然洞石油库;四、使用期限少于5 年的临时性石油库。本规范亦不适用于生产装置内部的储油设施的设计。第 1.0.3 条 石油库设计除执行本规范外,尚应符合国家现行的有关标准和规范的要求。第 1.0. 4 条 石油库等级的划分,应符合表l .0. 4 的规定。石油库等级划分表 l .0. 4第 1.0. 5 条 石油库储存油品的火灾危险性分类,应符合表1.0.5的规定。石油库储存油品的火灾危险性分类表 1.0.5第 1.0. 6 条 石油库内生产性建筑物和构筑物的耐火等级,不得低于表 1.0. 6 的规定。石油库内生产性建筑物和构筑物的耐火等级表 1.0.6第二章库址选择第 2.0.1 条 石油库的库址,应选在交通方便的地方。以铁路运输为主的石油库,应靠近有条件接轨的地方;以水运为主的石油库,应靠近有条件建设装卸油品码头的地方。第 2.0.2 条 储存原油、汽油、煤油、柴油等大宗油品的石油库的库址选择,应考虑产、 运、销的关系和国家有关部门制定的油品运输流向。第 2.0.3 条 为城镇服务的商业石油库的库址,在符合城镇环境保护与防火安全要求的条件下,应靠近城镇。第 2.0.4 条 企业附属石油库的库址选择,应结合该企业主体工程统一考虑,并应符合城镇或工业区规划、环境保护与防火安全的要求。第 2.0.5 条 石油库的库址应具备良好的地质条件,不得选在有土崩、断层、滑坡、沼泽、流沙及泥石流的地...

1、当您付费下载文档后,您只拥有了使用权限,并不意味着购买了版权,文档只能用于自身使用,不得用于其他商业用途(如 [转卖]进行直接盈利或[编辑后售卖]进行间接盈利)。
2、本站所有内容均由合作方或网友上传,本站不对文档的完整性、权威性及其观点立场正确性做任何保证或承诺!文档内容仅供研究参考,付费前请自行鉴别。
3、如文档内容存在违规,或者侵犯商业秘密、侵犯著作权等,请点击“违规举报”。

碎片内容

石油库设计规范

您可能关注的文档

确认删除?
VIP
微信客服
  • 扫码咨询
会员Q群
  • 会员专属群点击这里加入QQ群
客服邮箱
回到顶部