电脑桌面
添加小米粒文库到电脑桌面
安装后可以在桌面快捷访问

焊接外观质量等级分等标准样本

焊接外观质量等级分等标准样本_第1页
1/10
焊接外观质量等级分等标准样本_第2页
2/10
焊接外观质量等级分等标准样本_第3页
3/10
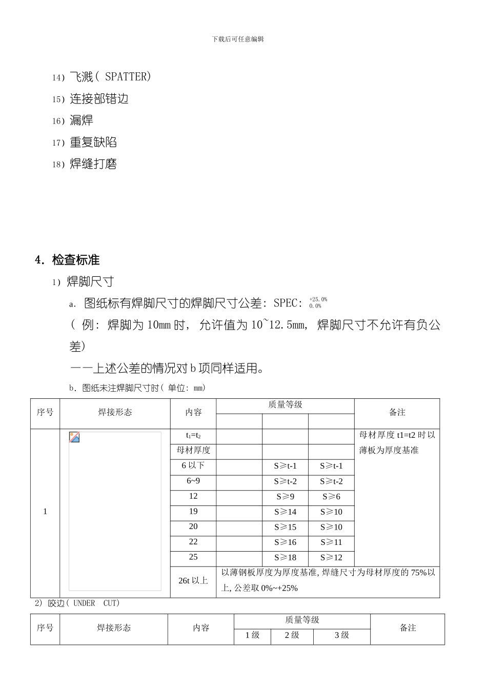
下载后可任意编辑1. 适用范围本标准适用于公司工程机械结构件焊接部分的外观检验。2.适用范围的限制1) 本标准只做为焊接部位肉眼检查的标准, 对焊缝内部质量进行评定时, 不适用本标准, 焊缝内部质量要跟据相应的其它检查方法评定。可是, 无损检测中表面浸透探伤也可适用本标准。2) 本标准检查项目中, 对图纸中明确规定的缺陷, 应满足图纸要求为原则。3) 图纸中未注焊接符号处, 多余进行焊接的, 原则上不允许。4) 对重复缺陷的判定参考 3.17) 项检查项目5) 对超出检查标准的焊接缺陷, 应进行必要的返修, 返修结束后重新进行检查。3.焊接部外观检查项目1) 焊角尺寸( LEG LENGTH) 2) 咬边( UNDER CUT) 3) 焊缝表面气孔( BEAD 表面 BLOW HOLE) 4) 焊瘤( OVER LAP) 5) 未焊透6) 背面余高( 烧穿: BURN THROUGH) 7) 未熔合8) 裂纹( CRACK) 9) 弧坑( CRATER) 10)焊缝连接11)电弧损伤( ARC STRIKE) 12)焊缝形状13)焊脚不对称下载后可任意编辑14)飞溅( SPATTER) 15)连接部错边16)漏焊17)重复缺陷18)焊缝打磨4.检查标准1) 焊脚尺寸a. 图纸标有焊脚尺寸的焊脚尺寸公差: SPEC: +25.0% 0.0%( 例: 焊脚为 10mm 时, 允许值为 10~12.5mm, 焊脚尺寸不允许有负公差) ——上述公差的情况对 b 项同样适用。b.图纸未注焊脚尺寸时( 单位: mm) 序号焊接形态内容质量等级备注1t1=t2母材厚度 t1=t2 时以薄板为厚度基准母材厚度6 以下S≥t-1S≥t-16~9S≥t-2S≥t-212S≥9S≥619S≥14S≥1020S≥15S≥1022S≥16S≥1125S≥18S≥1226t 以上以薄钢板厚度为厚度基准, 焊缝尺寸为母材厚度的 75%以上, 公差取 0%~+25%2) 咬边( UNDER CUT) 序号焊接形态内容质量等级备注1 级2 级3 级下载后可任意编辑1UNDER CUT( 上下部咬边) t≤3.6不允许单独, 孤立的, 短的允许单 独 , 孤 立的, 短的允许a≤0.2+0.05t末端切口部分的平滑过渡不视为咬边超出标准的必须返修T≥3.6不允许单独, 孤立的, 短的允许a≤0.5单 独 , 孤 立的, 短的允许a≤1.0or a≤0.1t2T>3.6( 末湍咬边) 单 独 , 孤立的, 短的允许a≤0.2单独, 孤立的, 短的允许a≤0.5单 独 , 孤 立的, 短的允许a≤1.0or a≤0.1t3) 焊缝表面气孔序号焊接形态内容质量等级备注1 级2 级3 级1针状气孔焊缝上孤立 的 , 小的允许φ1, 1 个以下焊缝上孤立的, 小的允许φ1, 2 个以...

1、当您付费下载文档后,您只拥有了使用权限,并不意味着购买了版权,文档只能用于自身使用,不得用于其他商业用途(如 [转卖]进行直接盈利或[编辑后售卖]进行间接盈利)。
2、本站所有内容均由合作方或网友上传,本站不对文档的完整性、权威性及其观点立场正确性做任何保证或承诺!文档内容仅供研究参考,付费前请自行鉴别。
3、如文档内容存在违规,或者侵犯商业秘密、侵犯著作权等,请点击“违规举报”。

碎片内容

焊接外观质量等级分等标准样本

确认删除?
VIP
微信客服
  • 扫码咨询
会员Q群
  • 会员专属群点击这里加入QQ群
客服邮箱
回到顶部