电脑桌面
添加小米粒文库到电脑桌面
安装后可以在桌面快捷访问

种废气处理方法介绍及适用范围和优缺点说明

种废气处理方法介绍及适用范围和优缺点说明_第1页
1/3
种废气处理方法介绍及适用范围和优缺点说明_第2页
2/3
种废气处理方法介绍及适用范围和优缺点说明_第3页
3/3
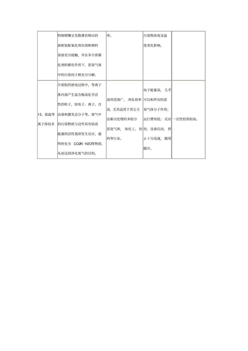
13 种废气处理方法介绍及适用范围和优缺点说明脱臭方法脱臭原理适用范围优点缺点1、掩蔽法采用更强烈的芳香气味与臭气掺和,以掩蔽臭气,使之能被人接收适用于需立即地、 暂时地消除低浓度恶臭气体影响的场合, 恶臭强度 2.5 左右,无组织排放源可尽快消除恶臭影响,灵活性大,费用低恶臭成分并没有被去除2、稀释扩散法将有臭味地气体通过烟囱排至大气,或用无臭空气稀释,降低恶臭物质浓度以减少臭味适用于处理中、 低浓度的有组织排放的恶臭气体费用低设备简单易受气象条件限制,恶臭物质依然存在3、热力燃烧法在高温下恶臭物质与燃料气充分混和,实现完全燃烧适用于处理高浓度、 小气量的可燃性气体净化效率高, 恶臭物质被彻底氧化分解设备易腐蚀, 消耗燃料,处理成本高,易形成二次污染4、催化燃烧法5、水吸收法利用臭气中某些物质易溶于水的特性,使臭气成分直接与水接触,从而溶解于水达到脱臭目的水溶性、有组织排放源的恶臭气体工艺简单,管理方便,设备运转费用低产生二次污染, 需对洗涤液进行处理; 净化效率低, 应与其他技术联合使用, 对硫醇,脂肪酸等处理效果差6、药液吸收法利用臭气中某些物质和药液产生化学反应的特性,去除某些臭气成分适用于处理大气量、 高中浓度的臭气能够有针对性处理某些臭气成分,工艺较成熟净化效率不高, 消耗吸收剂, 易形成而二次污染7、吸附法利用吸附剂的吸附功能使恶臭物质由气相转移至固相适用于处理低浓度, 高净化要求的恶臭气体净化效率很高, 可以处理多组分恶臭气体吸附剂费用昂贵, 再生较困难, 要求待处理的恶臭气体有较低的温度和含尘量8、生物滤池式脱臭法恶臭气体经过去尘增湿或降温等预处理工艺后,从滤床底部由下向上穿过由滤料组成的滤床,恶臭气体由气相转移至水—微生物混和相,通过固着于滤料上的微生物代谢作用而被分解掉目前研究最多, 工艺最成熟,在实际中也最常用的生物脱臭方法。 又可细分为土壤脱臭法、堆肥脱臭法、 泥炭脱臭法等。处理费用低占地面积大, 填料需定期更换, 脱臭过程不易控制, 运行一段时间后容易出现问题,对疏水性和难生物降解物质的处理还存在较大难度。9、生物滴滤池式原理同生物滤池式类似,不过使用的滤料是诸如聚丙烯小球、陶瓷、木炭、塑料等不能提供营养物的惰性材料。只有针对某些恶臭物质而降解的微生物附着在填料上, 而不会出现生物滤池中混和微生物群同时消耗滤料有机质的情况池内微生物数量大,能承受比...

1、当您付费下载文档后,您只拥有了使用权限,并不意味着购买了版权,文档只能用于自身使用,不得用于其他商业用途(如 [转卖]进行直接盈利或[编辑后售卖]进行间接盈利)。
2、本站所有内容均由合作方或网友上传,本站不对文档的完整性、权威性及其观点立场正确性做任何保证或承诺!文档内容仅供研究参考,付费前请自行鉴别。
3、如文档内容存在违规,或者侵犯商业秘密、侵犯著作权等,请点击“违规举报”。

碎片内容

种废气处理方法介绍及适用范围和优缺点说明

爱的疯狂+ 关注
实名认证
内容提供者

该用户很懒,什么也没介绍

相关文档

确认删除?
VIP
微信客服
  • 扫码咨询
会员Q群
  • 会员专属群点击这里加入QQ群
客服邮箱
回到顶部