电脑桌面
添加小米粒文库到电脑桌面
安装后可以在桌面快捷访问

管子加工呵安装通用工艺规范

管子加工呵安装通用工艺规范_第1页
1/11
管子加工呵安装通用工艺规范_第2页
2/11
管子加工呵安装通用工艺规范_第3页
3/11
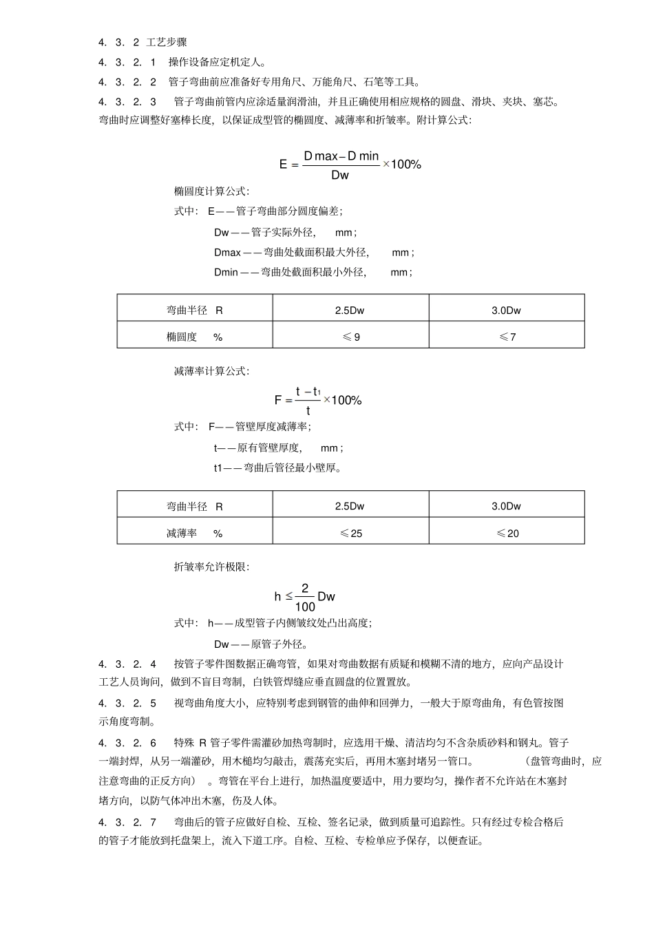
管子加工呵安装通用工艺规范1. 范围本标准规定了船舶管子内场加工及外场安装的工序内容和验收要求。本标准适用于船舶管子的加工和安装。2. 引用标准CB*3083 弯管技术要求CB*/Z335 船用管子加工通用技术条件CB*/Z345 船舶管系布置和安装通用技术条件3. 加工和安装前的准备3.1在新产品项目开工前,施工人员应用一定的时间熟悉产品名称、工程编号、分段号、项目号、项目内的各系统及安装部位。3.2熟悉有关图纸资料,其内容包括各系统原理图、管子零件图、综放安装图、各类托盘表和开孔图及图纸中的技术要求和工艺说明。3.3熟悉了解型宽、型深、肋距及梁拱高度和各构件高度,以及甲板间高度、舱室布置和木作绝缘厚度、地平敷料高度及各分段大合拢肋位线。3.4正确使用工艺规定的各类型号、规格、数量的配套件,严格按图纸工艺要求施工。4. 内场制造4.1领料持领料单领取各种牌号、规格、数量的合格管材,并分别放置在料架上,Ⅰ、Ⅱ级管材应单独存放,并做出明显标记,标记应含检验号、规格。管材领发必须建立台帐、做好记录、签名。4.2下料4.2.1 工序内容熟悉图纸资料及工艺文件,准备工护具,领取管材,按图划线、切割、用广告色或记号笔做标记,将管子放至指定地点。4.2.2 工艺步骤4.2.2.1按管子零件图要求,正确选用管材的牌号、规格和等级; 检查管子有无明显凹陷、夹渣、分层、铜绿及其它腐蚀现象,白铁管还要检查接缝处有无开裂(直观或听敲击声判断),不符合质量的管材坚决不用,并及时反馈。4.2.2.2按管子零件图下料尺寸,用色笔画出切割线,并加注“S”符号,规范书写分段号和零件号,尽可能套裁,短管可用于隔舱贯通件制作。4.2.2.3切割管材 DN125 (含 DN125 以下全部机割,DN150 以上允许气割,机割管去毛刺,气割管应去熔渣,管子端面和轴向垂直,允许偏差20~30。有色管全部机割,去毛刺、锐边。下料后的管子应置放到托架上,行车配合吊运到弯管机旁整齐堆放。直管一次到位,弯管放10~15 余量。4.2.2.4紫铜管退火,采用局部退火,加热时温度要求均匀,严格控制温度,防止局部过热。均采用自由冷却。4.3弯管4.3.1 工序内容熟悉图样,准备工护具,按图弯制,检查测量弯管零件各数据,将管子放到指定地点。4.3.2 工艺步骤4.3.2.1操作设备应定机定人。4.3.2.2管子弯曲前应准备好专用角尺、万能角尺、石笔等工具。4.3.2.3管子弯曲前管内应涂适量润滑油,并且正确使用相应规格的圆盘...

1、当您付费下载文档后,您只拥有了使用权限,并不意味着购买了版权,文档只能用于自身使用,不得用于其他商业用途(如 [转卖]进行直接盈利或[编辑后售卖]进行间接盈利)。
2、本站所有内容均由合作方或网友上传,本站不对文档的完整性、权威性及其观点立场正确性做任何保证或承诺!文档内容仅供研究参考,付费前请自行鉴别。
3、如文档内容存在违规,或者侵犯商业秘密、侵犯著作权等,请点击“违规举报”。

碎片内容

管子加工呵安装通用工艺规范

爱的疯狂+ 关注
实名认证
内容提供者

该用户很懒,什么也没介绍

确认删除?
VIP
微信客服
  • 扫码咨询
会员Q群
  • 会员专属群点击这里加入QQ群
客服邮箱
回到顶部