电脑桌面
添加小米粒文库到电脑桌面
安装后可以在桌面快捷访问

精编【岗位职责】看水岗位技术操作规程

精编【岗位职责】看水岗位技术操作规程_第1页
1/11
精编【岗位职责】看水岗位技术操作规程_第2页
2/11
精编【岗位职责】看水岗位技术操作规程_第3页
3/11
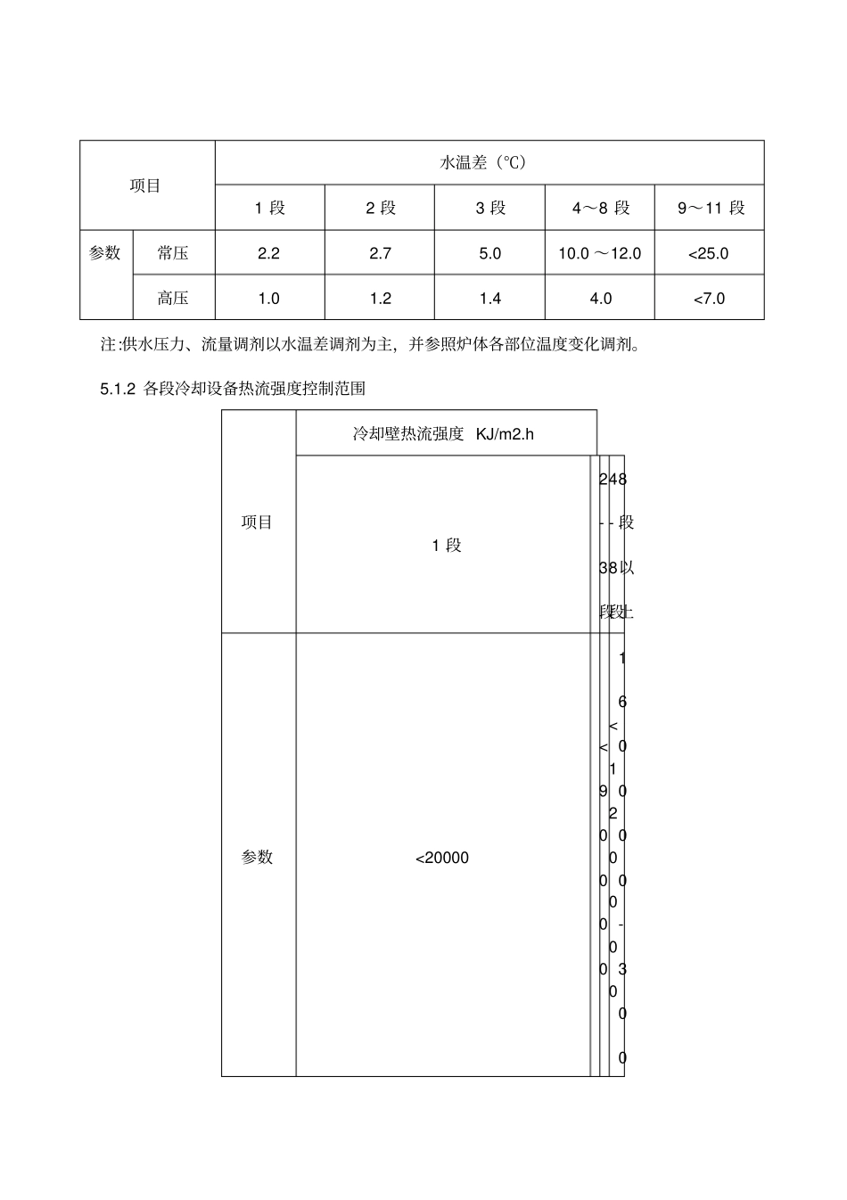
【岗位职责】看水岗位技术操作规程xxxx 年 xx 月 xx 日xxxxxxxx 集团企业有限公司Please enter your company's name and contentv生产指挥控制中心作业文件版次: A/1拟制人:高炉看水岗位技术操作规程文 件 编 号 : JG-ZY Ⅱ /SK(JS)-06J拟制部门: 200 万吨炼铁厂审核人:赵贵清批准人:刘安民2005 -03-01 发布 2004 -03-05 实施1 目的规定看水工岗位标准化操作,特制定本规程。2 主题内容与适用范围2.1 本规程规定了 200 万吨炼铁厂高炉看水工岗位的技术操作要点和操作方法。2.2 本规程适用于 200 万吨炼铁厂高炉看水工岗位生产作业过程。3 术语 / 定义4 工作职责4.1200 万吨炼铁厂高炉区域协理工程师负责本规程主要技术参数的确定。4.2200 万吨炼铁厂工艺责任工程师负责修改、完善和审定。4.3200 万吨炼铁厂主任工程师负责本规程的核准。4.4 高炉看水岗位负责执行本技术操作规程。5 管理内容及要求5.1 主要技术参数项目高压水主管压力常压水主管压力生产净水补充水生产补充软化水水压( Mpa )0.8 ~1.0 ≥0.3 0.3 0.3 水量( m3/h )320 900 ~1100 290 110 进水水温(℃)<35 注:供水压力、流量调剂以水温差调剂为主,并参照炉体各部位温度变化调剂。5.1.2 各段冷却设备热流强度控制范围项目冷却壁热流强度 KJ/m2.h 1 段2-3段4-8段8段以上参数<20000 <90000 <120000 160000-300项目水温差(℃)1 段2 段3 段4~8 段9~11 段参数常压2.2 2.7 5.0 10.0 ~12.0 <25.0 高压1.0 1.2 1.4 4.0 <7.0 000 5.2 工艺技术操作要点5.2.1 高炉炉体各部位水压、风口区水压不能低于热风压力;其余部位水压正常情况下不能低于该部位炉内压力,在炉况不顺、炉墙产生结厚时,炉腹以上各部位水压可略底于炉内压力(低 0.08-0.1MPa )。5.2.2 正常生产时, 水压低于正常水压的70% ,汇报工长以便高炉减风。 高炉正常水压:高压水不低于 0.6Mpa ,常压水总水压力不低于0.2Mpa 。5.2.3 正常生产时,水压低于正常水压的50% ,造成高炉最上层冷却壁大面积断水时,汇报工长以便立刻休风,如个别冷却壁断水,查找原因。5.2.4 正常生产时,风口区水压应随热风压力提高而提高,最低水压≥0.25Mpa 。5.2.54 小时以上的休风, 休风前一天对高炉冷却系统全面检查,减风时开始适当降低冷却强度,有破损的冷却壁要闭水至水头有明显水花。送风前联系把水压恢复至正...

1、当您付费下载文档后,您只拥有了使用权限,并不意味着购买了版权,文档只能用于自身使用,不得用于其他商业用途(如 [转卖]进行直接盈利或[编辑后售卖]进行间接盈利)。
2、本站所有内容均由合作方或网友上传,本站不对文档的完整性、权威性及其观点立场正确性做任何保证或承诺!文档内容仅供研究参考,付费前请自行鉴别。
3、如文档内容存在违规,或者侵犯商业秘密、侵犯著作权等,请点击“违规举报”。

碎片内容

精编【岗位职责】看水岗位技术操作规程

确认删除?
VIP
微信客服
  • 扫码咨询
会员Q群
  • 会员专属群点击这里加入QQ群
客服邮箱
回到顶部