电脑桌面
添加小米粒文库到电脑桌面
安装后可以在桌面快捷访问

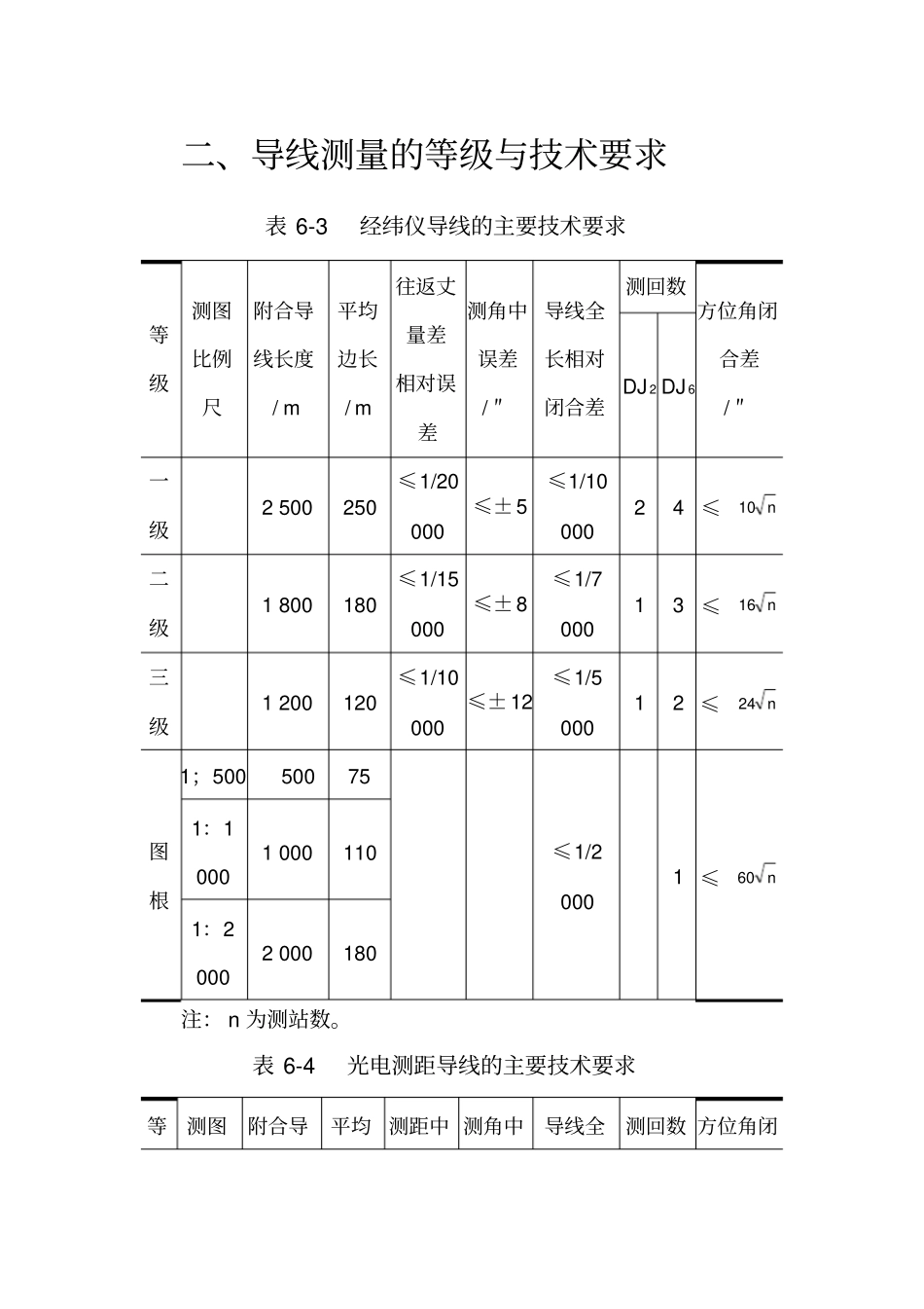
经纬仪导线的主要技术要求

经纬仪导线的主要技术要求_第1页
1/2
经纬仪导线的主要技术要求_第2页
2/2
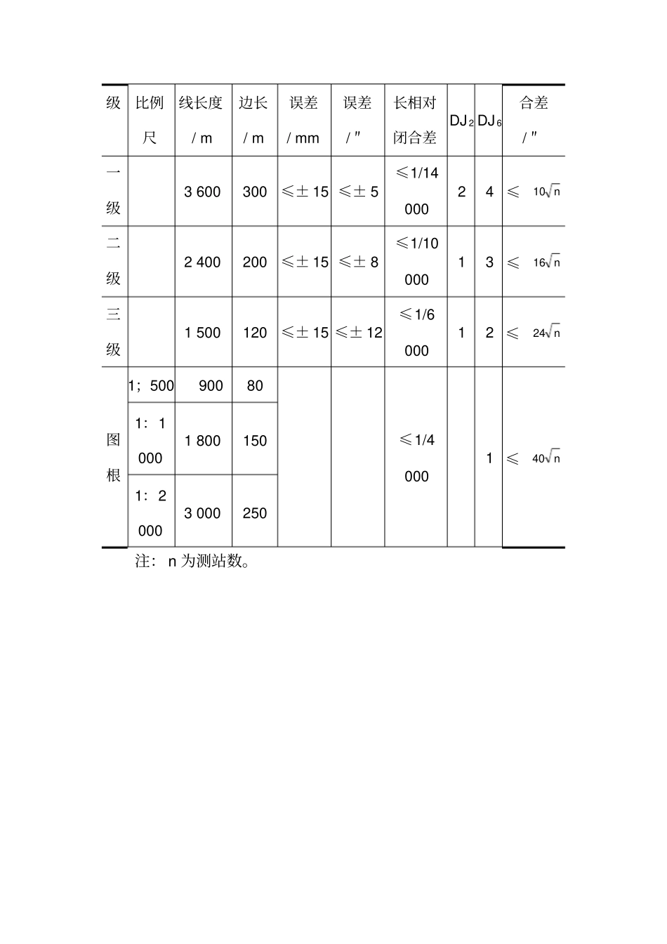
二、导线测量的等级与技术要求表 6-3 经纬仪导线的主要技术要求等级测图比例尺附合导线长度/ m平均边长/ m往返丈量差相对误差测角中误差/ ″导线全长相对闭合差测回数方位角闭合差/ ″DJ 2 DJ 6 一级2 500 250 ≤1/20 000 ≤±5 ≤1/10 000 2 4 ≤n10二级1 800 180 ≤1/15 000 ≤±8 ≤1/7 000 1 3 ≤n16三级1 200 120 ≤1/10 000 ≤±12 ≤1/5 000 1 2 ≤n24图根1;500 500 75 ≤1/2 000 1 ≤n601:1 000 1 000 110 1:2 000 2 000 180 注: n 为测站数。表 6-4 光电测距导线的主要技术要求等测图附合导平均测距中 测角中导线全测回数 方位角闭级比例尺线长度/ m边长/ m误差/ mm误差/ ″长相对闭合差DJ 2 DJ 6 合差/ ″一级3 600 300 ≤± 15 ≤± 5 ≤1/14 000 2 4 ≤n10二级2 400 200 ≤± 15 ≤± 8 ≤1/10 000 1 3 ≤n16三级1 500 120 ≤± 15 ≤± 12 ≤1/6 000 1 2 ≤n24图根1;500 900 80 ≤1/4 000 1 ≤n401:1 000 1 800 150 1:2 000 3 000 250 注: n 为测站数。

1、当您付费下载文档后,您只拥有了使用权限,并不意味着购买了版权,文档只能用于自身使用,不得用于其他商业用途(如 [转卖]进行直接盈利或[编辑后售卖]进行间接盈利)。
2、本站所有内容均由合作方或网友上传,本站不对文档的完整性、权威性及其观点立场正确性做任何保证或承诺!文档内容仅供研究参考,付费前请自行鉴别。
3、如文档内容存在违规,或者侵犯商业秘密、侵犯著作权等,请点击“违规举报”。

碎片内容

经纬仪导线的主要技术要求

确认删除?
VIP
微信客服
  • 扫码咨询
会员Q群
  • 会员专属群点击这里加入QQ群
客服邮箱
回到顶部