电脑桌面
添加小米粒文库到电脑桌面
安装后可以在桌面快捷访问

内浮顶罐施工方案VIP免费

内浮顶罐施工方案_第1页
1/29
内浮顶罐施工方案_第2页
2/29
内浮顶罐施工方案_第3页
3/29
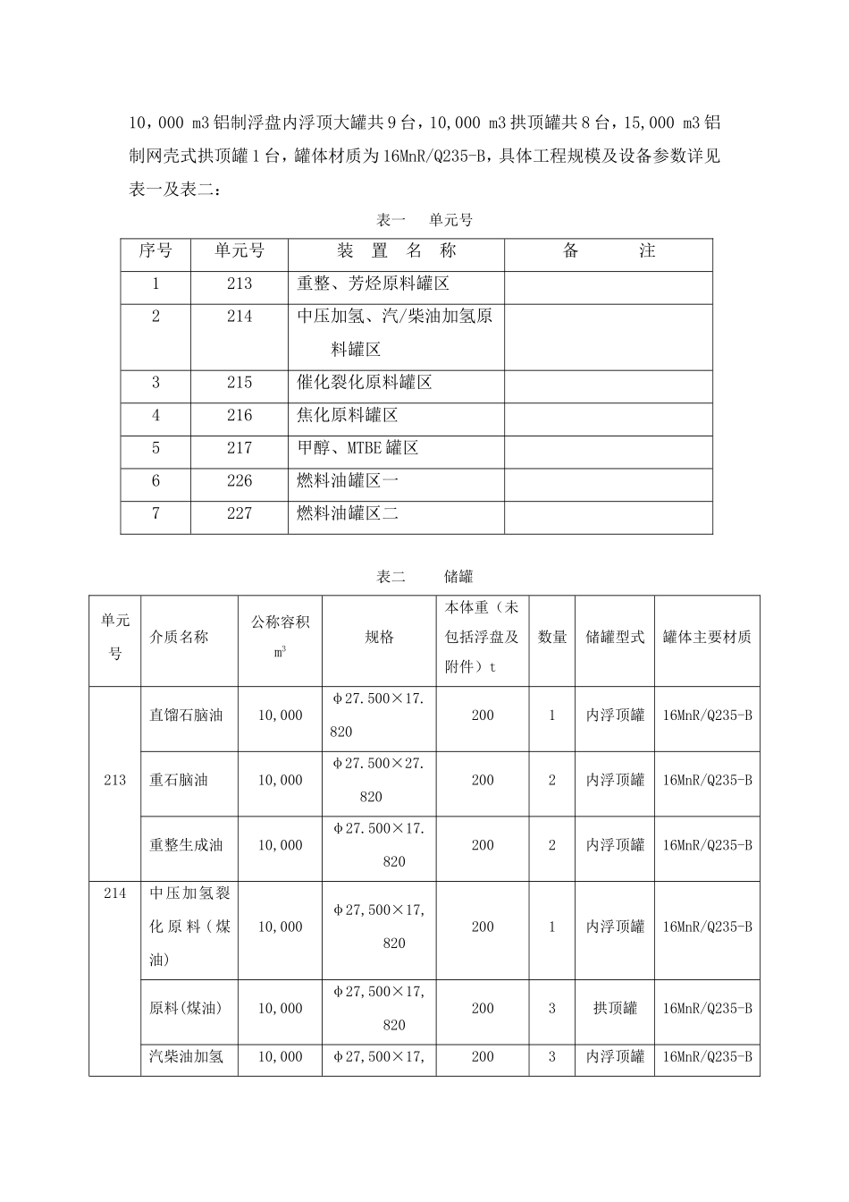
中海石油炼化有限责任公司惠州炼油项目中间原料罐区工程10000m3内浮顶罐施工方案编制:殷敏杰审核:审定:中化二建集团有限公司二OO七年一月六日目录1、工程概况2、编制依据3、施工程序4、施工前准备5、材料检验6、基础验收7、罐体预制加工8、组装9、焊接10、焊缝质量检验11、罐体试验基础沉降观测12、储罐防腐13、质量保证措施14、安全技术措施15、劳动力安排16、施工工、机具一览表1.工程概况中海油炼化公司惠州炼油项目为一座年生产能力约为1200万吨的煤油厂,地点在广东省惠州市大亚湾经济技术开发区,中海壳牌南海石油化工联合装置附近。其中中间原料罐区的施工工程为其中的一部分,共有非标罐44台,其中10,000m3铝制浮盘内浮顶大罐共9台,10,000m3拱顶罐共8台,15,000m3铝制网壳式拱顶罐1台,罐体材质为16MnR/Q235-B,具体工程规模及设备参数详见表一及表二:表一单元号序号单元号装置名称备注1213重整、芳烃原料罐区2214中压加氢、汽/柴油加氢原料罐区3215催化裂化原料罐区4216焦化原料罐区5217甲醇、MTBE罐区6226燃料油罐区一7227燃料油罐区二表二储罐单元号介质名称公称容积m3规格本体重(未包括浮盘及附件)t数量储罐型式罐体主要材质213直馏石脑油10,000φ27.500×17.8202001内浮顶罐16MnR/Q235-B重石脑油10,000φ27.500×27.8202002内浮顶罐16MnR/Q235-B重整生成油10,000φ27.500×17.8202002内浮顶罐16MnR/Q235-B214中压加氢裂化原料(煤油)10,000φ27,500×17,8202001内浮顶罐16MnR/Q235-B原料(煤油)10,000φ27,500×17,8202003拱顶罐16MnR/Q235-B汽柴油加氢10,000φ27,500×17,2003内浮顶罐16MnR/Q235-B单元号介质名称公称容积m3规格本体重(未包括浮盘及附件)t数量储罐型式罐体主要材质原料820215催化裂化原料(减四)10,000φ20,000×17,8202102拱顶罐16MnR/Q235-B催化裂化原料(减三)10,000φ20,000×17,8202501拱顶罐16MnR/Q235-B加氢裂化尾油(蜡油)10,000φ20,000×17,8202502拱顶罐16MnR/Q235-B216焦化原料15,000φ34,000×17,820本体:260铝制网壳顶:253拱顶罐16MnR/Q235-B217甲醇400φ7,800×8,920152内浮顶罐Q235-BMTBE400φ7,800×8,920152内浮顶罐Q235-B226自用燃料油1000φ10,800×12,480383内浮顶罐Q235催化柴油2000φ10,800×12,480383拱顶罐Q235轻污油2000φ13,200×16,040622拱顶罐Q235227成品燃料油5000φ20,000×17,8201253拱顶罐Q235催化油浆500φ8,000×10,700303拱顶罐Q235事故油浆1000φ10,800×12,480452拱顶罐Q235重污油2000φ13,200×16,622拱顶罐Q235单元号介质名称公称容积m3规格本体重(未包括浮盘及附件)t数量储罐型式罐体主要材质040扫线油3000φ15,000×17,820852拱顶罐Q2351.13000m3以下贮槽采用倒链倒装工艺施工,3000m3以上贮槽采用液压提升倒装工艺进行施工,200m3以下槽贮在预制场地用龙门吊进行倒装施工。成品罐制作完成后,以吊车配合,托板车运输到安装位置就位。1.2储罐就位顺序为先大罐,后小罐。并且现场施工时考虑到运预制及运输的原因,故将217单元定位为预制现场。预制现场的布局见5.1.3条。1.3基于本罐区10,000m3铝制浮盘内浮顶大罐较特殊外,其余储罐均可参照其施工工序来进行。故本方案为10,000m3铝制浮盘内浮顶大罐的施工方案。1.4本方案为草案,待正式施工时,将详细编制施工方案以指导施工。2.编制依据中海石油炼化有限责任公司惠州炼油项目的中间原料罐区的工程招标文件及资料。《圆筒形钢制焊接贮罐施工及验收规范》HGJ210--832.3《现场设备、工业管道焊接工程施工及验收规范》GB50236—98《石油化工立式圆筒形钢制焊接储罐设计规范》SH3046-92《立式圆筒形钢制焊接油罐施工及验收规范》GBJ128-90石油化工立式圆筒形钢制储罐施工工艺标准SH/T3530-2001《钢制压力容器焊接规程》JB/T4709-2000《钢熔化焊对接接头射线照相和质量分级》GB3323-87《压力容器无损检测》GB4730-98《低倍数泡沫灭火系统设计规范》GB50151-922.10《炼油、化工施工安全规程》SHJ505-872.11《工业金属管道工程施工及验收规范》GB50235-973施工程序4.施工前的准备4.1施工现场具备三通一平条件,施工现场平整,排水设施畅通。4.2施工机...

1、当您付费下载文档后,您只拥有了使用权限,并不意味着购买了版权,文档只能用于自身使用,不得用于其他商业用途(如 [转卖]进行直接盈利或[编辑后售卖]进行间接盈利)。
2、本站所有内容均由合作方或网友上传,本站不对文档的完整性、权威性及其观点立场正确性做任何保证或承诺!文档内容仅供研究参考,付费前请自行鉴别。
3、如文档内容存在违规,或者侵犯商业秘密、侵犯著作权等,请点击“违规举报”。

碎片内容

内浮顶罐施工方案

文章天下+ 关注
实名认证
内容提供者

各种文档应有尽有

确认删除?
VIP
微信客服
  • 扫码咨询
会员Q群
  • 会员专属群点击这里加入QQ群
客服邮箱
回到顶部