电脑桌面
添加小米粒文库到电脑桌面
安装后可以在桌面快捷访问

电梯维修保养协议

电梯维修保养协议_第1页
1/6
电梯维修保养协议_第2页
2/6
电梯维修保养协议_第3页
3/6
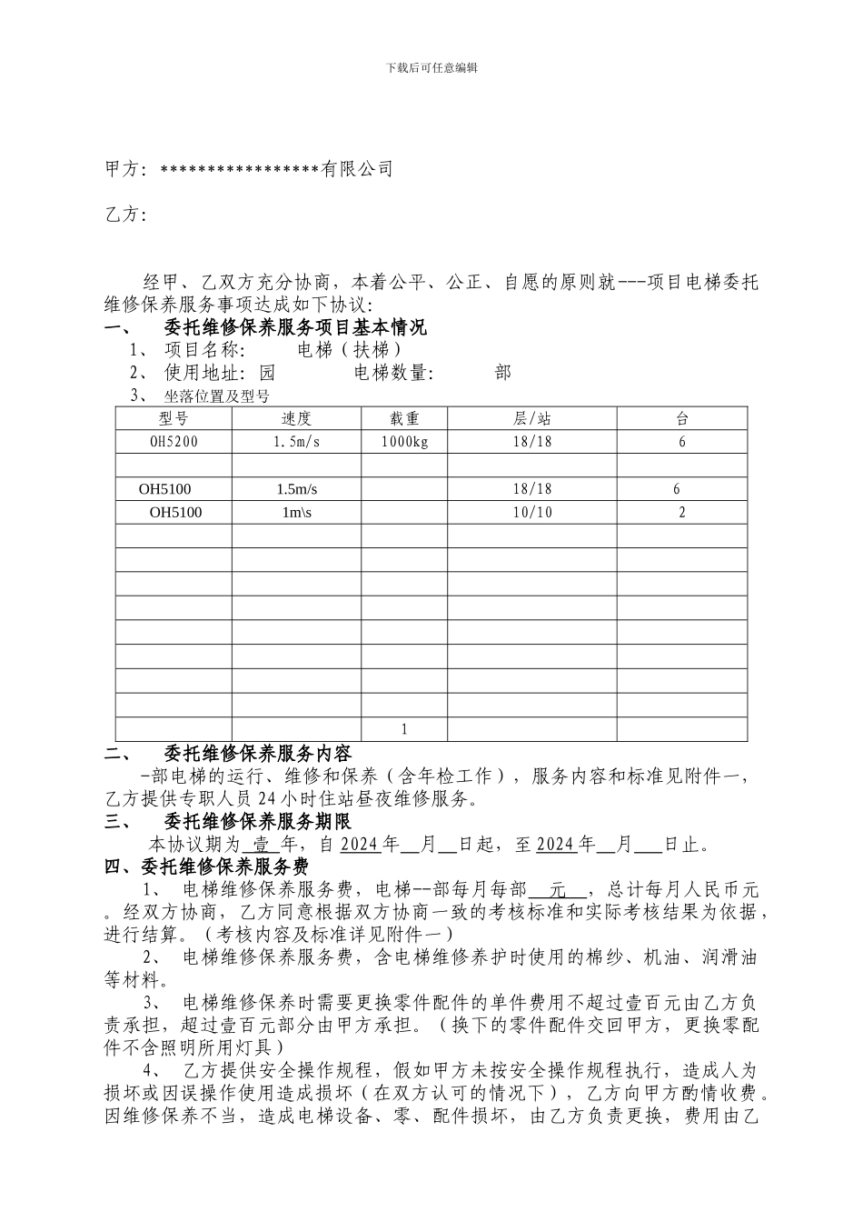
下载后可任意编辑电梯维修保养协议(项目)*************************有限公司电梯维修保养协议下载后可任意编辑甲方:*****************有限公司乙方:经甲、乙双方充分协商,本着公平、公正、自愿的原则就---项目电梯委托维修保养服务事项达成如下协议:一、委托维修保养服务项目基本情况1、 项目名称: 电梯(扶梯)2、 使用地址:园 电梯数量: 部3、 坐落位置及型号型号速度载重层/站台OH52001.5m/s1000kg18/186 OH51001.5m/s18/18 6 OH51001m\s10/1021二、委托维修保养服务内容-部电梯的运行、维修和保养(含年检工作),服务内容和标准见附件一,乙方提供专职人员 24 小时住站昼夜维修服务。三、委托维修保养服务期限本协议期为 壹 年,自 2024 年 月 日起,至 2024 年 月 日止。四、委托维修保养服务费1、 电梯维修保养服务费,电梯--部每月每部 元 ,总计每月人民币元 。经双方协商,乙方同意根据双方协商一致的考核标准和实际考核结果为依据 ,进行结算。(考核内容及标准详见附件一)2、 电梯维修保养服务费,含电梯维修养护时使用的棉纱、机油、润滑油等材料。3、 电梯维修保养时需要更换零件配件的单件费用不超过壹百元由乙方负责承担,超过壹百元部分由甲方承担。(换下的零件配件交回甲方,更换零配件不含照明所用灯具)4、 乙方提供安全操作规程,假如甲方未按安全操作规程执行,造成人为损坏或因误操作使用造成损坏(在双方认可的情况下),乙方向甲方酌情收费 。因维修保养不当,造成电梯设备、零、配件损坏,由乙方负责更换,费用由乙下载后可任意编辑方承担。五、 付款方式电梯维修保养服务费凭经考核后双方确认的实际付款金额按季度结算,每季度结算后 10 天内付清上季度款项,最后一次付款为取得电梯定期检验合格证后 10 天内。六、 权利和义务甲方1、甲方对乙方的工作有权进行监督、检查和考核。2、甲方在确认了乙方所完成的上季度维修保养工作和双方认可的考核结果后,支付相应的维修保养服务费。3、甲方为乙方提供进入维修现场的方便。4、甲方应设专人负责协调乙方工作,并给予乙方维修人员工作上必要的便利。5、 甲方应按乙方对电梯设备维修保养服务标准的要求,协助乙方做必要的工作,已保证电梯设备高效率安全运行。6、 甲方应拒绝非乙方人员或未经乙方许可的情况下进行维修和操作。7、 甲方应对乙方提出的修理申请报告书中的内容尽快进行审批。乙方1、 乙方在完成维修养护服...

1、当您付费下载文档后,您只拥有了使用权限,并不意味着购买了版权,文档只能用于自身使用,不得用于其他商业用途(如 [转卖]进行直接盈利或[编辑后售卖]进行间接盈利)。
2、本站所有内容均由合作方或网友上传,本站不对文档的完整性、权威性及其观点立场正确性做任何保证或承诺!文档内容仅供研究参考,付费前请自行鉴别。
3、如文档内容存在违规,或者侵犯商业秘密、侵犯著作权等,请点击“违规举报”。

碎片内容

电梯维修保养协议

确认删除?
VIP
微信客服
  • 扫码咨询
会员Q群
  • 会员专属群点击这里加入QQ群
客服邮箱
回到顶部