电脑桌面
添加小米粒文库到电脑桌面
安装后可以在桌面快捷访问

三宝、四口、五临边及种类防护

三宝、四口、五临边及种类防护_第1页
1/12
三宝、四口、五临边及种类防护_第2页
2/12
三宝、四口、五临边及种类防护_第3页
3/12
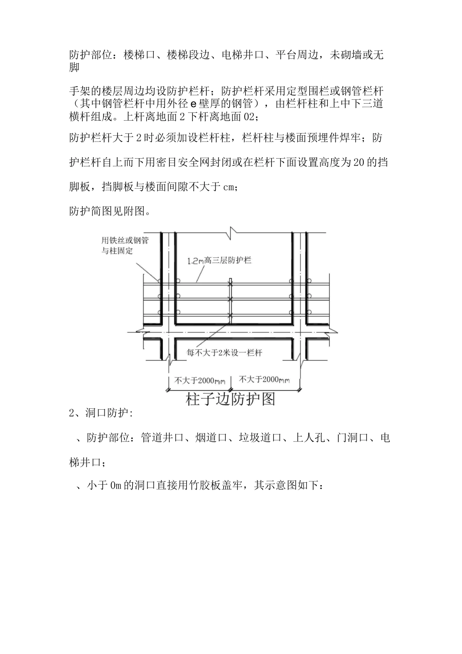
•、工程概况本工程为中医院综合楼项目,公建地块。地块位于黄松路东侧、长华路以东。建筑用地总面积为平方米二、编制依据《建筑施工扣件式钢管脚手架安全技术规范》《建筑施工手册第四版》《建筑施工安全检查标准》三、材料要求钢管:外径 e 壁厚,无严重锈蚀、弯曲、压扁或裂纹;扣件:有出场合格证,发现有脆裂、变形、滑丝的严禁使用;毛竹:外径 e,干燥型。木脚手板:厚 cm 的杉木或松木板,宽度 cm,板的两端 cm 处用镀锌铁丝箍绕圈;安全网材质符合规范要求,无破损,无腐蚀,干净清洁。必须有国家指定的监督、检验部门批量验证及出场检验合格证。四、人员组织:、主要搭设人员应经过培训合格,取得上岗证方能参加架子搭设工作;、有心脏病和高血压及不适应高空作业者严禁参加此项工作;、应设专人指挥,严格按照施工方案进行搭设;、作业人员必须戴安全帽,系安全带,穿防滑鞋。五、“三宝”防护:)安全帽的佩戴① 凡进入施工现场的所有人员,必须正确佩戴安全帽。作业中不得将安全帽脱下,搁置一旁,或当坐垫使用。② 安全帽使用前要认真检查帽壳、帽衬有无损坏现象,装配圈要牢固,顶绳要系紧。缺衬带或破损的安全帽禁止使用。③ 要正确佩戴安全帽。戴帽时要系紧下颌带,调整好帽衬间距,误使轻易松脱或颠动摇晃。④ 安全帽购买,必须按国家标准规定,检查是否备有产品检验合格证。严禁购买和使用不合格产品。)安全带的使用① 凡在及其以上高处作业,必须系好安全带。② 使用时要高挂低用,当做水平位置悬挂使用时,要注意摆动碰撞,不应将绳子打结使用,钩子挂在连接环上。③ 不得采购和使用不合格的安全带。④ 安全带一般使用五年应报废。使用两年后,按批量抽验。)安全网的使用工程施工过程中沿建筑物四周外脚手架均挂合格的密目式安全网进行全封闭,内侧脚手架与墙体间搭设兜网,操作层内侧挂立网。拆除时,操作工人系好安全带,自上而下进行,由专人进行监护,设警戒区并挂“禁止通行”等安全标志。六、防护措施:、临边防护:防护部位:楼梯口、楼梯段边、电梯井口、平台周边,未砌墙或无脚手架的楼层周边均设防护栏杆;防护栏杆采用定型围栏或钢管栏杆(其中钢管栏杆中用外径 e 壁厚的钢管),由栏杆柱和上中下三道横杆组成。上杆离地面 2 下杆离地面 02;防护栏杆大于 2 时必须加设栏杆柱,栏杆柱与楼面预埋件焊牢;防护栏杆自上而下用密目安全网封闭或在栏杆下面设置高度为 20 的挡脚板,挡脚板与楼...

1、当您付费下载文档后,您只拥有了使用权限,并不意味着购买了版权,文档只能用于自身使用,不得用于其他商业用途(如 [转卖]进行直接盈利或[编辑后售卖]进行间接盈利)。
2、本站所有内容均由合作方或网友上传,本站不对文档的完整性、权威性及其观点立场正确性做任何保证或承诺!文档内容仅供研究参考,付费前请自行鉴别。
3、如文档内容存在违规,或者侵犯商业秘密、侵犯著作权等,请点击“违规举报”。

碎片内容

三宝、四口、五临边及种类防护

您可能关注的文档

确认删除?
VIP
微信客服
  • 扫码咨询
会员Q群
  • 会员专属群点击这里加入QQ群
客服邮箱
回到顶部