电脑桌面
添加小米粒文库到电脑桌面
安装后可以在桌面快捷访问

输送带技术协议

输送带技术协议_第1页
1/3
输送带技术协议_第2页
2/3
输送带技术协议_第3页
3/3
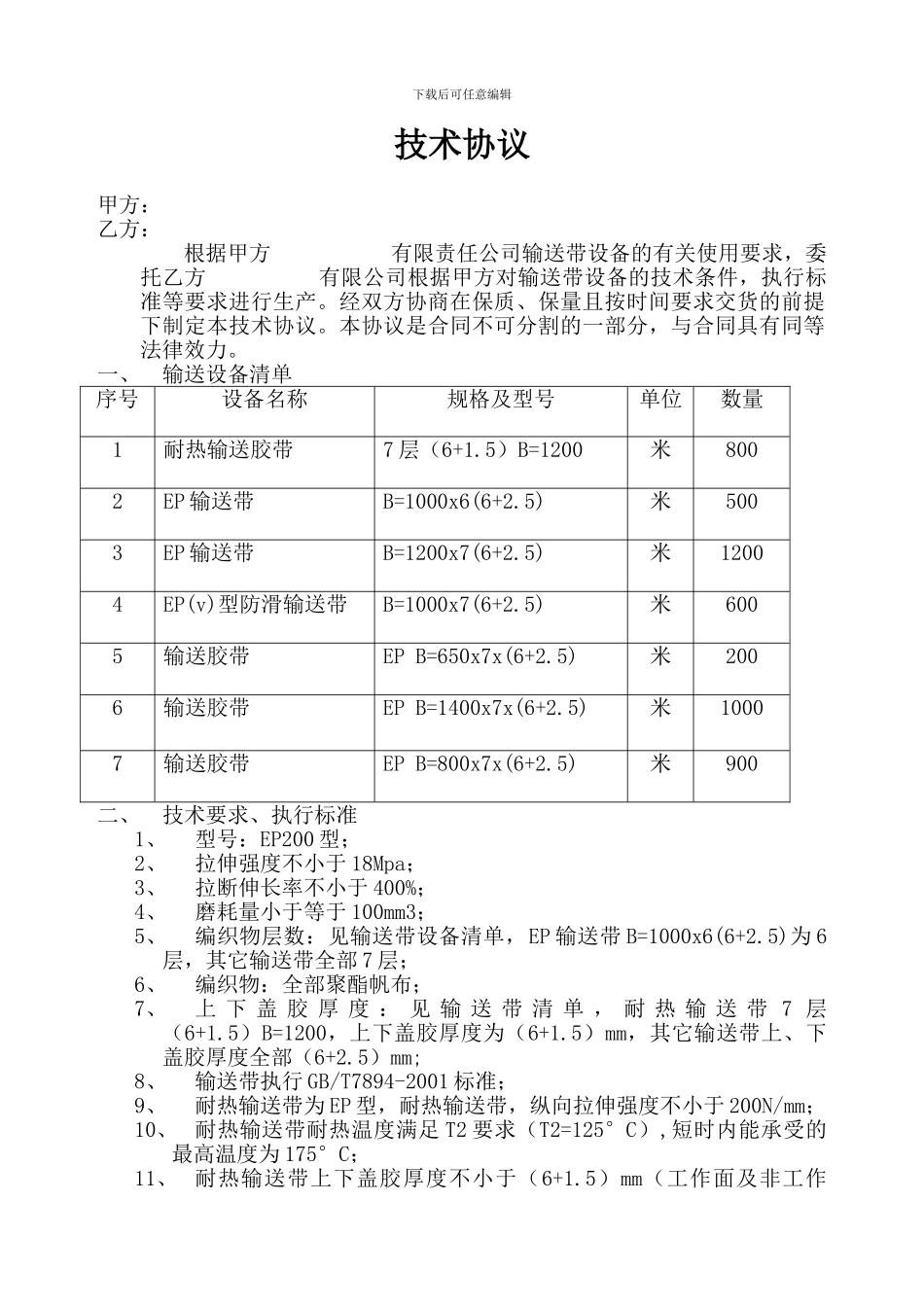
下载后可任意编辑技术协议甲方: 乙方:根据甲方 有限责任公司输送带设备的有关使用要求,委托乙方 有限公司根据甲方对输送带设备的技术条件,执行标准等要求进行生产。经双方协商在保质、保量且按时间要求交货的前提下制定本技术协议。本协议是合同不可分割的一部分,与合同具有同等法律效力。一、输送设备清单序号设备名称规格及型号单位数量1耐热输送胶带7 层(6+1.5)B=1200米8002EP 输送带B=1000x6(6+2.5)米5003EP 输送带B=1200x7(6+2.5)米12004EP(v)型防滑输送带B=1000x7(6+2.5)米6005输送胶带EP B=650x7x(6+2.5)米2006输送胶带EP B=1400x7x(6+2.5)米10007输送胶带EP B=800x7x(6+2.5)米900二、技术要求、执行标准1、型号:EP200 型;2、拉伸强度不小于 18Mpa;3、拉断伸长率不小于 400%;4、磨耗量小于等于 100mm3;5、编织物层数:见输送带设备清单,EP 输送带 B=1000x6(6+2.5)为 6层,其它输送带全部 7 层;6、编织物:全部聚酯帆布;7、上 下 盖 胶 厚 度 : 见 输 送 带 清 单 , 耐 热 输 送 带 7 层(6+1.5)B=1200,上下盖胶厚度为(6+1.5)mm,其它输送带上、下盖胶厚度全部(6+2.5)mm;8、输送带执行 GB/T7894-2001 标准;9、耐热输送带为 EP 型,耐热输送带,纵向拉伸强度不小于 200N/mm;10、 耐热输送带耐热温度满足 T2 要求(T2=125°C),短时内能承受的最高温度为 175°C;11、 耐热输送带上下盖胶厚度不小于(6+1.5)mm(工作面及非工作下载后可任意编辑面);12、 耐热输送带执行 GB/T20241-2205 标准;13、 输送带在高海拔地区使用,环境温度急骤变化情况下,不能产生裂纹和断裂;14、 输送带(包括耐热输送带)在带水环境使用时,输送带不得产生线层分裂和膨胀现象;15、 输送带(包括耐热输送带)必须严格按相关国家标准保质、保量地生产;16、 输送带出厂时必须附带有合格证,规格说明以及相关的检验证明。三、售后服务1、在交货期限前及时到货。2、输送带投入使用后质量保质期至少一年。3、输送带在现场检验和使用过程中发现输送带有质量问题,乙方必须在 48 小时内赶到现场处理相关事宜,如存在严重质量问题,乙方对出现严重质量问题的输送带无条件退货。4、乙方必须严格遵循售后承诺,提供及时、优质、周到的服务。5、乙方无偿提供与所供胶带量相适应的胶带粘接剂,并派技术人员现场指导胶带粘接。甲方: 乙方: 甲方代表签字 : 乙方代表签字 : 按...

1、当您付费下载文档后,您只拥有了使用权限,并不意味着购买了版权,文档只能用于自身使用,不得用于其他商业用途(如 [转卖]进行直接盈利或[编辑后售卖]进行间接盈利)。
2、本站所有内容均由合作方或网友上传,本站不对文档的完整性、权威性及其观点立场正确性做任何保证或承诺!文档内容仅供研究参考,付费前请自行鉴别。
3、如文档内容存在违规,或者侵犯商业秘密、侵犯著作权等,请点击“违规举报”。

碎片内容

输送带技术协议

您可能关注的文档

确认删除?
VIP
微信客服
  • 扫码咨询
会员Q群
  • 会员专属群点击这里加入QQ群
客服邮箱
回到顶部