电脑桌面
添加小米粒文库到电脑桌面
安装后可以在桌面快捷访问

建筑工程施工质量验收规范(主体资料)

建筑工程施工质量验收规范(主体资料)_第1页
1/69
建筑工程施工质量验收规范(主体资料)_第2页
2/69
建筑工程施工质量验收规范(主体资料)_第3页
3/69
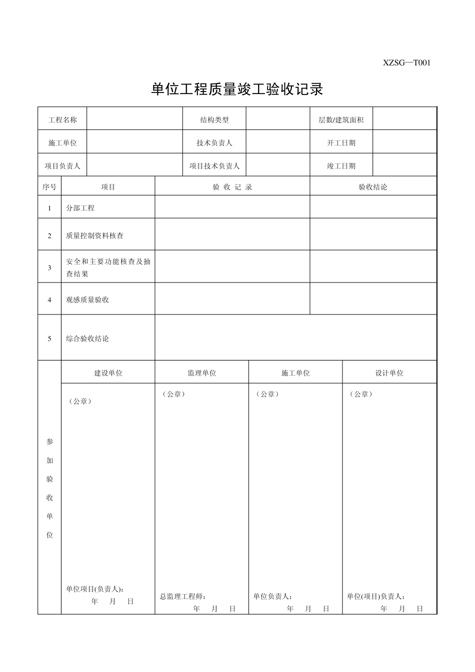
XZSG—T001 单位工程质量竣工验收记录 工程名称 结构类型 层数/建筑面积 施工单位 技术负责人 开工日期 项目负责人 项目技术负责人 竣工日期 序号 项目 验 收 记 录 验收结论 1 分部工程 2 质量控制资料核查 3 安全和主要功能核查及抽查结果 4 观感质量验收 5 综合验收结论 参 加 验 收 单 位 建设单位 监理单位 施工单位 设计单位 (公章) 单位项目(负责人): 年 月 日 (公章) 总监理工程师: 年 月 日 (公章) 单位负责人: 年 月 日 (公章) 单位(项目)负责人: 年 月 日 XZSG—T002 单位(子单位)工程质量控制资料核查记录 工程名称 施工单位 序号 项目 资 料 名 称 份数 核查意见 核查人 1 建 筑 与 结 构 图纸会审、设计变更、洽商记录 2 工程定位测量、放线记录 3 原材料出厂合格证及进场检验报告 4 施工试验报告及见证检测报告 5 隐蔽工程验收记录 6 施工记录 7 预制构件、预拌混凝土合格证 地基基础主体结构检验及抽样检测报告 8 分项、分部工程质量验收记录 工程质量事故及事故调查处理资料 新材料、新工艺施工记录 9 1 给 排 水 与 采 暖 图纸会审、设计变更、洽商记录 2 材料配件出厂合格证及进场检验报告 3 管道、设备强度试验、严密性试验记录 4 隐蔽工程验收表施工记录 5 系统清洗、灌水、通水、通球试验记录 6 施工记录 7 分项、分部工程质量验收记录 8 1 建 筑 电 气 图纸会审、设计变更、洽商记录 2 材料、设备出厂合格证及进场检验报告 3 设备调试记录 接地、绝缘电阻测试记录 4 隐蔽工程验收记录 7 施工记录 8 分项、分部工程质量验收报告 9 XZSG—T002 续 单位工程质量控制资料核查记录 工程名称 施工单位 序号 项目 资 料 名 称 份数 核查意见 核查人 1 通 风 与 空 调 图纸会审、设计变更、洽商记录 2 材料、设备出厂合格证及进场检(试)验报告 3 制冷、空调、水管道强度试验、严密性试验记录 4 隐蔽工程验收记录表 5 制冷设备运行调试记录 6 通风、空调系统调试记录 7 施工记录 8 分项、分部工程质量验收记录 9 1 电 梯 土建布置图纸会审、设计变更、洽商记录 2 设备出厂合格证书及开箱检验记录 3 隐蔽工程验收表 4 施工记录 5 接地、绝缘电阻测试记录 6 负荷试验、安全装置检查记录 7 分项、分部工程质量验收记录...

1、当您付费下载文档后,您只拥有了使用权限,并不意味着购买了版权,文档只能用于自身使用,不得用于其他商业用途(如 [转卖]进行直接盈利或[编辑后售卖]进行间接盈利)。
2、本站所有内容均由合作方或网友上传,本站不对文档的完整性、权威性及其观点立场正确性做任何保证或承诺!文档内容仅供研究参考,付费前请自行鉴别。
3、如文档内容存在违规,或者侵犯商业秘密、侵犯著作权等,请点击“违规举报”。

碎片内容

建筑工程施工质量验收规范(主体资料)

确认删除?
VIP
微信客服
  • 扫码咨询
会员Q群
  • 会员专属群点击这里加入QQ群
客服邮箱
回到顶部