电脑桌面
添加小米粒文库到电脑桌面
安装后可以在桌面快捷访问

开利螺杆机保养内容

开利螺杆机保养内容_第1页
1/8
开利螺杆机保养内容_第2页
2/8
开利螺杆机保养内容_第3页
3/8
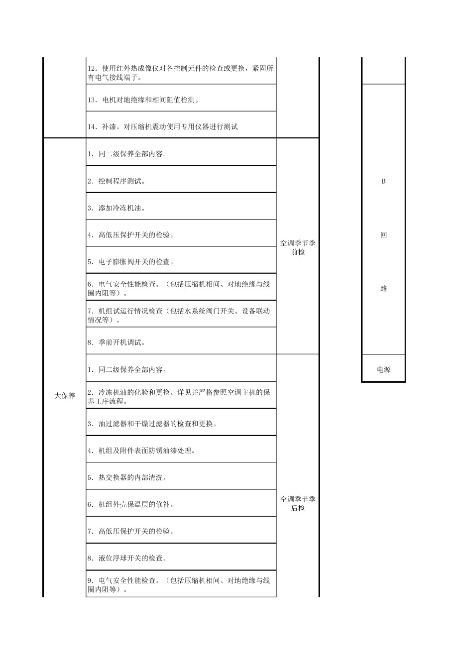
修程检修工作内容周期1.运行参数的检查与记录,并及时做数据分析;冷2.检查主机运行情况是否正常(噪音及振动情况等),或停用时的状态(油加热器)是否正常。冻3.表面破损锈蚀情况检查,视需要进行修补。水4.主机及周围环境的检查并视需要进行清扫。5.辅助设备及仪表功能的确定检查。冷6.检查冷媒充注量。却1.同日常巡检全部内容。水2.启动柜及控制箱的检查及清扫。3.连接螺栓与地脚螺栓的检查与紧固。4.电源线接点松脱检查。5.水流开关的检验、调整及更换。6.冷冻机油的检查及品质分析。A7.制冷系统泄漏检查。8.启动柜及电控箱内电气控制元器件的检查确认或更换。回9.添加制冷剂。10.温度、压力传感器的校验。路11.安全阀的检查或更换。每日空调季节季中检冷水机组设备检修周期与工作内容基本巡视季中检12.使用红外热成像仪对各控制元件的检查或更换,紧固所有电气接线端子。13.电机对地绝缘和相间阻值检测。14.补漆。对压缩机震动使用专用仪器进行测试1.同二级保养全部内容。2.控制程序测试。B3.添加冷冻机油。4.高低压保护开关的检验。回5.电子膨胀阀开关的检查。6.电气安全性能检查。(包括压缩机相间、对地绝缘与线圈内阻等)。路7.机组试运行情况检查(包括水系统阀门开关、设备联动情况等)。8.季前开机调试。1.同二级保养全部内容。电源2.冷冻机油的化验和更换。详见并严格参照空调主机的保养工序流程。3.油过滤器和干燥过滤器的检查和更换。4.机组及附件表面防锈油漆处理。5.热交换器的内部清洗。6.机组外壳保温层的修补。7.高低压保护开关的检验。8.液位浮球开关的检查。9.电气安全性能检查。(包括压缩机相间、对地绝缘与线圈内阻等)。空调季节季前检空调季节季后检大保养10.安全阀、蒸发器、冷凝器、油分离器检定。11.冷媒水排放及污垢清理。序号保养项目完成后请在□中打“ √”1通过Pro-Dialog显示面板检查机组运行情况,记录分析运行数据□2冷冻水进出水温度□3回路吸气、排气压力□4回路饱和吸气温度、冷凝温度□5压缩机三相电压及电流□6供电电压□7机组通电,检查有无警报□8检查电子膨胀阀工作情况□9检查电控系统的动作程序,清理控制/启动柜□10检查机组有无运转异常及振动□11机组能量调节装置动作正常□12机组控制箱内各电器元件是否有故障□13检查并收紧电路上的各电线接点□14拆卸冷凝器安全阀,送国家指定机构校验□15更换外置油过滤器□16更换干燥过滤器芯子□开利螺杆机年...

1、当您付费下载文档后,您只拥有了使用权限,并不意味着购买了版权,文档只能用于自身使用,不得用于其他商业用途(如 [转卖]进行直接盈利或[编辑后售卖]进行间接盈利)。
2、本站所有内容均由合作方或网友上传,本站不对文档的完整性、权威性及其观点立场正确性做任何保证或承诺!文档内容仅供研究参考,付费前请自行鉴别。
3、如文档内容存在违规,或者侵犯商业秘密、侵犯著作权等,请点击“违规举报”。

碎片内容

开利螺杆机保养内容

确认删除?
VIP
微信客服
  • 扫码咨询
会员Q群
  • 会员专属群点击这里加入QQ群
客服邮箱
回到顶部