电脑桌面
添加小米粒文库到电脑桌面
安装后可以在桌面快捷访问

开工报审资料

开工报审资料_第1页
1/28
开工报审资料_第2页
2/28
开工报审资料_第3页
3/28
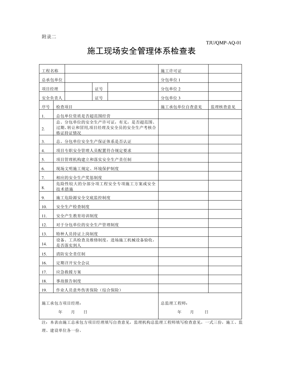
承包商开工前应报审资料 一.开工前需报备资料 1. 企业营业执照 2. 企业资质证书 3. 施工单位安全生产许可证 4. 项目经理、专职安全生产管理人员的安全生产考核合格证 5. 项目经理任命书 6. 项目经理资格证书 7. 安全员、质检员等其他管理人员资格证书 8. 特殊工种如电工、焊工、起重工等上岗证书(随工程进展,先报送,后上岗) 9. 焊工资格证书(锅炉、压力容器、压力管道特种设备操作人员证,国家质量监督检验检疫总局颁发) 10. 质量及安全管理体系名单 (联系方式),项目组织管理机构需公司发文。 二.开工前需报审资料 1. 施工现场质量管理检查记录(见附录1:GB50300表A.0.1) 2. 施工现场安全管理体系检查表(见附录 2:TJU/QMP-AQ-01) 3. 工程开工报告(具备施工许可证后出具) 4. 施工组织设计、安全方案、临时用电方案、危险性较大工程专项方案等需公司级审批后,向监理报审 5. 各种施工专项方案(依据具体情况而定,基本按分部工程分别报) 6. 施工进度计划 7. 单位、分部、分项工程划分表 8. 质量计划(含:质量控制点划分表) 9.施工机械和各种设施的安全许可验收手续情况 10.拟用计量器具一览 表及相 关 的检测 证明 (如水 准 仪 、经纬 仪 等) 11、分包单位资格报审 (如有 ) 请 在 开工前将 以 上资料准 备齐 全,如有 疑 问 ,可与 我 部进行 沟 通 。 有 关 其它 的过 程控制程序 和要 求 ,在 首 次 监理例 会 上,我 方将 会 对 你 方进行 交 底 。 附:监理表式 TJU 项目监理机构 附 录 一 表 A.0.1 施工现场 质 量 管 理 检 查 记 录 开工日期: 工程名称 施工许可证号 建设单位 项目负责人 设计单位 项目负责人 监理单位 总监理工程师 施工单位 项目经理 项目技术负责人 序号 项 目 主 要 内 容 1 现场质量管理制度 2 质量责任制 3 主要专业工种操作上岗证书 4 分包方资质与对分包单位的管理制度 5 施工图审查情况 6 地质勘察资料 7 施工组织设计、施工方案及审批 8 施工技术标准 9 工程质量检验制度 1 0 搅拌站及计量设置 1 1 现场材料、设备存放与管理 1 2 检查结论: 总监理工程师: (建设单位项目负责人) 年 月 日 注:施工现场质量管理检查记录应由施工单位按表 A.0.1 填写,总监理工程师(建设单位项目负责人)进行检...

1、当您付费下载文档后,您只拥有了使用权限,并不意味着购买了版权,文档只能用于自身使用,不得用于其他商业用途(如 [转卖]进行直接盈利或[编辑后售卖]进行间接盈利)。
2、本站所有内容均由合作方或网友上传,本站不对文档的完整性、权威性及其观点立场正确性做任何保证或承诺!文档内容仅供研究参考,付费前请自行鉴别。
3、如文档内容存在违规,或者侵犯商业秘密、侵犯著作权等,请点击“违规举报”。

碎片内容

开工报审资料

您可能关注的文档

确认删除?
VIP
微信客服
  • 扫码咨询
会员Q群
  • 会员专属群点击这里加入QQ群
客服邮箱
回到顶部