电脑桌面
添加小米粒文库到电脑桌面
安装后可以在桌面快捷访问

异步电动机直接转矩控制基本原理

异步电动机直接转矩控制基本原理_第1页
1/18
异步电动机直接转矩控制基本原理_第2页
2/18
异步电动机直接转矩控制基本原理_第3页
3/18
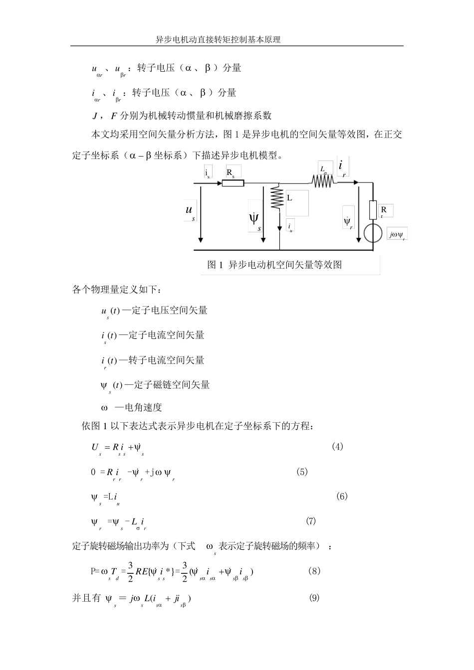
异步电机动直接转矩控制基本原理 异步电动机直接转矩控制基本原理 从1985 年德国鲁尔大学德彭布洛克(Depenbrock)教授首次提出直接转矩控制理论以来,短短十几年时间,直接转矩控制理论以它简明的系统结构,优良的静、动态性能得到迅猛发展和应用。 1 异步电动机的数学模型 异步电机数学模型是一个高阶、强耦合、多变量、非线性系统。理想状态下(一般这样假设)电机三相(定、转子)均对称,定、转子表面光滑,无齿槽效应,电机气隙磁势在空间正弦分布,铁心涡流、饱和及磁滞损耗不计。在固定坐标系下( , ,0),用异步电机转子的量来表示异步电机数学模型(则有ru =ru =0)。基本方程如下: rrssrrrmmrrrmmmssmssssiiiiLRLLLLLRLLLLRLLRuu........000000 (1 ) )()(rsrsmpsssspeiiiiLniinT (2 ) pepnFTLTdtnJd (3 ) sR 、sL :定子电阻和自感 rR 、rL :转子电阻和自感 mL :定子互感  :电机转子角速度,即机械角速度 su 、su :定子电压( 、  )分量 si 、si :定子电流( 、  )分量 异步电机动直接转矩控制基本原理 ru 、ru :转子电压( 、 )分量 ri 、ri :转子电压( 、 )分量 J ,F 分别为机械转动惯量和机械磨擦系数 本文均采用空间矢量分析方法,图1 是异步电机的空间矢量等效图,在正交定子坐标系( 坐标系)下描述异步电机模型。 各个物理量定义如下: )(tus—定子电压空间矢量 )(tis—定子电流空间矢量 )(tir—转子电流空间矢量 )(ts—定子磁链空间矢量  —电角速度 依图1 以下表达式表示异步电机在定子坐标系下的方程: ssssiRU (4) 0 =rriR -r +jr (5) s =Lui (6) r =s -riL (7) 定子旋转磁场输出功率为(下式s 表示定子旋转磁场的频率): P=dsT=*}{23ssiRE =)(23ssssii (8) 并且有 s. =)(sssjiiLj (9) ri Lis Rs Rr surj L ui r.s. 图1 异步电动机空间矢量等效图 异步电机动直接转矩控制基本原理 把表达式(9)分解到( )坐标下得: sssssLi. (10) sssss...

1、当您付费下载文档后,您只拥有了使用权限,并不意味着购买了版权,文档只能用于自身使用,不得用于其他商业用途(如 [转卖]进行直接盈利或[编辑后售卖]进行间接盈利)。
2、本站所有内容均由合作方或网友上传,本站不对文档的完整性、权威性及其观点立场正确性做任何保证或承诺!文档内容仅供研究参考,付费前请自行鉴别。
3、如文档内容存在违规,或者侵犯商业秘密、侵犯著作权等,请点击“违规举报”。

碎片内容

异步电动机直接转矩控制基本原理

您可能关注的文档

确认删除?
VIP
微信客服
  • 扫码咨询
会员Q群
  • 会员专属群点击这里加入QQ群
客服邮箱
回到顶部