电脑桌面
添加小米粒文库到电脑桌面
安装后可以在桌面快捷访问

弯头、三通生产工艺

弯头、三通生产工艺_第1页
1/8
弯头、三通生产工艺_第2页
2/8
弯头、三通生产工艺_第3页
3/8
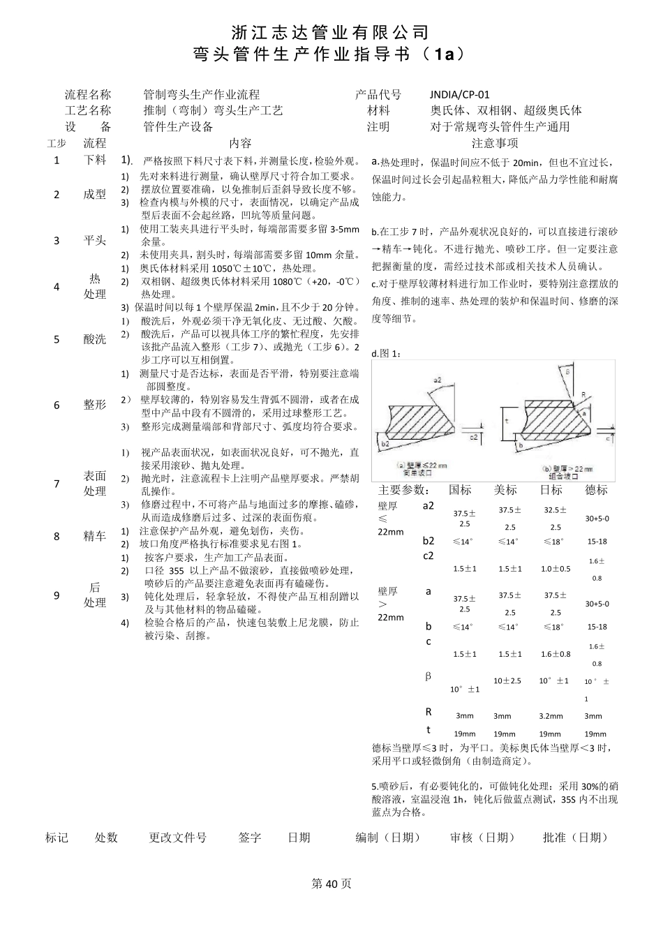
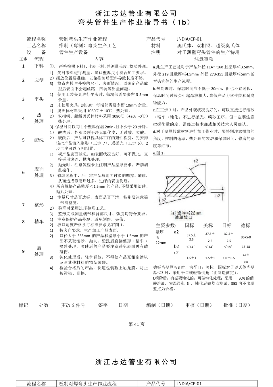
浙江志达管业 有 限 公 司 弯 头 管件 生 产 作 业 指 导 书 ( 1 a ) 流程名称 管制弯头生产作业流程 产品代号 JNDIA/CP-01 工艺名称 推制(弯制)弯头生产工艺 材料 奥氏体、双相钢、超级奥氏体 设 备 管件生产设备 注明 对于常规弯头管件生产通用 工步 流程 内容 注意事项 1 下料 1). 严格按照下料尺寸表下料,并测量长度,检验外观。 a.热处理时,保温时间应不低于 20min,但也不宜过长,保温时间过长会引起晶粒粗大,降低产品力学性能和耐腐蚀能力。 b.在工步 7 时,产品外观状况良好的,可以直接进行滚砂→精车→钝化。不进行抛光、喷砂工序。但一定要注意把握衡量的度,需经过技术部或相关技术人员确认。 c.对于壁厚较薄材料进行加工作业时,要特别注意摆放的角度、推制的速率、热处理的装炉和保温时间、修磨的深度等细节。 d.图1: 主要参数: 国标 美标 日标 德标 壁厚 ≤ 22mm a2 37.5±2.5 37.5±2.5 32.5±2.5 30+5-0 b2 ≤14° ≤14° ≤18° 15-18 c2 1.5±1 1.5±1 1.0±0.5 1.6±0.8 壁厚 > 22mm a 37.5±2.5 37.5±2.5 37.5±2.5 30+5-0 b ≤14° ≤14° ≤18° 15-18 c 1.5±1 1.5±1 1.6±0.8 1.6±0.8 β 10°±1 10±2.5 10°±1 10 ° ±1 R 3mm 3mm 3.2mm 3mm t 19mm 19mm 19mm 19mm 德标当壁厚≤3 时,为平口。美标奥氏体当壁厚<3 时,采用平口或轻微倒角(由制造商定)。 5.喷砂后,有必要钝化的,可做钝化处理:采用 30%的硝酸溶液,室温浸泡 1h,钝化后做蓝点测试,35S 内不出现蓝点为合格。 2 成型 1) 先对来料进行测量,确认壁厚尺寸符合加工要求。 2) 摆放位置要准确,以免推制后歪斜导致长度不够。 3) 检查内模与外模的尺寸,表面情况,以确定产品成型后表面不会起丝路,凹坑等质量问题。 3 平头 1) 使用工装夹具进行平头时,每端部需要多留 3-5mm余量。 2) 未使用夹具,割头时,每端部需要多留 10mm 余量。 4 热 处理 1) 奥氏体材料采用 1050℃±10℃,热处理。 2) 双相钢、超级奥氏体材料采用 1080℃(+20,-0℃)热处理。 3) 保温时间以每 1 个壁厚保温 2min,且不少于 20 分钟。 5 酸洗 1 ) 酸洗后,外观必须干净无氧化皮、无过酸、欠酸。 2 ) 酸洗后,产品可以视具体工序的繁忙程度,先安排该批产品流入整形(工步 7)、或抛光(工步 6)。2...

1、当您付费下载文档后,您只拥有了使用权限,并不意味着购买了版权,文档只能用于自身使用,不得用于其他商业用途(如 [转卖]进行直接盈利或[编辑后售卖]进行间接盈利)。
2、本站所有内容均由合作方或网友上传,本站不对文档的完整性、权威性及其观点立场正确性做任何保证或承诺!文档内容仅供研究参考,付费前请自行鉴别。
3、如文档内容存在违规,或者侵犯商业秘密、侵犯著作权等,请点击“违规举报”。

碎片内容

弯头、三通生产工艺

确认删除?
VIP
微信客服
  • 扫码咨询
会员Q群
  • 会员专属群点击这里加入QQ群
客服邮箱
回到顶部