电脑桌面
添加小米粒文库到电脑桌面
安装后可以在桌面快捷访问

强化冷凝管(内外螺纹管)

强化冷凝管(内外螺纹管)_第1页
1/6
强化冷凝管(内外螺纹管)_第2页
2/6
强化冷凝管(内外螺纹管)_第3页
3/6
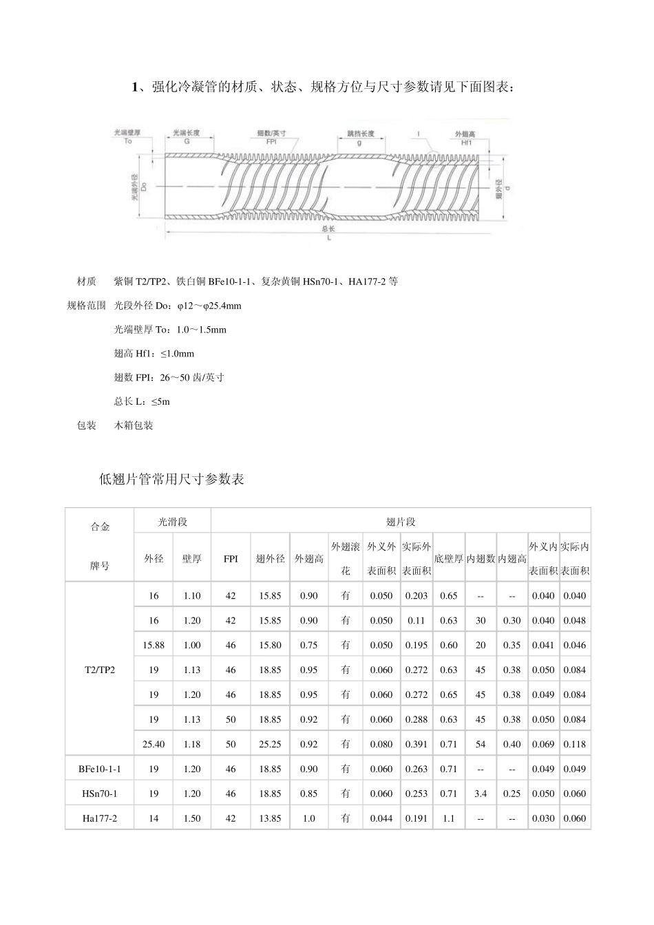
强化冷凝管(内外螺纹管) 产品概述 强化冷凝管主要应用于离心式冷冻机、冷水机组以及较小温差条件下的壳管式换热器。 对于外表面冷凝,强化冷凝管改进了管外翅型,使其管外翅片距更小并具有尖锐的锯齿型切口,是一种新型的热交换管。因此它与其它管型相比,不只是简单地增加了管外换热面积,而且在冷媒经过时将其分割成很薄的流层,层间摩擦产生紊流扰动,改变了冷媒的流动方式,所以具有很高的热传导效率。另外,由于其特殊的三维翅型特征,当冷媒沿管的纵向流动时,可显著降低压力损失。该管的内表面还可以加工出螺旋槽,以进一步提高内表面的换热面积和紊流作用,增加了综合换热能力。此种强化新管型使换热器的体积和重量可相应缩小,达到了节能降本的要求。 此种管型也适用于高粘度的冷媒,在套管型热交换器中使用时效果亦佳。 1 、强化冷凝管的材质、状态、规格方位与尺寸参数请见下面图表: 材质 紫铜 T2/TP2、铁白铜 BFe10-1-1、复杂黄铜 HSn70-1、HA177-2 等 规格范围 光段外径 Do:φ12~φ25.4mm 光端壁厚 To:1.0~1.5mm 翅高 Hf1:≤1.0mm 翅数 FPI:26~50 齿/英寸 总长 L:≤5m 包装 木箱包装 低翘片管常用尺寸参数表 合金 牌号 光滑段 翅片段 外径 壁厚 FPI 翅外径 外翅高 外翅滚花 外义外表面积 实际外表面积 底壁厚 内翅数 内翅高 外义内表面积 实际内表面积 T2/TP2 16 1.10 42 15.85 0.90 有 0.050 0.203 0.65 -- -- 0.040 0.040 16 1.20 42 15.85 0.90 有 0.050 0.11 0.63 30 0.30 0.040 0.048 15.88 1.00 46 15.80 0.75 有 0.050 0.195 0.60 20 0.35 0.041 0.046 19 1.13 46 18.85 0.95 有 0.060 0.272 0.63 45 0.38 0.050 0.084 19 1.20 46 18.85 0.95 有 0.060 0.272 0.65 45 0.38 0.049 0.084 19 1.13 50 18.85 0.92 有 0.060 0.288 0.63 45 0.38 0.050 0.084 25.40 1.18 50 25.25 0.92 有 0.080 0.391 0.71 54 0.40 0.069 0.118 BFe10-1-1 19 1.20 46 18.85 0.90 有 0.060 0.263 0.71 -- -- 0.049 0.049 HSn70-1 19 1.20 46 18.85 0.85 有 0.060 0.253 0.71 3.4 0.25 0.050 0.060 Ha177-2 14 1.50 42 13.85 1.0 有 0.044 0.191 1.1 -- -- 0.030 0.060 2 、低翘片管 低翘片管产品概述 低翘片管主要应用于空调和冷冻设备中的冷...

1、当您付费下载文档后,您只拥有了使用权限,并不意味着购买了版权,文档只能用于自身使用,不得用于其他商业用途(如 [转卖]进行直接盈利或[编辑后售卖]进行间接盈利)。
2、本站所有内容均由合作方或网友上传,本站不对文档的完整性、权威性及其观点立场正确性做任何保证或承诺!文档内容仅供研究参考,付费前请自行鉴别。
3、如文档内容存在违规,或者侵犯商业秘密、侵犯著作权等,请点击“违规举报”。

碎片内容

强化冷凝管(内外螺纹管)

您可能关注的文档

小辰5+ 关注
实名认证
内容提供者

出售各种资料和文档

确认删除?
VIP
微信客服
  • 扫码咨询
会员Q群
  • 会员专属群点击这里加入QQ群
客服邮箱
回到顶部