电脑桌面
添加小米粒文库到电脑桌面
安装后可以在桌面快捷访问

施工图审查要点(强电)

施工图审查要点(强电)_第1页
1/18
施工图审查要点(强电)_第2页
2/18
施工图审查要点(强电)_第3页
3/18
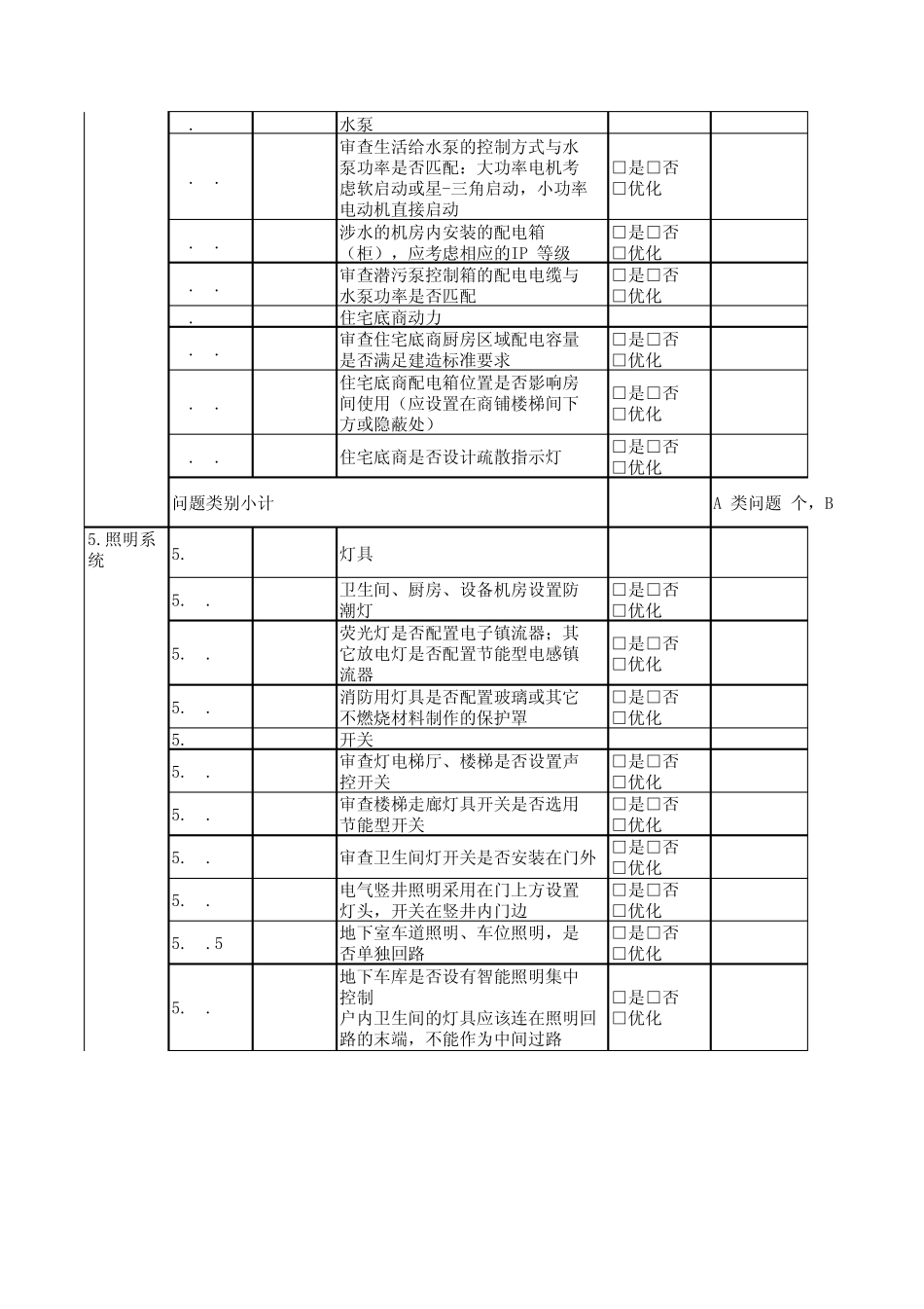
部位分项序号问题类别审查内容施工图完成情况评定审查说明1.1设计文件是否完整2.1设计依据2.1.1审查设计内容是否与设计任务书及设计要求相符□是□否□优化2.1.2审查设计界线与范围是否满足要求□是□否□优化2.1.3审查是否有电气计算书□是□否□优化2.1.4设计说明内需增加供电部分说明:明确供电规划、变电所的设置及供电范围等□是□否□优化2.1.5审查设计文件电量的预留部分(景观照明、广告照明、厨房等)是否满足建造标准□是□否□优化2.2图例符号2.2.1审查照明灯具图例是否含光源参数□是□否□优化2.2.2审查插座图例安装高度是否满足使用要求□是□否□优化2.2.3审查墙上开关、温控器等设备安装高度是否一致□是□否□优化3.1电源情况3.1.1审查用电负荷等级是否与建筑物匹配□是□否□优化3.2变配电所位置3.2.1审查变配电所位置是否设置在负荷中心□是□否□优化3.2.2审查变配电所低压供电半径是否满足供电局要求:不超过250 米□是□否□优化3.2.3审查变配电所正上方是否设有卫生间、设备机房等用水房间□是□否□优化3.2.4变电所是否未设在住户正下□是□否□优化3.变配电系统施工图审查要点 □强电 执行时间:项目名称: 编号: 时间:问题类别小计A 类问题 个,B问题类别小计A 类问题 个,B1.设计文件2.设计总说明3.2.5审查变电所是否设有通风散热等措施□是□否□优化3.2.6审查变压器的运输通道是否预留,运输通道是否与变压器尺寸匹配□是□否□优化3.2.7审查各配变电所电缆沟内,是否考虑有排水措施□是□否□优化3.3设备3.3.1审查变压器负荷率是否在65%~85%之间□是□否□优化3.3.2审查变电所设备平面布置是否满足规范的安全距离要求;审查变电所设备平面布置在运行、维护、巡视方面是否合理□是□否□优化3.3.3审查低压配电柜备用回路设置是否满足不低于20%的扩容要求□是□否□优化3.3.4公共区域普通照明配电箱预留回路是否为20%□是□否□优化3.3.5应急照明箱是否未设置备用回路□是□否□优化3.4接地3.4.1审查变配电所是否有两处接地点□是□否□优化3.4.2审查变压器中性接地线规格与变压器容量是否匹配□是□否□优化3.5进出线3.5.1审查高压电缆出线敷设路由是否由总变电所直接至分变电所□是□否□优化3.5.2审查是否预留进出建筑物管线□是□否□优化3.6发电机3.6.1审查发电机房位置是否与变电所贴邻或临近□是□否□优化3.6.2审查发电机房净高是否与发电机容量匹配□是□否□优化3.6.3审查发电机房进排风竖井设置...

1、当您付费下载文档后,您只拥有了使用权限,并不意味着购买了版权,文档只能用于自身使用,不得用于其他商业用途(如 [转卖]进行直接盈利或[编辑后售卖]进行间接盈利)。
2、本站所有内容均由合作方或网友上传,本站不对文档的完整性、权威性及其观点立场正确性做任何保证或承诺!文档内容仅供研究参考,付费前请自行鉴别。
3、如文档内容存在违规,或者侵犯商业秘密、侵犯著作权等,请点击“违规举报”。

碎片内容

施工图审查要点(强电)

确认删除?
VIP
微信客服
  • 扫码咨询
会员Q群
  • 会员专属群点击这里加入QQ群
客服邮箱
回到顶部