电脑桌面
添加小米粒文库到电脑桌面
安装后可以在桌面快捷访问

景观水水质检测项目及其标准值的确定

景观水水质检测项目及其标准值的确定_第1页
1/6
景观水水质检测项目及其标准值的确定_第2页
2/6
景观水水质检测项目及其标准值的确定_第3页
3/6
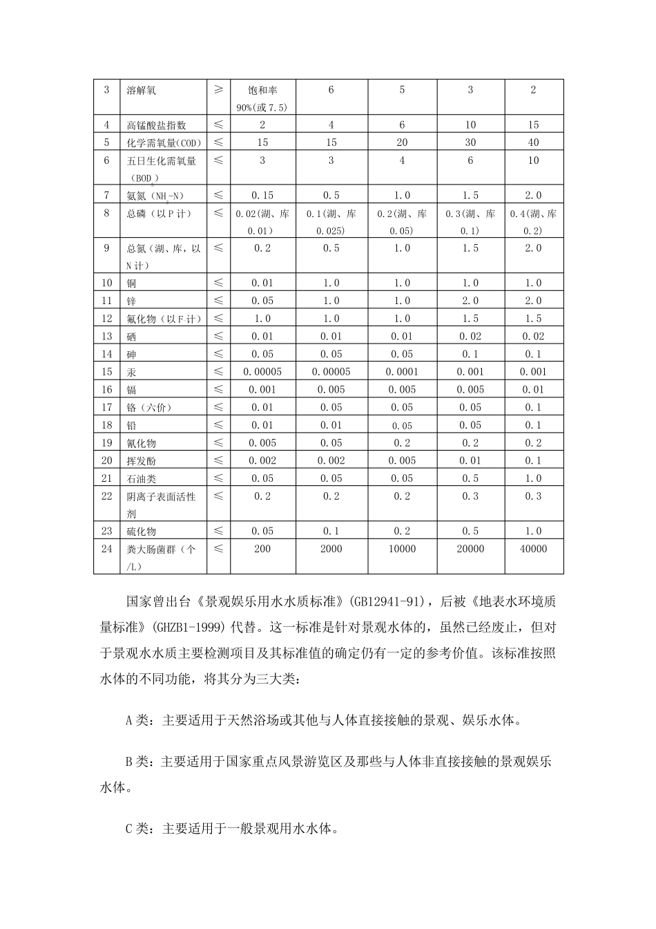
景 观 水 水 质 检 测 项 目 及 其 标 准 值 的 确 定 一 、 景 观 水 适 用 的 水 质 标 准 我 国 现 行 的 地 表 水 水 质 标 准 是 《 中 华 人 民 共 和 国 地 表 水 环 境 质 量 标 准 》(GB3838-2002), 此 标 准 是 对 《 地 面 水 环 境 质 量 标 准 》 (GB 3838-83)的 第 三 次 修订 , 1988 年 为 第 一 次 修 订 , 1999 年 为 第 二 次 修 订 。 本 标 准 自 2002 年 6 月 1 日 起实 施 , 《 地 面 水 环 境 质 量 标 准 》 (GB 3838-88)和 《 地 表 水 环 境 质 量 标 准 》(GHZB1-1999)同 时 废 止 。 《 地 表 水 环 境 质 量 标 准 》 (GB3838-2002) 依 据 地 表 水 水 域 环 境 功 能 和 保 护 目标 , 按 功 能 高 低 依 次 划 分 为 五 类 : Ⅰ 类 : 主 要 适 用 于 源 头 水 、 国 家 自 然 保 护 区 ; Ⅱ 类 : 主 要 适 用 于 集 中 式 生 活 饮 用 水 地 表 水 源 地 一 级 保 护 区 、 珍 稀 水 生 生 物栖 息 地 、 鱼 虾 类 产 卵 场 、 仔 稚 幼 鱼 的 索 饵 场 等 ; Ⅲ 类 :主 要 适 用 于 集 中 式 生 活 饮 用 水 地 表 水 源 地 二 级 保 护 区 、鱼 虾 类 越 冬 场 、洄 游 通 道 、 水 产 养 殖 区 等 渔 业 水 域 及 游 泳 区 ; Ⅳ 类 主 要 适 用 于 一 般 工 业 用 水 区 及 人 体 非 直 接接触的 娱乐用 水 区 ; Ⅴ类 主 要 适 用 于 农业 用 水 区 及 一 般 景 观 要 求水 域 。 表 1 地 表 水 环 境 质 量 标 准 基本 项 目 标 准 限值 (单位: mg/L) 序号 项 目 分 类 Ⅰ 类 Ⅱ 类 Ⅲ 类 Ⅳ 类 Ⅴ类 1 水 温(℃) 人 为 造成的 环 境 水 温变化应限制在: 周平均最大温升≤1 周平均最大温降≤2 2 pH 值 (无 量 纲 ) 6~9 3 溶解氧 ≥ 饱和率90%(或7.5) 6 5 3 2 4 高锰酸盐指数 ≤ 2 4 6 10 15 5 化学需氧量(COD) ≤ 15 15 20 30 40 6 五日生化需氧量(BOD5) ≤ 3 3 4 6 10 7 氨氮(NH3-N) ≤ 0.15 0.5 1.0 1.5 2.0...

1、当您付费下载文档后,您只拥有了使用权限,并不意味着购买了版权,文档只能用于自身使用,不得用于其他商业用途(如 [转卖]进行直接盈利或[编辑后售卖]进行间接盈利)。
2、本站所有内容均由合作方或网友上传,本站不对文档的完整性、权威性及其观点立场正确性做任何保证或承诺!文档内容仅供研究参考,付费前请自行鉴别。
3、如文档内容存在违规,或者侵犯商业秘密、侵犯著作权等,请点击“违规举报”。

碎片内容

景观水水质检测项目及其标准值的确定

小辰+ 关注
实名认证
内容提供者

出售各种文档和资料

相关文档

确认删除?
VIP
微信客服
  • 扫码咨询
会员Q群
  • 会员专属群点击这里加入QQ群
客服邮箱
回到顶部