电脑桌面
添加小米粒文库到电脑桌面
安装后可以在桌面快捷访问

智能枪(弹)柜管理系统技术方案

智能枪(弹)柜管理系统技术方案_第1页
1/12
智能枪(弹)柜管理系统技术方案_第2页
2/12
智能枪(弹)柜管理系统技术方案_第3页
3/12
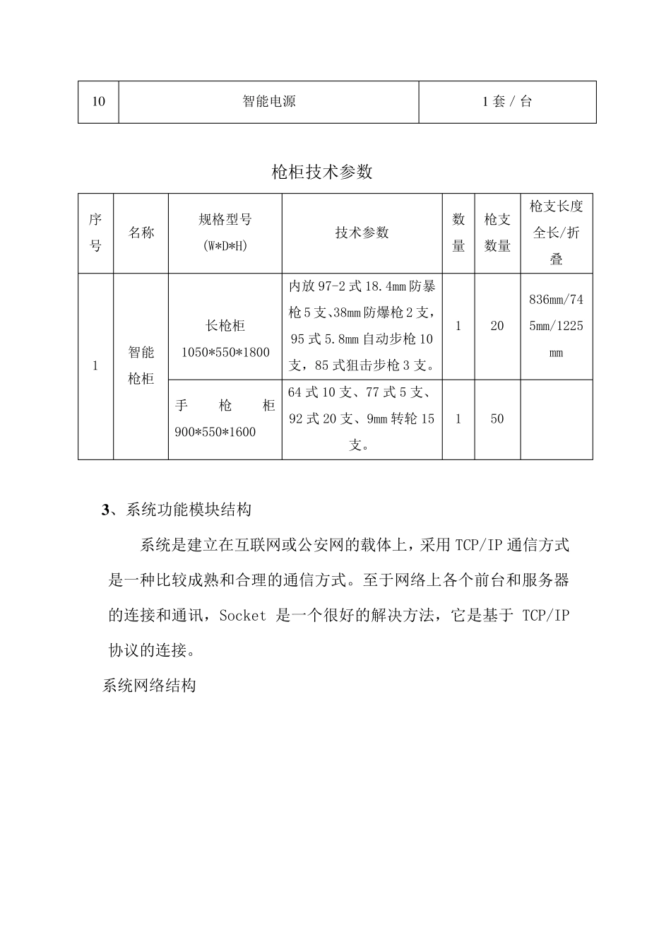
智能枪(弹)柜管理系统技术方案 一、项目概况 科学有效、严格规范地对公安警务枪弹实施安全有效的管理,对于防止人为违规使用枪支弹药、警员涉枪违法违纪事件的发生有着重要的作用;对全面推进公安机关的警务规范化建设和队伍的现代化、正规化建设有着重要的现实意义。随着网络的普及和应用,智能枪弹管理系统也应该朝着网络世界发展,为此我们为枪库建设枪支管理系统和安防等系统,以实现智能枪支管理系统的远程监控管理、远程控制,使枪支管理更科学化、规范化、智能化。 智能枪支管理系统,是一套针对公务用枪管理工作特点,集用枪审批登记、用枪超时报警、多级网络监控等多种功能于一体,综合运用计算机软件、活体指纹识别、移动短讯、数码自控和数据库处理技术等多种先进技术的枪支、弹药管理系统。它实现了枪弹的领用及归还过程的智能化管理以及超时用枪报警,枪支状态检测,远程查询、授权和监控等功能,取代了过去繁 琐 的人工管理操 作,使枪弹的管理使用达 到 了规范化、科学化;完 全符 合公安系统警务规范化建设的要求 。 为了提 高 枪库的管理水 平 和保 证 枪弹库的安全,需 要系统同 时具 备 视 频 监控系统、人脸 比 对系统、指纹门 禁 系统、防盗 报警系统和防雷 系统,对智能枪支管理系统的顺 利 运行 ,有效地减 少 在 管理枪支弹药的过程中 的漏 洞 ,保 证 枪支弹药的安全提 供 保 障 ! 二 、智能枪(弹)柜管理系统要求 : 1、标准要求: 符合《中华人民共和国枪支管理法》、《公安机关公务用枪管理使用办法》的有关规定:枪弹分离;枪弹双人领还;报警和监控系统等。 符合GB10409-2001中A1级别标准。 符合公安部 GA 1051-2013《枪支弹药专用保险柜》标准(提供按公安部新标准检测的检测报告,不能出示正本或不能提供者,视为不达标。) 2、系统设备配置: 黄山市公安局智能枪/弹柜管理系统设备配置 序号 设备 数量 1 智能枪柜(手枪柜) 1 台(规格按方案定) 2 智能枪柜(长枪柜) 1 台(规格按方案定) 3 智能管理软件 1 套/项目 4 管理电脑 1 套/项目 5 图像监控系统(含软件) 1 套/台 6 指纹系统(指纹+密码+针孔摄像头一体触摸屏) 1 套/台 7 全自动卡扣枪锁和枪位检测系统 按枪支数量配置/台 8 远程及现场报警系统 1 套/台 9 机械防盗锁 2 把/台 枪柜技术参数 序号 名称 规格型号 (W*D*H) 技术参数 ...

1、当您付费下载文档后,您只拥有了使用权限,并不意味着购买了版权,文档只能用于自身使用,不得用于其他商业用途(如 [转卖]进行直接盈利或[编辑后售卖]进行间接盈利)。
2、本站所有内容均由合作方或网友上传,本站不对文档的完整性、权威性及其观点立场正确性做任何保证或承诺!文档内容仅供研究参考,付费前请自行鉴别。
3、如文档内容存在违规,或者侵犯商业秘密、侵犯著作权等,请点击“违规举报”。

碎片内容

智能枪(弹)柜管理系统技术方案

确认删除?
VIP
微信客服
  • 扫码咨询
会员Q群
  • 会员专属群点击这里加入QQ群
客服邮箱
回到顶部