电脑桌面
添加小米粒文库到电脑桌面
安装后可以在桌面快捷访问

最新xx公司客户订单流程管理制度

最新xx公司客户订单流程管理制度_第1页
1/9
最新xx公司客户订单流程管理制度_第2页
2/9
最新xx公司客户订单流程管理制度_第3页
3/9
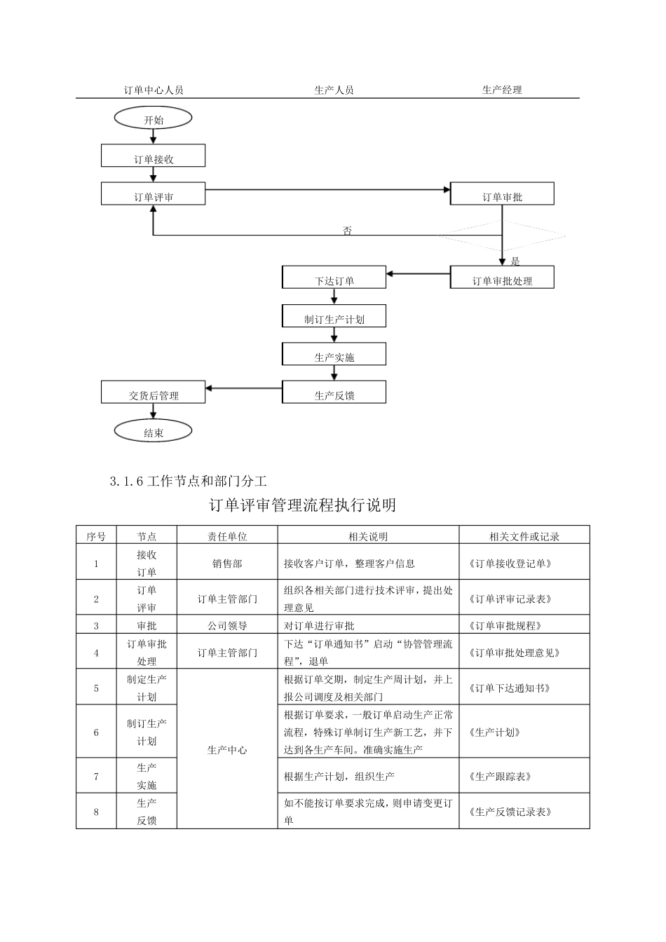
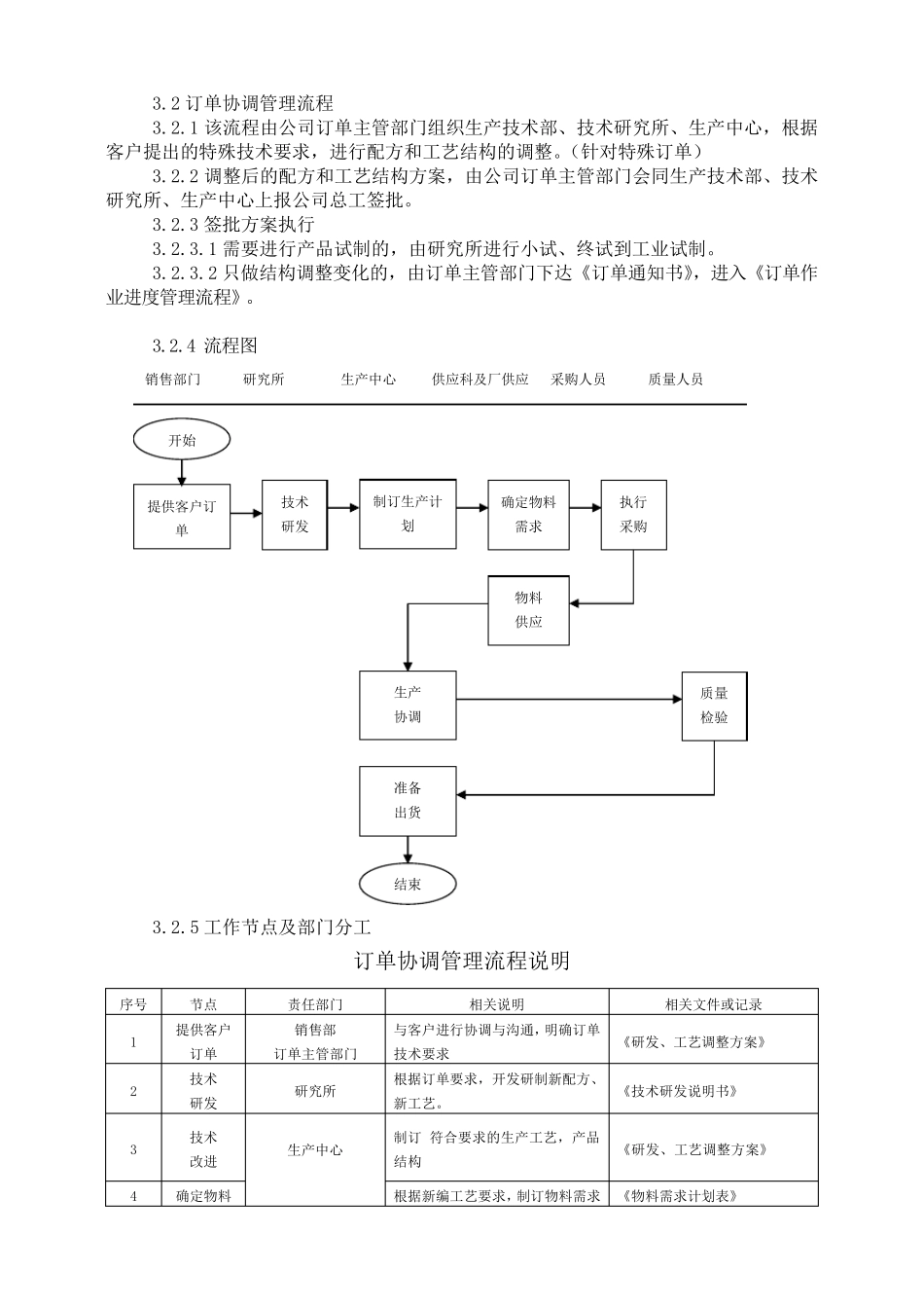
x x 公司客户订单流程管理制度 1.目的 加强公司客户订单流程管理,体现从销售到生产环节的良好对接,实现产品加工过程安全、高效、低耗、按期交货,提高客户满意度。 2、适应范围: 2.1 本制度适用于公司的客户订单的流程管理。 2.2 本制度适用于订单中心各级人员(包括经理、具体责任人)。 3、流程管理 3.1 订单评审管理流程 3.1.1 该流程由订单主管部门组织公司生产中心、生产技术部、研究所、销售部、质量管理、合同签订人对订单进行技术评审,提出处理意见。 3.1.2 对能满足客户(合同)要求的一般订单准备技术、原材料预案,对技术偏离较大的特殊订单由生产厂和客户进行沟通,达成处理意见,由销售部报请公司领导签批。 3.1.3 根据领导签批 3.1.3.1 由订单主管部门下达《订单通知书》,转入《订单作业进度管理流程》。 3.1.3.2 客户同意加工的,由订单主管部门进入《订单协管流程》。 3.1.3.3 客户协商不成的,由销售部进行退单并做好退单记录。 3.1.4 按公司规定合同额小于***万元,且无特殊技术要求或库存直接提货的只报公司领导签批,不再进行技术评审。 3.1.5 流程图(图 1) 3.1.6 工作节点和部门分工 订单评审管理流程执行说明 序号 节点 责任单位 相关说明 相关文件或记录 1 接收 订单 销售部 接收客户订单,整理客户信息 《订单接收登记单》 2 订单 评审 订单主管部门 组织各相关部门进行技术评审,提出处理意见 《订单评审记录表》 3 审批 公司领导 对订单进行审批 《订单审批规程》 4 订单审批处理 订单主管部门 下达“订单通知书”启动“协管管理流程”,退单 《订单审批处理意见》 5 制定生产计划 生产中心 根据订单交期,制定生产周计划,并上报公司调度及相关部门 《订单下达通知书》 6 制订生产计划 根据订单要求,一般订单启动生产正常流程,特殊订单制订生产新工艺,并下达到各生产车间。准确实施生产 《生产计划》 7 生产 实施 根据生产计划,组织生产 《生产跟踪表》 8 生产 反馈 如不能按订单要求完成,则申请变更订单 《生产反馈记录表》 订单中心人员 生产人员 生产经理 订单审批处理 结束 下达订单 制订生产计划 生产实施 生产反馈 交货后管理 订单接收 开始 订单评审 订单审批 是 否 3.2 订单协调管理流程 3.2.1 该流程由公司订单主管部门组织生产技术部、技术研究所、生产中心,根据客户提出的特殊技术要求,...

1、当您付费下载文档后,您只拥有了使用权限,并不意味着购买了版权,文档只能用于自身使用,不得用于其他商业用途(如 [转卖]进行直接盈利或[编辑后售卖]进行间接盈利)。
2、本站所有内容均由合作方或网友上传,本站不对文档的完整性、权威性及其观点立场正确性做任何保证或承诺!文档内容仅供研究参考,付费前请自行鉴别。
3、如文档内容存在违规,或者侵犯商业秘密、侵犯著作权等,请点击“违规举报”。

碎片内容

最新xx公司客户订单流程管理制度

确认删除?
VIP
微信客服
  • 扫码咨询
会员Q群
  • 会员专属群点击这里加入QQ群
客服邮箱
回到顶部