电脑桌面
添加小米粒文库到电脑桌面
安装后可以在桌面快捷访问

行业可能产生的危险废物提示表

行业可能产生的危险废物提示表_第1页
1/18
行业可能产生的危险废物提示表_第2页
2/18
行业可能产生的危险废物提示表_第3页
3/18
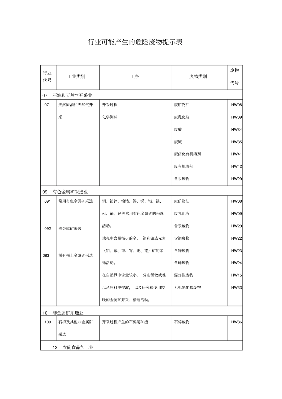
行业可能产生的危险废物提示表行业代号工业类别工序废物类别废物代号07 石油和天然气开采业071天然原油和天然气开采开采过程化学测试废矿物油废乳化液废酸废碱废卤化有机溶剂废有机溶剂含汞废物HW08HW09HW34HW35HW41HW42HW2909 有色金属矿采选业091092093 常用有色金属矿采选贵金属矿采选稀有稀土金属矿采选铜、铅锌、镍钴、锡、锑、铝、镁、汞、镉、铋等常用有色金属矿的采选活动。地壳中含量极少的金、 银和铂族元素(铂、铱、锇、钌、钯、铑)矿的采选活动。在自然界中含量较小, 分布稀散或难以从原料中提取, 以及研究和使用较晚的金属矿开采、精选活动。废矿物油废乳化液含汞废物含铜废物含锌废物含砷废物爆炸性废物无机氰化物废物HW08HW09HW29HW22HW23HW24HW15HW3310 非金属矿采选业109石棉及其他非金属矿采选开采过程产生的石棉尾矿渣石棉废物HW3613农副食品加工业行业代号工业类别工序废物类别废物代号130食品加工精制过程质量检测废酸废碱废有机试剂(其它有害性的化学试剂)HY22HY22HW34HW35HW4214 食品制造业140食品制造食品加工过程质量检测废酸废碱废有机试剂(其它有害性的化学试剂)HY22HW34HW35HW4215 饮料制造业151152153酒精制造饮用酒的制造软饮料的制造质量检测与印刷业( 23)类同的工序生产缸或储存缸清洗清洗容器生产缸或储存缸清洗、清洗容器废酸废碱废有机溶剂(典型的印刷业废物)废卤化有机溶剂参照《危险废物来源及代码表》HW34HW35HW42HW4117 纺织业171172174(棉)印染业毛染整业丝印染业化学测试煮炼溶剂清洗丝光处理废酸废碱废卤化有机溶剂HW34HW35HW41176针织品业(含针织品的漂白、染色、后处理等)酸性碳化与印刷业( 23)类同的工序废有机溶剂典型印刷业的废物(176 行业代码的部分废物参照《危险废物来源及代码表》 )HW4219 皮革、毛皮、羽绒及其制品业行业代号工业类别工序废物类别废物代号191192193制革业皮革制品制造业毛皮鞣制及制品业干洗溶剂清洗灰浸酸蚀铬鞣再鞣光漆涂布喷漆皮革切削废酸废碱废卤化有机溶剂废有机溶剂制革边角料和废水处理污泥(原属严控废物,现按危险 废 物 普查 , 代 码193-005-21 )HW34HW35HW41HW42HW2120 木材加工及竹、藤、棕、草制品业201木材加工及竹、藤、棕、草制品业木材防腐木材胶合木材其它加工过程有机树脂类废物木材防腐剂废物(其它参照《危险废物来源及代码表》)HW13HW0521 家具制造业211212213214219木质家具制造竹、藤家具制造金属家...

1、当您付费下载文档后,您只拥有了使用权限,并不意味着购买了版权,文档只能用于自身使用,不得用于其他商业用途(如 [转卖]进行直接盈利或[编辑后售卖]进行间接盈利)。
2、本站所有内容均由合作方或网友上传,本站不对文档的完整性、权威性及其观点立场正确性做任何保证或承诺!文档内容仅供研究参考,付费前请自行鉴别。
3、如文档内容存在违规,或者侵犯商业秘密、侵犯著作权等,请点击“违规举报”。

碎片内容

行业可能产生的危险废物提示表

确认删除?
VIP
微信客服
  • 扫码咨询
会员Q群
  • 会员专属群点击这里加入QQ群
客服邮箱
回到顶部