电脑桌面
添加小米粒文库到电脑桌面
安装后可以在桌面快捷访问

设备管理绩效全案

设备管理绩效全案_第1页
1/8
设备管理绩效全案_第2页
2/8
设备管理绩效全案_第3页
3/8
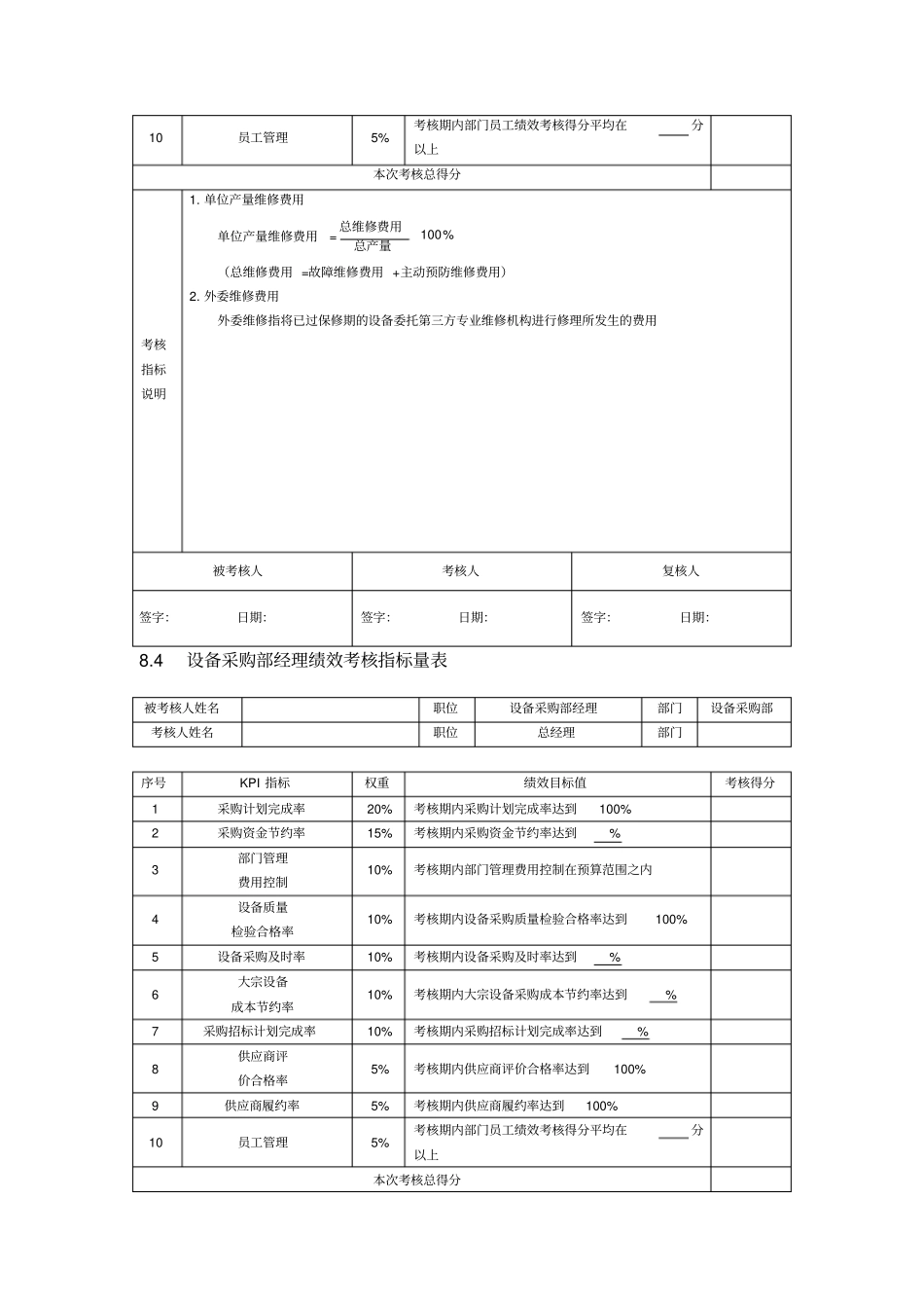
设备管理人员绩效考核8.1 设备动力部关键绩效考核指标序号KPI 指标考核周期指标定义 / 公式资料来源1万元产值维修费用率季/ 年度%100总产值(以万元计)维修费用总额设备动力部2动力设备系统故障停机率季/ 年度%100时实际开动台时+停机台台时动力设备系统故障停机设备动力部3动力设备检修作业计划完成率季/ 年度%100检修作业计划量量动力设备检修作业完成设备动力部4动力系统维护及时率季/ 年度%100数动力系统应维护的总次数动力系统维护及时的次设备动力部5设备保养计划按时完成率季/ 年度%100设备保养计划完成数规定时间内完成保养数设备动力部6设备购置计划编制及时率季/ 年度%100次数设备购置计划编制的总的次数设备购置计划编制及时设备动力部7主设备完好率季/ 年度%100主设备总台数主设备完好台数设备动力部8设备档案归档率季/ 年度%100设备档案总数设备档案归档数设备动力部设备管理专员关键绩效目标计划表指标维度指标名称绩效目标设备大修计划设备大修计划的可行性设备大修计划是否可行设备大修计划完成率设备大修计划完成率达到xx%以上设备采购成本控制设备采购成本年度采购成本费用控制在xx 万元以内设备维修和使用设备维修率设备维修率达到xx%以上设备利用率设备利用率达到xx%以上设备完好率和事故发生率设备完好率设备完好率达到xx%以上设备事故发生率重大设备事故发生率在x‰以内安全管理专员关键绩效目标计划表指标维度指标名称绩效目标安全设施管理员工工伤事故发生率员工工伤事故发生率控制在x‰安全检查设备完好率设备完好率达到xx%以上安全教育与培训每月组织员工安全生产培训次数每月组织员工安全生产培训x 次安全培训的覆盖率安全培训的覆盖率达到x%以上8.2 设备能源部关键绩效考核指标序号KPI 指标考核周期指标定义 / 公式资料来源1设备故障停机率季 / 年度%100时实际开动台时+停机台设备故障停机台时设备能源部2万元产值维修费用率季 / 年度%100总产值(以万元计)维修费用总额财务部3设备检修作业计划完成率季 / 年度%100检修作业计划量设备检修作业完成量设备能源部4能源供应计划按时完成率季 / 年度%100能源供应计划完成量能源供应按时完成量设备能源部5能源消耗定额标准编制准确率季 / 年度%100标准编制的总次数标准编制准确的次数设备能源部6设备保养计划按时完成率季 / 年度%100设备保养计划完成数规定时间内完成保养数设备能源部7设备购置计划编制及时率季 / 年度%100次数设备购...

1、当您付费下载文档后,您只拥有了使用权限,并不意味着购买了版权,文档只能用于自身使用,不得用于其他商业用途(如 [转卖]进行直接盈利或[编辑后售卖]进行间接盈利)。
2、本站所有内容均由合作方或网友上传,本站不对文档的完整性、权威性及其观点立场正确性做任何保证或承诺!文档内容仅供研究参考,付费前请自行鉴别。
3、如文档内容存在违规,或者侵犯商业秘密、侵犯著作权等,请点击“违规举报”。

碎片内容

设备管理绩效全案

确认删除?
VIP
微信客服
  • 扫码咨询
会员Q群
  • 会员专属群点击这里加入QQ群
客服邮箱
回到顶部