电脑桌面
添加小米粒文库到电脑桌面
安装后可以在桌面快捷访问

设计变更作业流程

设计变更作业流程_第1页
1/8
设计变更作业流程_第2页
2/8
设计变更作业流程_第3页
3/8
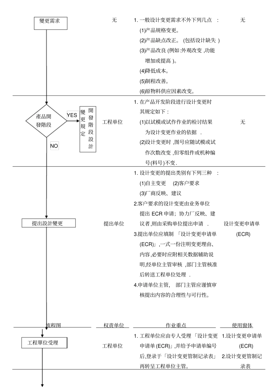
1.目的为使设计与开发变更作业能循一定程序执行,以维护技术数据之正确性及产品质量的可靠度,同时规范设计与开发变更之识别、记录、审查、核准与传达等相关事项,特制定本流程。2.适用范围凡本公司生产的产品及其附属之原物料、零组件因功能需求、客户要求、设计错误、制造或组装问题等,而对原设计进行修改或加强之设计变更均适用之。3.名词解释:3.1 ECR:Engineering Change Request,设计变更申请。3.2 ECN:Engineering Change Notice,设计变更通知。4.权责:4.1各单位权责(1)设计变更的申请:A.本公司内部任一单位若有设计变更之需求时,皆可依本设计变更的申请流程提出申请。B.客户要求设计变更时 ,由业务单位提出申请。C.本公司第三方建议设计变更时,由采购单位提出申请。(2)工程单位:A.负责受理设计变更之申请与编号,并做必要性可行性与影响性的评估与判定。B.实施与督导设计变更案件的进行。C.设计变更案件执行后,应将信息传达本公司各相关单位。(3)生管单位:A.协助调查厂内待设变物料状况。B.设计变更后,督导生产单位、仓储单位管制设计变更前后物料,避免混料。(4)采购单位:A.协助调查厂商处待设变之物料状况。B.设计变更后,应对厂商发行设变后工程图面,回收设变前图面,同时督导厂商处理设变前之物料。(5)生产部门:A.依 ECN 规定管制设变前后物料 ,避免混料。B.设计变更后,修订相关作业标准及治工具。(6)品管部门:A.协助生产单位管制设变前后物料。B.设计变更后,修订相关检验标准及治具。4.2本流程由工程单位负责制定,推动与检讨改善。5.内容:如作业流程所示。6.附则:本作业流程经总经理核准后实施,修改时亦同。7.附件:7.1设计变更申请单 (ECR)(2-3-01-01)7.2设计变更管制记录表( 2-3-01-02)7.3ECR物料调查表( 2-3-01-03)7.4设计变更通知单 (ECN) (2-3-01-04)8.相关文件:8.1试模试作管理办法8.2图面管理办法8.3厂商管理流程设计变更作业流程流程图权责单位作业重点使用窗体无1. 一般设计变更需求不外下列几点: (1)产品规格变更。(2)产品缺点改正。 (包括设计缺失 ) (3)产品改良 (例如:外观改变 ,功能增加或提高 )。(4)降低成本。(5)制程改善。(6)原物料供应因素改变。无工程单位1. 在产品开发阶段进行设计变更时其规定如下 : (1)以试模或试作作业的检讨结果为设计变更作业的依据 . (2)设计变更时 ,图号应随试模或试作次数改变 ,但零组件或机种编号(料号)不变. 无...

1、当您付费下载文档后,您只拥有了使用权限,并不意味着购买了版权,文档只能用于自身使用,不得用于其他商业用途(如 [转卖]进行直接盈利或[编辑后售卖]进行间接盈利)。
2、本站所有内容均由合作方或网友上传,本站不对文档的完整性、权威性及其观点立场正确性做任何保证或承诺!文档内容仅供研究参考,付费前请自行鉴别。
3、如文档内容存在违规,或者侵犯商业秘密、侵犯著作权等,请点击“违规举报”。

碎片内容

设计变更作业流程

您可能关注的文档

文库当当响+ 关注
实名认证
内容提供者

该用户很懒,什么也没介绍

确认删除?
VIP
微信客服
  • 扫码咨询
会员Q群
  • 会员专属群点击这里加入QQ群
客服邮箱
回到顶部