电脑桌面
添加小米粒文库到电脑桌面
安装后可以在桌面快捷访问

试验四-三相异步电动机的机械特性测定

试验四-三相异步电动机的机械特性测定_第1页
1/5
试验四-三相异步电动机的机械特性测定_第2页
2/5
试验四-三相异步电动机的机械特性测定_第3页
3/5
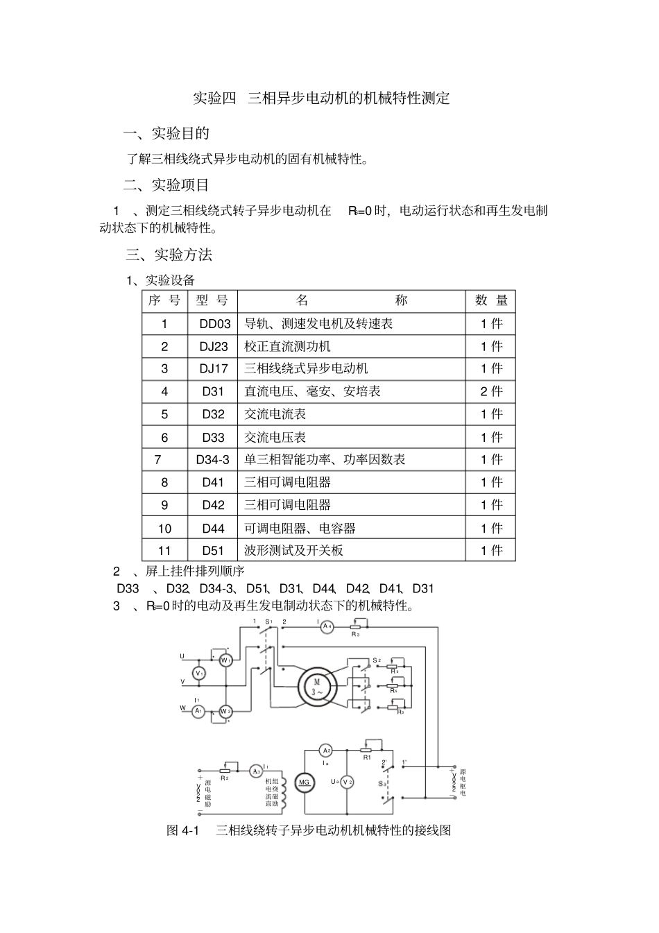
上海开放大学电气传动技术及应用实验四三相异步电动机的机械特性测定实验报告分校:_____ ______班级:__________________学生姓名: __________________学号:__________________实验成绩: __________________批阅教师: __________________实验日期年月日实验四 三相异步电动机的机械特性测定一、实验目的了解三相线绕式异步电动机的固有机械特性。二、实验项目 1、测定三相线绕式转子异步电动机在RS=0 时,电动运行状态和再生发电制动状态下的机械特性。三、实验方法1、实验设备序 号型 号名称数 量1DD03导轨、测速发电机及转速表1 件2DJ23校正直流测功机1 件3DJ17三相线绕式异步电动机1 件4D31直流电压、毫安、安培表2 件5D32交流电流表1 件6D33交流电压表1 件 7D34-3单三相智能功率、功率因数表1 件8D41三相可调电阻器1 件9D42三相可调电阻器1 件10D44可调电阻器、电容器1 件11D51波形测试及开关板1 件 2、屏上挂件排列顺序 D33、D32、D34-3、D51、D31、D44、D42、D41、D31 3、RS=0时的电动及再生发电制动状态下的机械特性。图 4-1 三相线绕转子异步电动机机械特性的接线图A 2V 2MGR12'S 2R s+-+-A1I 1V 1UVWRsRsU aI aR 2A 4R 3II f220V励磁电源直流电机励磁绕组220V电枢电源1'S 112W 1W 2****(1)按图 4-1 接线, 图中 M用编号为 DJ17的三相线绕式异步电动机,额定电压: 220V,Y 接法。 MG用编号为 DJ23 的校正直流测功机。 S1、S2、、S3选用 D51挂箱上的对应开关,并将S1合向左边 1 端,S2合在左边短接端(即线绕式电机转子短路),S3合在 2' 位置。R1选用 D44的 180Ω 阻值加上 D42上四只 900Ω 串联再加两只 900Ω 并联共 4230Ω 阻值,R2选用 D44上 1800Ω 阻值,RS选用 D41上三组 45Ω 可调电阻 ( 每组为 90Ω 与 90Ω 并联 ) ,并用万用表调定在 36Ω 阻值, R3暂不接。直流电表 A2、A4的量程为 5A,A3量程为 200mA,V2的量程为 1000V,交流电表 V1的量程为 150V,A1量程为 2.5A。转速表 n 置正向 1800r/min 量程。 (2) 确定 S1合在左边 1 端,S2合在左边短接端, S3合在 2' 位置,M的定子绕组接成星形的情况下。把R1、R2阻值置最大位置,将控制屏左侧三相调压器旋钮向逆时针方向旋到底,即把输出电压调到零。(3) 检查控制屏下方“直流电机电源”的“励磁电源”开关及“电枢电源”开关都须在断开位置。接通三相调压...

1、当您付费下载文档后,您只拥有了使用权限,并不意味着购买了版权,文档只能用于自身使用,不得用于其他商业用途(如 [转卖]进行直接盈利或[编辑后售卖]进行间接盈利)。
2、本站所有内容均由合作方或网友上传,本站不对文档的完整性、权威性及其观点立场正确性做任何保证或承诺!文档内容仅供研究参考,付费前请自行鉴别。
3、如文档内容存在违规,或者侵犯商业秘密、侵犯著作权等,请点击“违规举报”。

碎片内容

试验四-三相异步电动机的机械特性测定

您可能关注的文档

爱的疯狂+ 关注
实名认证
内容提供者

该用户很懒,什么也没介绍

确认删除?
VIP
微信客服
  • 扫码咨询
会员Q群
  • 会员专属群点击这里加入QQ群
客服邮箱
回到顶部