电脑桌面
添加小米粒文库到电脑桌面
安装后可以在桌面快捷访问

试验室检测频率及要求

试验室检测频率及要求_第1页
1/12
试验室检测频率及要求_第2页
2/12
试验室检测频率及要求_第3页
3/12
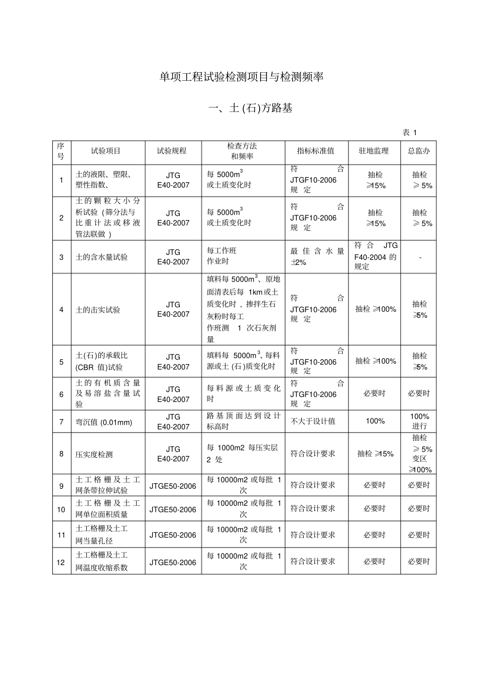
单项工程试验检测项目与检测频率一、土 (石)方路基表 1 序号试验项目试验规程检查方法和频率指标标准值驻地监理总监办1 土的液限、塑限、塑性指数、JTG E40-2007 每 5000m3 或土质变化时符合JTGF10-2006规 定抽检≥15% 抽检≥ 5%2 土 的 颗 粒 大 小 分析试验 (筛分法与比 重 计 法 或 移 液管法联做 ) JTG E40-2007 每 5000m3 或土质变化时符合JTGF10-2006规 定抽检≥15% 抽检≥ 5%3 土的含水量试验JTG E40-2007 每工作班作业时最 佳 含 水 量±2% 符 合JTG F40-2004 的规定- 4 土的击实试验JTG E40-2007 填料每 5000m3、原地面清表后每 1km或土质变化时 , 掺拌生石灰粉时每工作班测1 次石灰剂量符合JTGF10-2006规 定抽检 ≥100% 抽检≥5% 5 土(石)的承载比(CBR 值)试验JTG E40-2007 填料每 5000m3、每料源或土 (石 )质变化时符合JTGF10-2006规 定抽检 ≥100% 抽检≥5% 6 土 的 有 机 质 含 量及 易 溶 盐 含 量 试验JTG E40-2007 每 料 源 或 土 质 变 化时符合JTGF10-2006规 定必要时必要时7 弯沉值 (0.01mm) JTG E40-2007 路 基 顶 面 达 到 设 计标高时不大于设计值100% 100%进行8 压实度检测JTG E40-2007 每 1000m2 每压实层2 处符合设计要求抽检 ≥15% 抽检≥ 5%变区≥100% 9 土 工 格 栅 及 土 工网条带拉伸试验JTGE50-2006 每 10000m2 或每批 1 次符合设计要求必要时必要时10 土 工 格 栅 及 土 工网单位面积质量JTGE50-2006 每 10000m2 或每批 1 次符合设计要求必要时必要时11 土工格栅及土工网当量孔径JTGE50-2006 每 10000m2 或每批 1 次符合设计要求必要时必要时12 土工格栅及土工网温度收缩系数JTGE50-2006 每 10000m2 或每批 1 次符合设计要求必要时必要时二、软基处理表 2 序号试验项目试验规程检查方法和频率指标标准值驻地监理总监办1 砂 砾 料 筛 分 试验JTG E42-2005 每料源及 2000m3一次最大粒径≯50mm 抽检 ≥15% 抽检 ≥5%4 砂 砾 料 含 泥 量试验JTG E42-2005 每料源及 2000m3一次≯5% 抽检 ≥15% 抽检 ≥5%5 砂 的 含 泥 量 试验JTG E42-2005 每料源及 2000m3一次<3% 抽检 ≥15% 抽检 ≥5%6 砂的筛分试验JTG E42-2005 每料源及 2000m3一次>0.5mm 砂粒含量应占重量的 50% 抽检 ≥15% 抽检 ≥5%7 水泥细...

1、当您付费下载文档后,您只拥有了使用权限,并不意味着购买了版权,文档只能用于自身使用,不得用于其他商业用途(如 [转卖]进行直接盈利或[编辑后售卖]进行间接盈利)。
2、本站所有内容均由合作方或网友上传,本站不对文档的完整性、权威性及其观点立场正确性做任何保证或承诺!文档内容仅供研究参考,付费前请自行鉴别。
3、如文档内容存在违规,或者侵犯商业秘密、侵犯著作权等,请点击“违规举报”。

碎片内容

试验室检测频率及要求

爱的疯狂+ 关注
实名认证
内容提供者

该用户很懒,什么也没介绍

确认删除?
VIP
微信客服
  • 扫码咨询
会员Q群
  • 会员专属群点击这里加入QQ群
客服邮箱
回到顶部