电脑桌面
添加小米粒文库到电脑桌面
安装后可以在桌面快捷访问

轴的常用的材料的及性能

轴的常用的材料的及性能_第1页
1/29
轴的常用的材料的及性能_第2页
2/29
轴的常用的材料的及性能_第3页
3/29
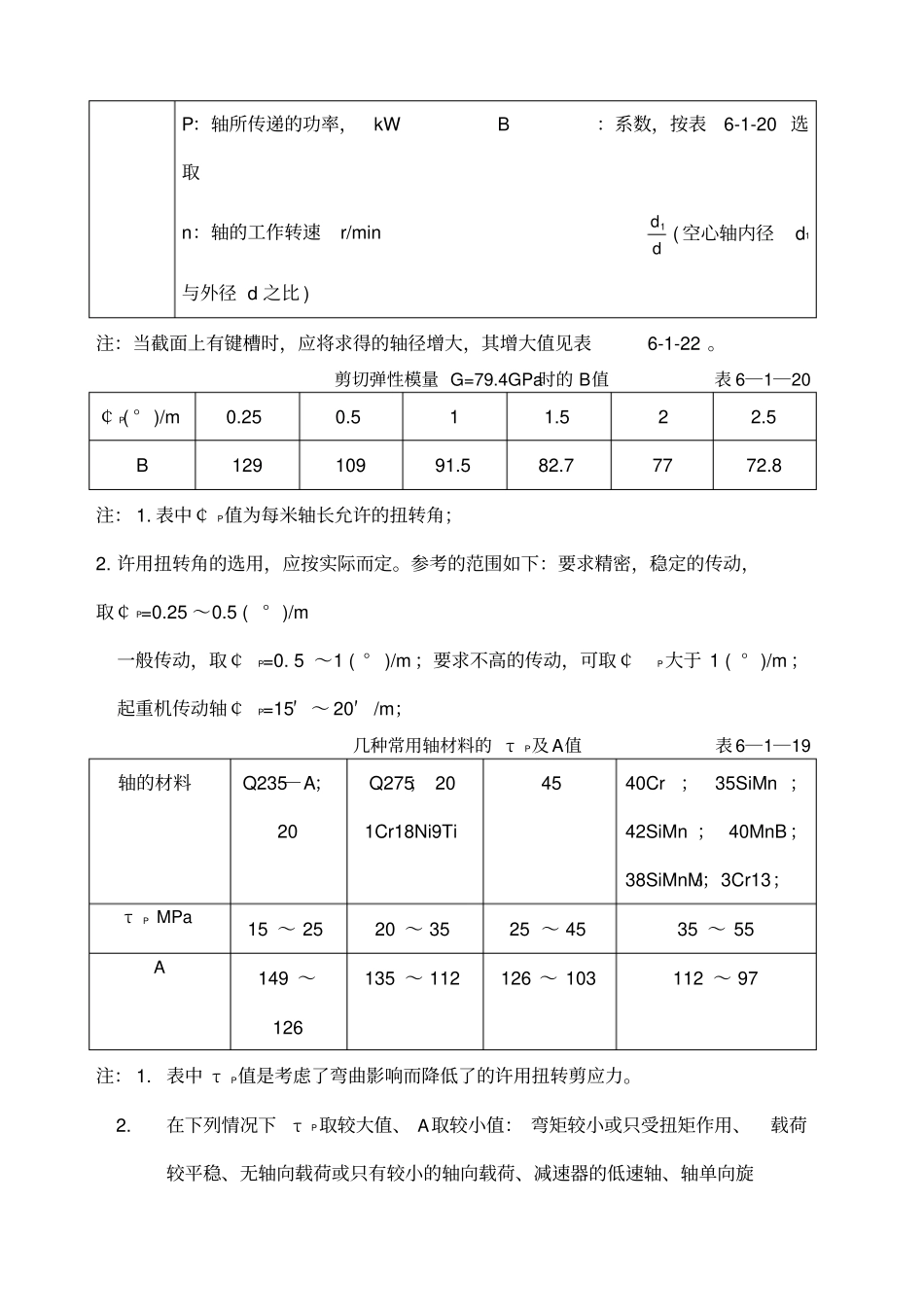
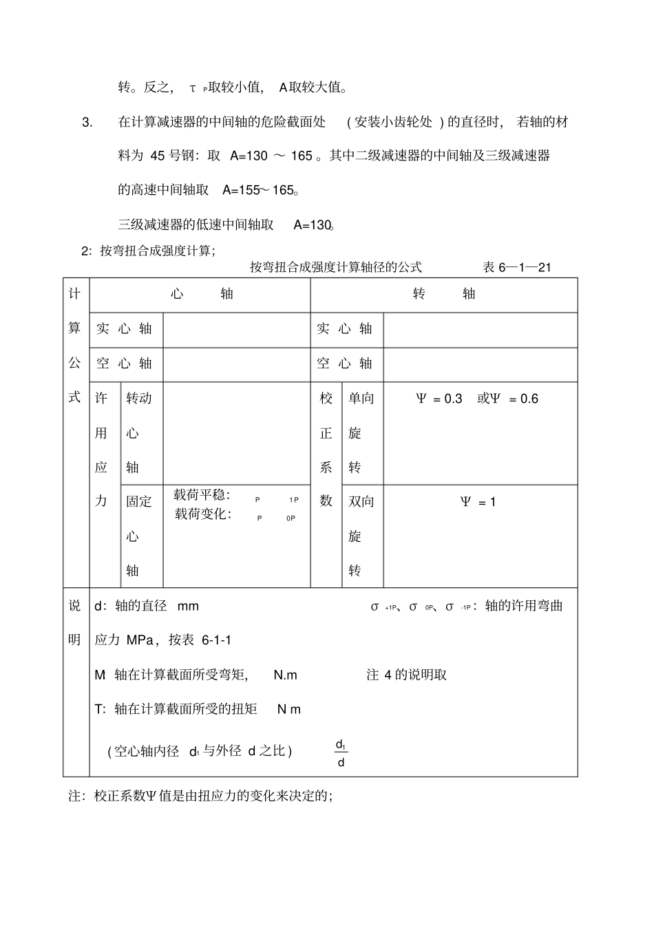
轴常用材料及主要力学性能转轴 :支承传动机件又传递转矩,既同时承受弯矩和扭矩的作用。心轴 :只支承旋转机件而不传递转矩,既承受弯矩作用。( 转动心轴:工作时转动;固定心轴:工作时轴不转动) ;传动轴 :主要传递转矩,既主要承受扭矩,不承受或承受较小的弯矩。花键轴、空心轴 :为保持尺寸稳定性和减少热处理变形可选用铬钢;轴常用材料是优质碳素结构钢,如35、45 和 50,其中 45 号钢最为常用。不太重要及受载较小的轴可用Q235、Q275等普通碳素结构钢;受力较大,轴尺寸受限制,可用合金结构钢。受载荷大的轴一般用调质钢。调质钢调质处理后得到的是索氏体组织,它比正火或退火所得到的铁素体混合组织,具有更好的综合力学性能,有更高的强度,较高的冲击韧度,较低的脆性转变温度和较高的疲劳强度。调质钢: 35、45、40Cr、45Mn2、40MnB、35CrMo、30CrMnSi、40CrNiMo;大截面非常重要的轴可选用铬镍钢;高温或腐蚀条件下工作的轴可选用耐热钢或不锈钢;在一般工作温度下,合金结构钢的弹性模量与碳素结构钢相近,为了提高轴的刚度而选用合金结构钢是不合适的。轴的强度计算轴的强度计算一般可分为三种:1:按扭转强度或刚度计算;2:按弯扭合成强度计算;3:精确强度校核计算1:按扭转强度或刚度计算按扭转强度及刚度计算轴径的公式表 6―1―18 轴 的 类型按 扭 转 强 度 计 算按 扭 转 刚 度 计 算实心轴空心轴说明d:轴端直径 mm τP:许用扭转剪应力MPa ,按表 6-1-19 选取T:轴所传递的扭矩 N m ¢ P:许用扭转角°/m,按表 6-1-20 选取nPT9550 A:系数,按表6-1-19 选取P:轴所传递的功率,kW B:系数,按表6-1-20 选取n:轴的工作转速 r/min dd1 ( 空心轴内径d1与外径 d 之比 ) 注:当截面上有键槽时,应将求得的轴径增大,其增大值见表6-1-22 。剪切弹性模量 G=79.4GPa时的 B值表 6―1―20 ¢ P( ° )/m 0.25 0.5 1 1.5 2 2.5 B 129 109 91.5 82.7 77 72.8 注: 1. 表中¢ P值为每米轴长允许的扭转角;2. 许用扭转角的选用,应按实际而定。参考的范围如下:要求精密,稳定的传动,取¢ P=0.25 ~0.5 ( ° )/m 一般传动,取¢P=0. 5 ~1 ( °)/m ;要求不高的传动,可取¢P大于 1 ( ° )/m ;起重机传动轴¢P=15′ ~ 20′/m;几种常用轴材料的 τP及 A值表 6―1―19 轴的材料Q235― A;20 Q275; 20 1Cr18Ni9Ti 45 40...

1、当您付费下载文档后,您只拥有了使用权限,并不意味着购买了版权,文档只能用于自身使用,不得用于其他商业用途(如 [转卖]进行直接盈利或[编辑后售卖]进行间接盈利)。
2、本站所有内容均由合作方或网友上传,本站不对文档的完整性、权威性及其观点立场正确性做任何保证或承诺!文档内容仅供研究参考,付费前请自行鉴别。
3、如文档内容存在违规,或者侵犯商业秘密、侵犯著作权等,请点击“违规举报”。

碎片内容

轴的常用的材料的及性能

您可能关注的文档

确认删除?
VIP
微信客服
  • 扫码咨询
会员Q群
  • 会员专属群点击这里加入QQ群
客服邮箱
回到顶部