电脑桌面
添加小米粒文库到电脑桌面
安装后可以在桌面快捷访问

泡沫玻璃资料

泡沫玻璃资料_第1页
1/6
泡沫玻璃资料_第2页
2/6
泡沫玻璃资料_第3页
3/6
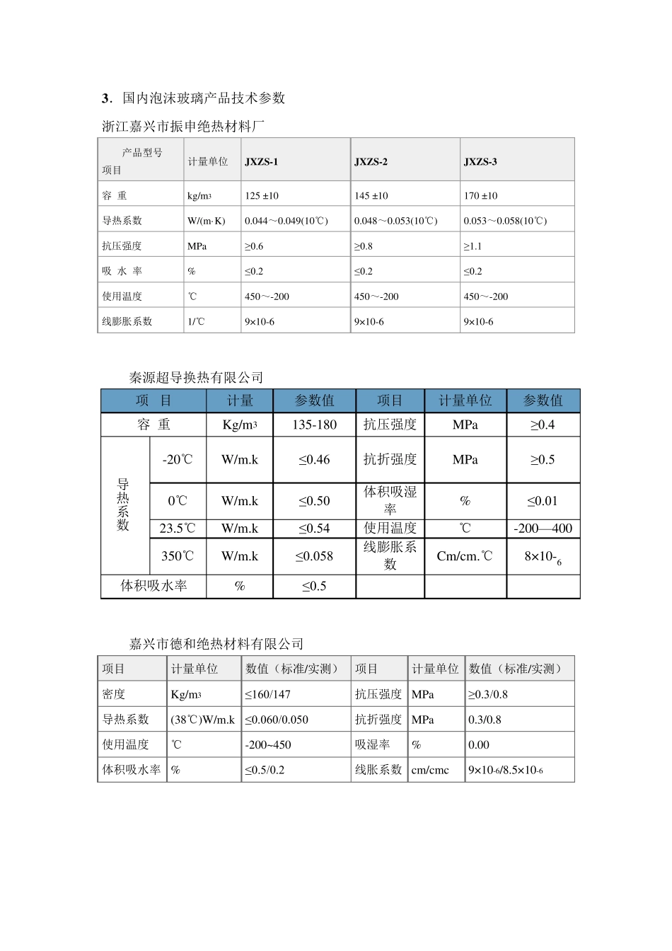
1 .泡沫玻璃简单介绍 泡沫玻璃是采用玻璃粉为基料,加入外加剂,通过隧道窑炉加热焙烧发泡和退火冷却加工而成,是高级保温隔热材料,具有如下特点: ①容重轻,在150kg/m³左右; ②导热系数小,在0.060W/m.k(38℃)以下,导热性能稳定; ③不透湿; ④吸水率小,0.2%左右; ⑤不燃烧; ⑥不霉变、腐蚀、不受鼠咬; ⑦强度高,抗压强度≥0.7MPa,抗折强度≥0.5Mpa; ⑧能耐酸性腐蚀(氟化氢除外); ⑨本身无毒,不含 CFC(氟氯化炭)和HCFC(氢氟氯酸); ⑩物理化学性能稳定,尺寸稳定。 它既是保冷材料又是保温材料,能适应深冷到较高温度范围等特点。同时它的重要价值不仅在于长年使用不会变质,而且本身又起到防火、防震作用。在低温深冷、地下工程、易燃易爆、潮湿以及化学侵蚀苛刻 环 境 下使用时,不但 安 全可 靠 ,而且经 久 耐用,被 誉 为“不须 更 换 的永 久 性隔热材料”。所 以被 广 泛 应用于石 油 、化工、地下工程、造 船 、国 防军 工的隔热保温保冷: ①低温管 道、设 备 和储 槽 (储 罐 ); ②烃 加工中 低温系统 ; ③冷库 及冷藏 建 筑 ; ④制 药 中 低温绝 热系统 ; ⑤钢 铁 液 氧 、液 氮 储 槽 及管 道。 浙 江 嘉 兴 是国 内 泡沫玻璃的主 要产 地,国 内 能生 产 这 种 产 品 的企 业 仅有7家 (? ),浙 江 嘉 兴 王 店 就 占 了 4 家 ,国 内 70%以上 的泡沫玻璃产 品 都 是王 店 生 产的。 2 .国内主要生产厂家 ○1 嘉兴市德和绝热材料有限公司 公司创建于一九七六年,占地面积 52000 平方米是开发、制造、安装保冷绝热材料的专业企业,是我国最早生产泡沫玻璃等保冷材料的专业公司。 目前嘉兴市德和绝热材料有限公司和浙江大学合作开发高性能泡沫玻璃,并投资 1000万建设一条年产10000m3 高新性能泡沫玻璃生产流水线。性能指标将达到国际泡沫玻璃制品技术标准。 ○2 浙江嘉兴市振申绝热材料厂 企业现有泡沫玻璃年生产能力 50000m3,2004 年度振申绝热投资 4000 万元在新厂区内新建的三条年产共 37000m3 的泡沫玻璃生产流水线,已于 2004 年 8 月底全面投产。建成后的泡沫玻璃已是国内最大、品质最优的生产线,在产品生产和质量品质方面,都可以生产出客户所需特殊规格的整体砖,而且大大提高了产品的成品率,降低了生产成本,提高了与外界的竞争力,使国...

1、当您付费下载文档后,您只拥有了使用权限,并不意味着购买了版权,文档只能用于自身使用,不得用于其他商业用途(如 [转卖]进行直接盈利或[编辑后售卖]进行间接盈利)。
2、本站所有内容均由合作方或网友上传,本站不对文档的完整性、权威性及其观点立场正确性做任何保证或承诺!文档内容仅供研究参考,付费前请自行鉴别。
3、如文档内容存在违规,或者侵犯商业秘密、侵犯著作权等,请点击“违规举报”。

碎片内容

泡沫玻璃资料

确认删除?
VIP
微信客服
  • 扫码咨询
会员Q群
  • 会员专属群点击这里加入QQ群
客服邮箱
回到顶部