电脑桌面
添加小米粒文库到电脑桌面
安装后可以在桌面快捷访问

洒水车技术说明书

洒水车技术说明书_第1页
1/13
洒水车技术说明书_第2页
2/13
洒水车技术说明书_第3页
3/13
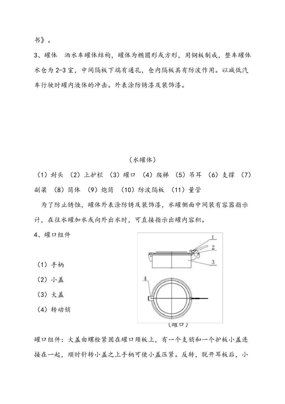
一、主要技术性能参数 【整车技术参数】 产品商标 华通牌 公告批次 297 产品名称 洒水车 产品型号 HCQ5180GSSGD5 总质量(Kg) 18000 罐体容积(m3) 12.5 额定载质量(Kg) 10715 外形尺寸(mm) 8600×2500×3050 整备质量(Kg) 7090 驾驶室准乘人数(人) 3 接近角/离去角(°) 20/12 前悬/后悬(mm) 1450/2350 轴荷(Kg) 6500/11500 最高车速(Km/h) 90 备注 随底盘选装驾驶室前脸以及保险杠,选装椭圆罐形,选装后部喷雾机;罐体有效容积12.5 立方米;局部结构外观有变化,车辆颜色可选,文字喷涂位置可变化.侧后防护材料均为 Q235,侧防护连接方式为焊接.后防护连接方式为螺栓连接,后部防护装置断面尺寸(宽×高)60×150(mm),后部防护离地高度:490(mm).仅采用 4700(mm),4500(mm),3950(mm)轴距.底盘ABS 的型号:3631010-C2000,生产厂为东科克诺尔商用车制动系统(十堰)有限公司。可在-10℃-50℃条件下工作,动力转向系统,变速箱系统为原装系统,制动系统为汽刹。高压前冲、后洒、侧喷、后方水炮 专 用功 能:道 路 洒水、冲洗 作业 ;专 用装置:罐体,洒水泵 。 【底盘技术参数】 底盘型号 DFH1180BX1V 底盘名称 载货 汽车底盘 商标名称 东风 牌 生产企 业 东风 商用车新 疆 有限公司 轴数 2 轮 胎 数 6 轴距 (mm) 3650 轮 胎 规 格 10.00-20 18PR 钢 板 弹 簧 片 数 8/9+7 前轮 距(mm) 1810 燃 料种 类 柴 油 后轮 距(mm) 1800 排 放 依 据 标准 GB17691-2005 国 Ⅴ ,GB3847-2005 发 动机型号 发 动机生产企业 排 量(ml) 功 率 (Kw) ISD180 50 东风 康 明 斯 发动机有限公司 4500 132 二 、产品图 片 三、工作原理及结构特征 本车以专用取力器为动力源,由传动轴将动力传给水泵,使水泵在额定转速下运转,通过操纵控制系统及管网将自然水吸入水罐内或将水罐内水按设定管路排出罐外,从而完成各项功能。 1、洒水车结构简图 (洒水车结构图) 2、汽车底盘 此洒水车采用东风公司及一汽汽车集团定型二类底盘改装而成。每个产品所采用的二类底盘,其结构详见所附《汽车底盘使用说明书》。 3、罐体 洒水车罐体结构,罐体为椭圆形或方形,用钢板制成,整车罐体水仓为 2-3 室,中间隔板下端有通孔,仓内隔板具有防波作用。以减低汽车行驶时罐内液体的冲击。外表涂防锈漆及装饰漆。 (水罐体) (1)封头 (2)上护栏 (3)罐口 (4...

1、当您付费下载文档后,您只拥有了使用权限,并不意味着购买了版权,文档只能用于自身使用,不得用于其他商业用途(如 [转卖]进行直接盈利或[编辑后售卖]进行间接盈利)。
2、本站所有内容均由合作方或网友上传,本站不对文档的完整性、权威性及其观点立场正确性做任何保证或承诺!文档内容仅供研究参考,付费前请自行鉴别。
3、如文档内容存在违规,或者侵犯商业秘密、侵犯著作权等,请点击“违规举报”。

碎片内容

洒水车技术说明书

您可能关注的文档

确认删除?
VIP
微信客服
  • 扫码咨询
会员Q群
  • 会员专属群点击这里加入QQ群
客服邮箱
回到顶部