电脑桌面
添加小米粒文库到电脑桌面
安装后可以在桌面快捷访问

浅基础(十字交叉梁)课程设计

浅基础(十字交叉梁)课程设计_第1页
1/16
浅基础(十字交叉梁)课程设计_第2页
2/16
浅基础(十字交叉梁)课程设计_第3页
3/16
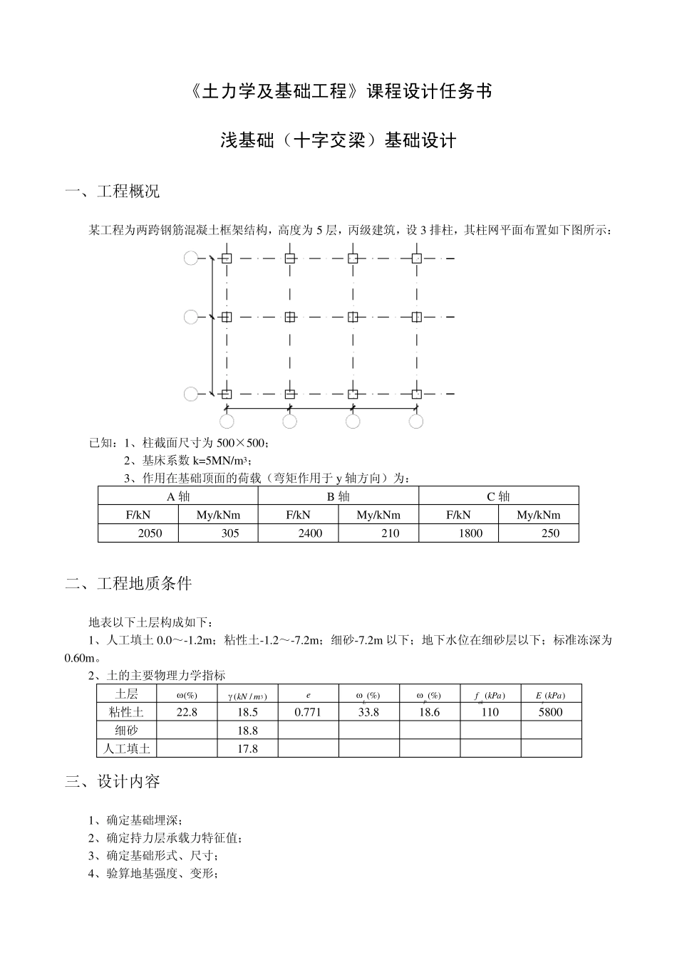
《土力学及基础工程》课程设计任务书 浅基础(十字交梁)基础设计 一、工程概况 某工程为两跨钢筋混凝土框架结构,高度为5 层,丙级建筑,设3 排柱,其柱网平面布置如下图所示: 2134ABC700070007000yxO85006500 已知:1、柱截面尺寸为500×500; 2、基床系数 k=5MN/m3; 3、作用在基础顶面的荷载(弯矩作用于 y轴方向)为: A 轴 B 轴 C 轴 F/kN My/kNm F/kN My/kNm F/kN My/kNm 2050 305 2400 210 1800 250 二、工程地质条件 地表以下土层构成如下: 1、人工填土0.0~-1.2m;粘性土-1.2~-7.2m;细砂-7.2m 以下;地下水位在细砂层以下;标准冻深为0.60m。 2、土的主要物理力学指标 土层 (%) 3(/)kN m e (%)L (%)P ()akfkPa ()sE kPa 粘性土 22.8 18.5 0.771 33.8 18.6 110 5800 细砂 18.8 人工填土 17.8 三、设计内容 1、确定基础埋深; 2、确定持力层承载力特征值; 3、确定基础形式、尺寸; 4、验算地基强度、变形; 5、按 w inkler 地基模型进行基础结构设计; 6、完成基础设计计算书一份; 7、绘制基础施工图。 四、设计时间为一周 五、计算书

1、当您付费下载文档后,您只拥有了使用权限,并不意味着购买了版权,文档只能用于自身使用,不得用于其他商业用途(如 [转卖]进行直接盈利或[编辑后售卖]进行间接盈利)。
2、本站所有内容均由合作方或网友上传,本站不对文档的完整性、权威性及其观点立场正确性做任何保证或承诺!文档内容仅供研究参考,付费前请自行鉴别。
3、如文档内容存在违规,或者侵犯商业秘密、侵犯著作权等,请点击“违规举报”。

碎片内容

浅基础(十字交叉梁)课程设计

您可能关注的文档

小辰9+ 关注
实名认证
内容提供者

出售各种资料和文档

确认删除?
VIP
微信客服
  • 扫码咨询
会员Q群
  • 会员专属群点击这里加入QQ群
客服邮箱
回到顶部