电脑桌面
添加小米粒文库到电脑桌面
安装后可以在桌面快捷访问

连接井检查井雨水井资料表格VIP专享

连接井检查井雨水井资料表格_第1页
1/12
连接井检查井雨水井资料表格_第2页
2/12
连接井检查井雨水井资料表格_第3页
3/12
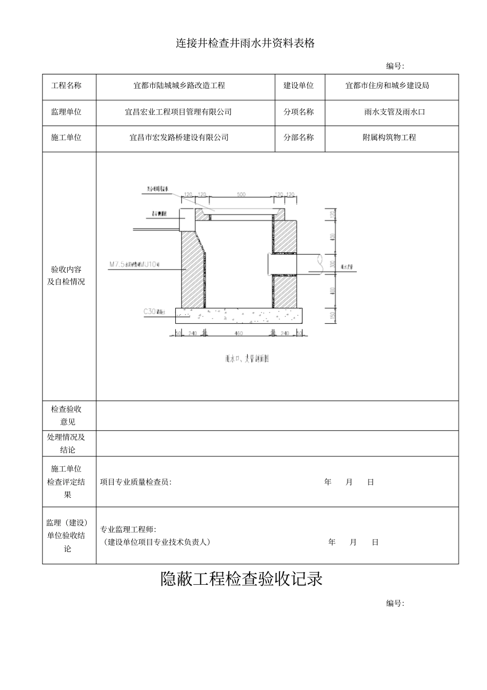
连接井检查井雨水井资料表格连接井报验申请表工程名称:宜都市陆城城乡路改造工程编号:致: 宜昌宏业工程项目管理有限公司(监理单位)我单位已完成了工作,现报上该工程报验申请表,请予审查和验收。附件:《工作井施工检验批质量检验记录表》一份《隐蔽工程检查验收记录》一份承包单位 ( 章) :项 目 经 理:日期:审查意见:项目监理机构(章) :总/专业监理工程师:日期:隐蔽工程检查验收记录连接井检查井雨水井资料表格编号:工程名称宜都市陆城城乡路改造工程建设单位宜都市住房和城乡建设局监理单位宜昌宏业工程项目管理有限公司分项名称雨水支管及雨水口施工单位宜昌市宏发路桥建设有限公司分部名称附属构筑物工程验收内容及自检情况检查验收意见处理情况及结论施工单位检查评定结果项目专业质量检查员:年月日监理(建设)单位验收结论专业监理工程师:(建设单位项目专业技术负责人)年月日隐蔽工程检查验收记录编号:连接井检查井雨水井资料表格工程名称宜都市陆城城乡路改造工程建设单位宜都市住房和城乡建设局监理单位宜昌宏业工程项目管理有限公司分项名称检查井施工单位宜昌市宏发路桥建设有限公司分部名称附属构筑物工程验收内容及自检情况检查验收意见处理情况及结论施工单位检查评定结果项目专业质量检查员:年月日监理(建设)单位验收结论专业监理工程师:(建设单位项目专业技术负责人)年月日隐蔽工程检查验收记录编号:工程名称宜都市陆城城乡路改造工程建设单位宜都市住房和城乡建设局连接井检查井雨水井资料表格监理单位宜昌宏业工程项目管理有限公司分项名称连接井施工单位宜昌市宏发路桥建设有限公司分部名称附属构筑物工程验收内容及自检情况检查验收意见处理情况及结论施工单位检查评定结果项目专业质量检查员:年月日监理(建设)单位验收结论专业监理工程师:(建设单位项目专业技术负责人)年月日检查井报验申请表工程名称:宜都市陆城城乡路改造工程编号:连接井检查井雨水井资料表格致: 宜昌宏业工程项目管理有限公司(监理单位)我单位已完成了工作,现报上该工程报验申请表,请予审查和验收。附件:《工作井施工检验批质量检验记录表》一份《隐蔽工程检查验收记录》一份承包单位 ( 章) :项 目 经 理:日期:审查意见:项目监理机构(章) :总/专业监理工程师:日期:隐蔽工程检查验收记录编号:工程名称宜都市陆城城乡路改造工程建设单位宜都市住房和城乡建设局连接井检查井雨水井资料...

1、当您付费下载文档后,您只拥有了使用权限,并不意味着购买了版权,文档只能用于自身使用,不得用于其他商业用途(如 [转卖]进行直接盈利或[编辑后售卖]进行间接盈利)。
2、本站所有内容均由合作方或网友上传,本站不对文档的完整性、权威性及其观点立场正确性做任何保证或承诺!文档内容仅供研究参考,付费前请自行鉴别。
3、如文档内容存在违规,或者侵犯商业秘密、侵犯著作权等,请点击“违规举报”。

碎片内容

连接井检查井雨水井资料表格

确认删除?
VIP
微信客服
  • 扫码咨询
会员Q群
  • 会员专属群点击这里加入QQ群
客服邮箱
回到顶部