电脑桌面
添加小米粒文库到电脑桌面
安装后可以在桌面快捷访问

通风及空调工程施工质量验收规范GB50243_2016验收表格

通风及空调工程施工质量验收规范GB50243_2016验收表格_第1页
1/50
通风及空调工程施工质量验收规范GB50243_2016验收表格_第2页
2/50
通风及空调工程施工质量验收规范GB50243_2016验收表格_第3页
3/50
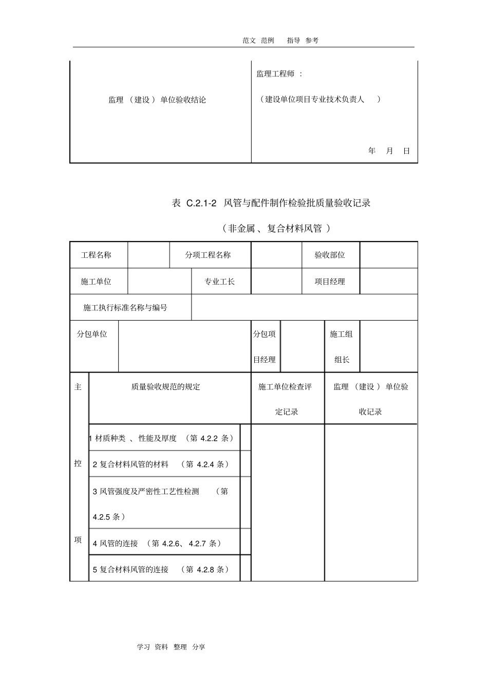
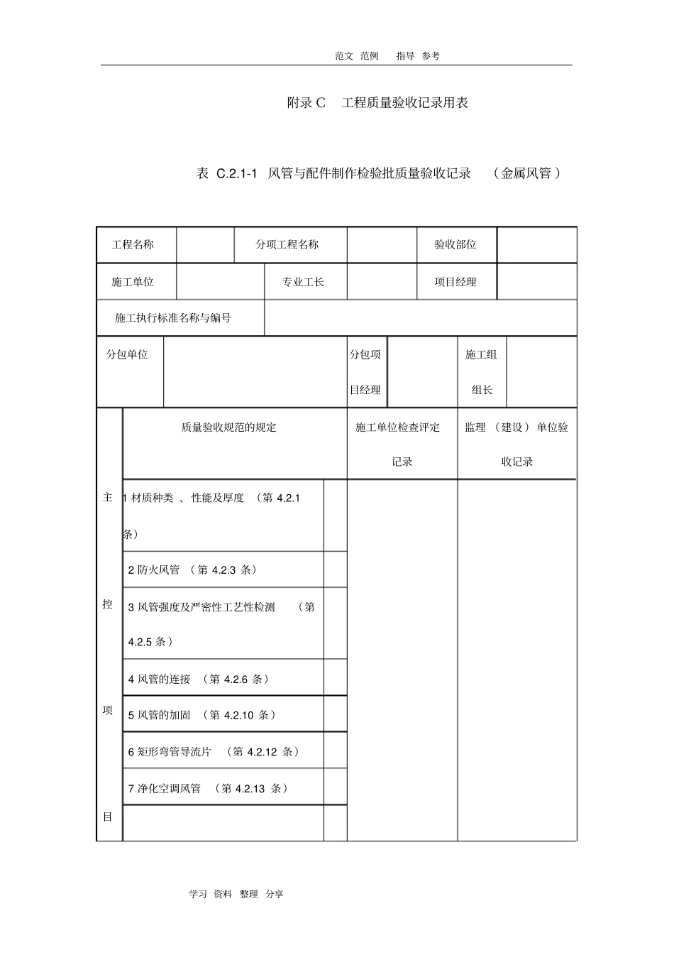
范文 范例指导 参考学习 资料整理 分享附录 C工程质量验收记录用表表 C.2.1-1 风管与配件制作检验批质量验收记录(金属风管 )工程名称分项工程名称验收部位施工单位专业工长项目经理施工执行标准名称与编号分包单位分包项目经理施工组组长主控项目质量验收规范的规定施工单位检查评定记录监理 (建设 )单位验收记录1 材质种类 、性能及厚度 (第 4.2.1条)2 防火风管 ( 第 4.2.3 条)3 风管强度及严密性工艺性检测(第4.2.5 条 )4 风管的连接 (第 4.2.6 条)5 风管的加固 (第 4.2.10 条 )6 矩形弯管导流片(第 4.2.12 条)7 净化空调风管 (第 4.2.13 条)范文 范例指导 参考学习 资料整理 分享一般项目1 圆形弯管制作 (第 4.3.1-1 条)2 风管的外形尺寸(第 4.3.1-2 ,3条)3 焊接风管 ( 第 4.3.1-4 条)4 法兰风管制作 (第 4.3.2 条)5 铝板或不锈钢板风管(第 4.3.2-4条)6 无法兰矩形风管制作(第 4.3.3条)7 无法兰圆形风管制作(第 4.3.3条)8 风管的加固 (第 4.3.4 条)9 净化空调风管 (第 4.3.11 条)施工单位检查结果评定项目专业质量检查员:年月日范文 范例指导 参考学习 资料整理 分享监理 (建设 )单位验收结论监理工程师 :(建设单位项目专业技术负责人)年月日表 C.2.1-2 风管与配件制作检验批质量验收记录(非金属 、复合材料风管 )工程名称分项工程名称验收部位施工单位专业工长项目经理施工执行标准名称与编号分包单位分包项目经理施工组组长主控项质量验收规范的规定施工单位检查评定记录监理 (建设 )单位验收记录1 材质种类 、性能及厚度 (第 4.2.2 条)2 复合材料风管的材料(第 4.2.4 条)3 风管强度及严密性工艺性检测(第4.2.5 条 )4 风管的连接 (第 4.2.6、 4.2.7 条)5 复合材料风管的连接(第 4.2.8 条)范文 范例指导 参考学习 资料整理 分享目6 砖、混凝土风道的变形缝(第 4.2.9条)7 风管的加固 (第 4.2.11 条 )8 矩形弯管导流片(第 4.2.12 条)9 净化空调风管 (第 4.2.13 条)一般项目1 风管的外形尺寸(第 4.3.1 条)2 硬聚氯乙烯风管(第 4.3.5 条)3 有机玻璃钢风管(第 4.3.6 条)4 无机玻璃钢风管(第 4.3.7 条)5 砖、混凝土风道 (第 4.3.8 条)6 双面铝箔绝热板风管(第 4.3.9 条)7 铝箔玻璃纤维板风管(第 4.3.10 条)8 ...

1、当您付费下载文档后,您只拥有了使用权限,并不意味着购买了版权,文档只能用于自身使用,不得用于其他商业用途(如 [转卖]进行直接盈利或[编辑后售卖]进行间接盈利)。
2、本站所有内容均由合作方或网友上传,本站不对文档的完整性、权威性及其观点立场正确性做任何保证或承诺!文档内容仅供研究参考,付费前请自行鉴别。
3、如文档内容存在违规,或者侵犯商业秘密、侵犯著作权等,请点击“违规举报”。

碎片内容

通风及空调工程施工质量验收规范GB50243_2016验收表格

您可能关注的文档

文库响当当+ 关注
实名认证
内容提供者

该用户很懒,什么也没介绍

确认删除?
VIP
微信客服
  • 扫码咨询
会员Q群
  • 会员专属群点击这里加入QQ群
客服邮箱
回到顶部