电脑桌面
添加小米粒文库到电脑桌面
安装后可以在桌面快捷访问

通风空调风口验收规范

通风空调风口验收规范_第1页
1/9
通风空调风口验收规范_第2页
2/9
通风空调风口验收规范_第3页
3/9
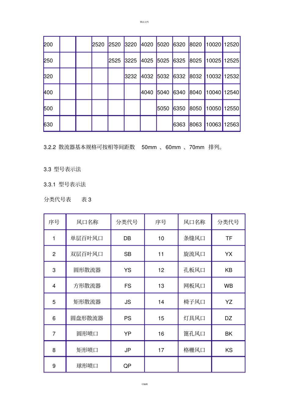
精品文档可编辑通风空调风口验收规范第一节 一般说明1 主题内容和适用范围本标准规定了通风空调风口(简称风口)的分类、基本规格、技术要求、试验方法、检验规则和标志、包装、运输、贮存等。本标准适用于通风空调系统中的各类出风口和进风口。其它类似用途的产品也可参照本标准。2 引用标准GB 8070 空气分布器性能试验方法GB 321 优先数和优先数系列GB 5237 铝合金建筑型材GB 11257 碳素结构钢和低合金结构钢冷轧落薄钢板及钢带GB 8170 数值修约规则3 分类与基本规格3.1 分类3.1.1 按用途分类:A.出风口B.进风口精品文档可编辑3.1.2 按型式分类:A.百叶风口:外形有方形、矩形、圆形;叶片有单层、双层等。B.散流器:有圆形、方形、矩形、圆盘形等。C.喷口:有圆形、矩形、球形等。D.条缝型风口:有单条缝和多条缝等。E.旋流风口。F.孔板风口(包括网板风口)。G.专用风口:如椅子风口、灯具风口、孔风口、格栅风口等。3.2 基本规格3.2.1 风口基本规格用颈部尺寸(指与风管的接口尺寸)表示,按GB 321 的要求排列,详见表 1 和表 2。圆形风口基本规格( MM )表 1直径 D100120140160180200220250280320360400规格代号 101214161820222528323640直径 D450500560630700800规格代号 455056637080方、矩形风口基本规格(mm )表 2120160200250320400500630800100012501201212 1612 2012 2512 3212 4012 5012 6312 8012 100121601616 2016 2516 3216 4016 5014 6316 8016 10016 12516精品文档可编辑2002520 2520 3220 4020 5020 6320 8020 10020 125202502525 3225 4025 5025 6325 8025 10025 125253203232 4032 5032 6332 8032 10032 125324004040 5040 6340 8040 10040 125405005050 6350 8050 10050 125506306363 8063 10063 125633.2.2 散流器基本规格可按相等间距数50mm 、60mm 、70mm 排列。3.3 型号表示法3.3.1 型号表示法分类代号表表 3序号风口名称分类代号序号风口名称分类代号1单层百叶风口DB10条缝风口TF2双层百叶风口SB11旋流风口YX3圆形散流器YS12孔板风口KB4方形散流器FS13网板风口WB5矩形散流器JS14椅子风口YZ6圆盘形散流器PS15灯具风口DZ7圆形喷口YP16篦孔风口BK8矩形喷口JP17格栅风口KS9球形喷口QP精品文档可编辑规格代号用风口基本规格数值的1/10 表示。3.3.2 型号示例:FJS-3225-- 表示矩形散流器,规格为320*250 (mm )FQP-1...

1、当您付费下载文档后,您只拥有了使用权限,并不意味着购买了版权,文档只能用于自身使用,不得用于其他商业用途(如 [转卖]进行直接盈利或[编辑后售卖]进行间接盈利)。
2、本站所有内容均由合作方或网友上传,本站不对文档的完整性、权威性及其观点立场正确性做任何保证或承诺!文档内容仅供研究参考,付费前请自行鉴别。
3、如文档内容存在违规,或者侵犯商业秘密、侵犯著作权等,请点击“违规举报”。

碎片内容

通风空调风口验收规范

您可能关注的文档

确认删除?
VIP
微信客服
  • 扫码咨询
会员Q群
  • 会员专属群点击这里加入QQ群
客服邮箱
回到顶部