电脑桌面
添加小米粒文库到电脑桌面
安装后可以在桌面快捷访问

钻机司机岗位作业标准

钻机司机岗位作业标准_第1页
1/8
钻机司机岗位作业标准_第2页
2/8
钻机司机岗位作业标准_第3页
3/8
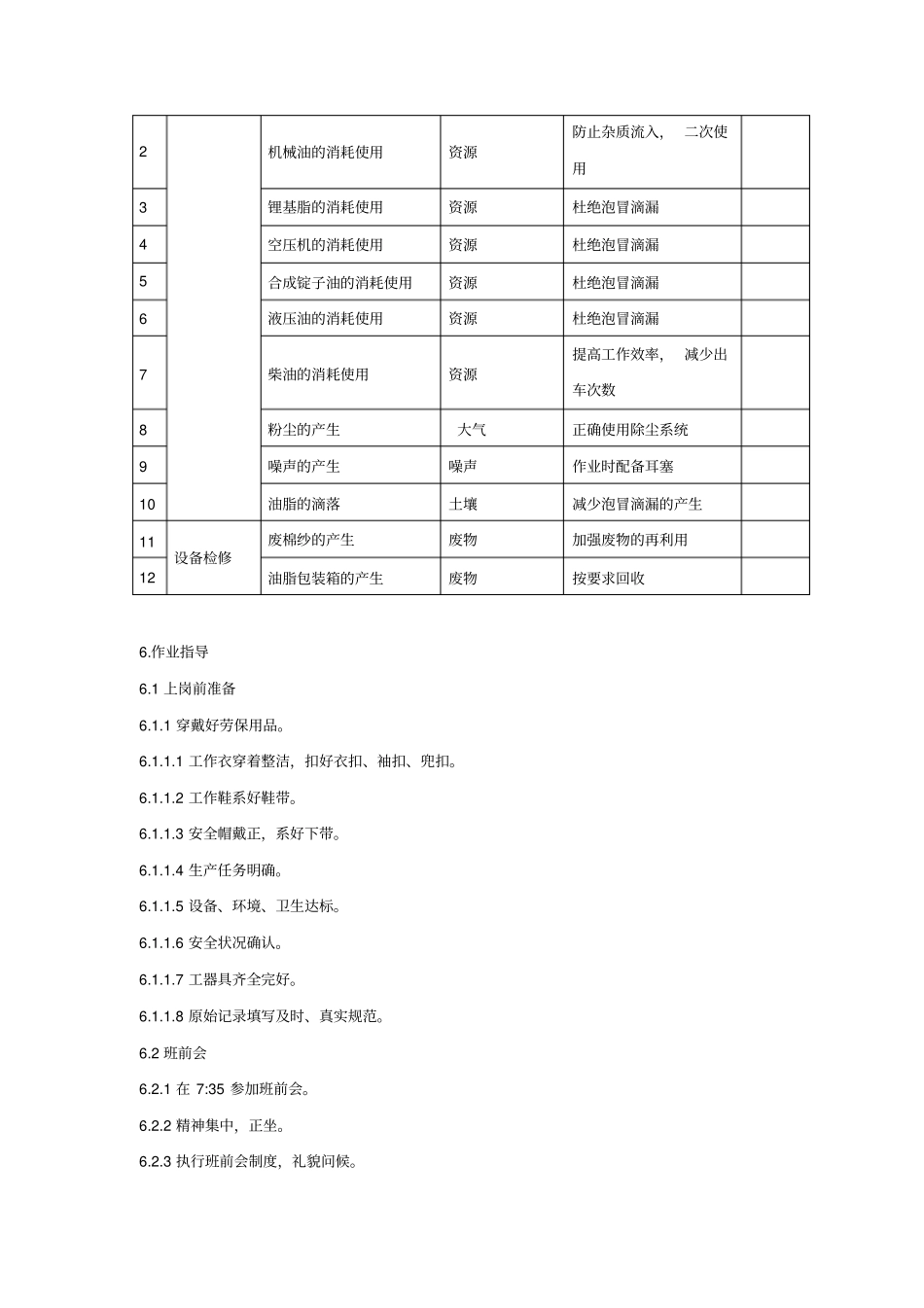
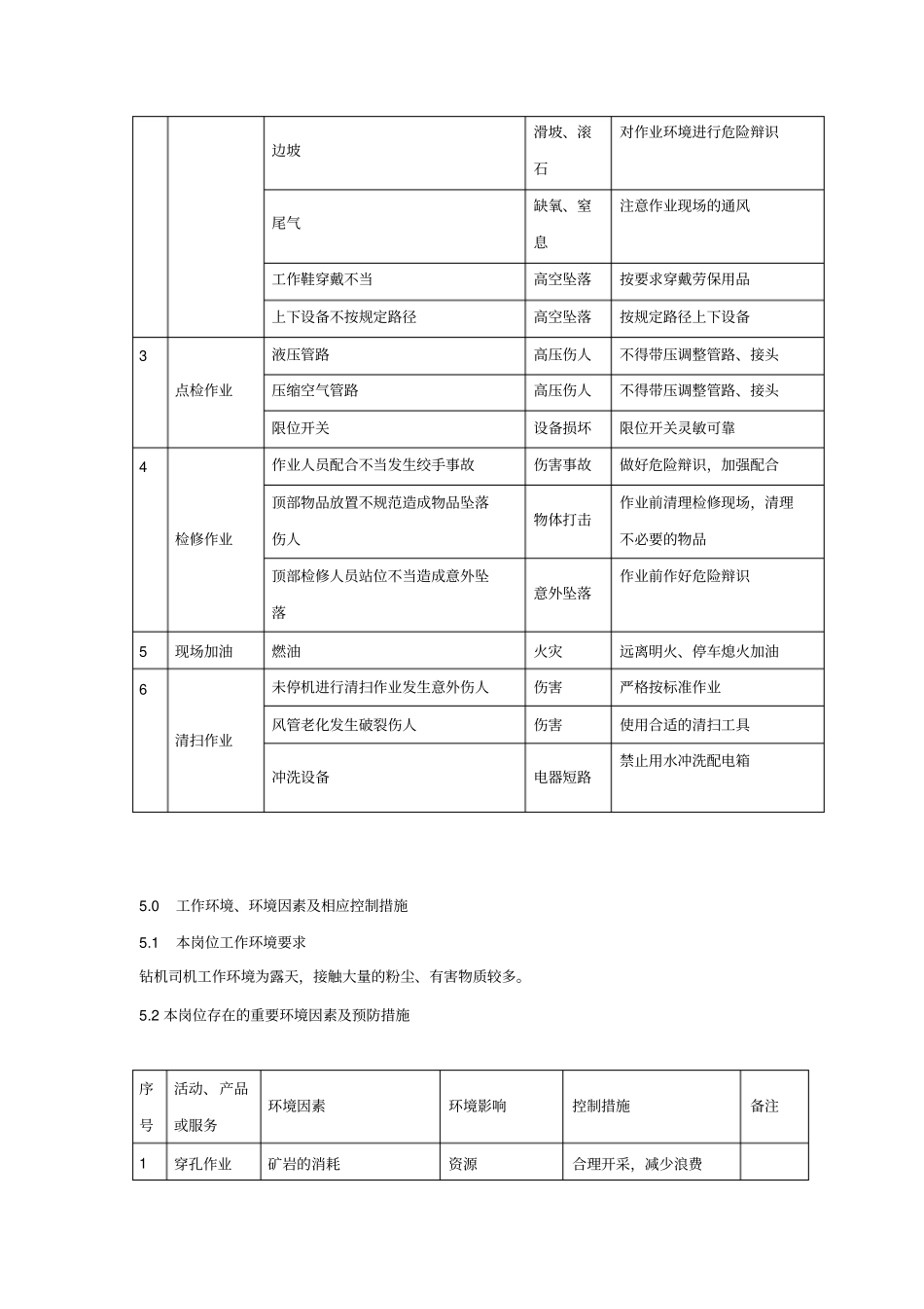
采矿工程公司钻机司机岗位作业标准1.目的为了指导和规范钻机司机岗位作业,确保质量、 环境指标的实现和职业健康安全,特制定本作业标准。2.适用范围本标准适用于矿建公司采矿工程公司钻机司机岗位。3.职责3.1 本岗位职责是在安全的前提下,服从指挥和管理,负责钻机司机操作,搞好设备维护检修;完成穿孔任务。3.2 本岗位管辖的设备:钻机。3.3 本岗位负责的卫生区域是:钻机本体的卫生及穿孔区周围的卫生。3.4 本岗位负责就设备故障情况及作业中遇到的隐患等信息反馈给项目部调度。4.本岗位危险辩识及预防措施序号作业活动危险源可能导致事故预防措施1 钻机行走钻臂位置错误钻机倾覆行走时调整钻臂姿态上坡钻臂后仰钻机倾覆行走时调整钻臂姿态下坡钻臂前倾钻机倾覆行走时调整钻臂姿态地面不平钻机侧翻行走时对路面进行确认2 钻孔作业噪音听力损伤正确穿戴劳保用品转动部位机械伤害禁止对转动部位点检、加油钻臂覆盖危险区砸伤离开钻臂覆盖危险区飞石击伤正确穿戴劳保、离开工作半径钻杆、钻头卡钻及时观察出渣、查看仪表压力边坡滑坡、滚石对作业环境进行危险辩识尾气缺氧、窒息注意作业现场的通风工作鞋穿戴不当高空坠落按要求穿戴劳保用品上下设备不按规定路径高空坠落按规定路径上下设备3 点检作业液压管路高压伤人不得带压调整管路、接头压缩空气管路高压伤人不得带压调整管路、接头限位开关设备损坏限位开关灵敏可靠4 检修作业作业人员配合不当发生绞手事故伤害事故做好危险辩识,加强配合顶部物品放置不规范造成物品坠落伤人物体打击作业前清理检修现场,清理不必要的物品顶部检修人员站位不当造成意外坠落意外坠落作业前作好危险辩识5 现场加油燃油火灾远离明火、停车熄火加油6 清扫作业未停机进行清扫作业发生意外伤人伤害严格按标准作业风管老化发生破裂伤人伤害使用合适的清扫工具冲洗设备电器短路禁止用水冲洗配电箱5.0 工作环境、环境因素及相应控制措施5.1 本岗位工作环境要求钻机司机工作环境为露天,接触大量的粉尘、有害物质较多。5.2 本岗位存在的重要环境因素及预防措施序号活动、产品或服务环境因素环境影响控制措施备注1 穿孔作业矿岩的消耗资源合理开采,减少浪费6.作业指导6.1 上岗前准备6.1.1 穿戴好劳保用品。6.1.1.1 工作衣穿着整洁,扣好衣扣、袖扣、兜扣。6.1.1.2 工作鞋系好鞋带。6.1.1.3 安全帽戴正,系好下带。6.1.1.4 生产任务明确。6.1.1.5 设备、环境、卫生达标。6.1.1.6 安全状况确认...

1、当您付费下载文档后,您只拥有了使用权限,并不意味着购买了版权,文档只能用于自身使用,不得用于其他商业用途(如 [转卖]进行直接盈利或[编辑后售卖]进行间接盈利)。
2、本站所有内容均由合作方或网友上传,本站不对文档的完整性、权威性及其观点立场正确性做任何保证或承诺!文档内容仅供研究参考,付费前请自行鉴别。
3、如文档内容存在违规,或者侵犯商业秘密、侵犯著作权等,请点击“违规举报”。

碎片内容

钻机司机岗位作业标准

您可能关注的文档

确认删除?
VIP
微信客服
  • 扫码咨询
会员Q群
  • 会员专属群点击这里加入QQ群
客服邮箱
回到顶部