电脑桌面
添加小米粒文库到电脑桌面
安装后可以在桌面快捷访问

铝合金锭压铸件的成本核算

铝合金锭压铸件的成本核算_第1页
1/4
铝合金锭压铸件的成本核算_第2页
2/4
铝合金锭压铸件的成本核算_第3页
3/4
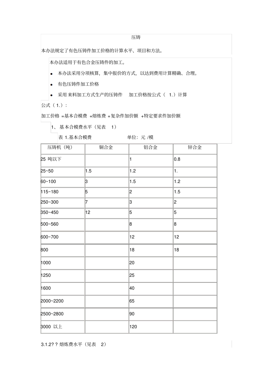
压铸本办法规定了有色压铸件加工价格的计算水平、项目和方法。本办法适用于有色合金压铸件的加工。本办法采用分项核算,集中报价的方式,以达到费用计算精确、合理。有色压铸件加工价格采用 来料加工方式生产的压铸件加工价格按公式(1.)计算公式( 1.):加工价格 =基本合模费 +熔炼费 +复杂件加价额 +特定要求件加价额1、 基本合模费水平(见表1)表 1.基本合模费单位:元 /模压铸机(吨)铜合金铝合金锌合金25 吨以下10.825~501.51.21.60~10031.51.2115~180521.5250~300732350~4501255500~56088600~700121280018181000201250251600402000~2200652500~2800903000 以上1203.1.2? ? 熔炼费水平(见表2)表 2.:熔炼费单位:元/kg铸件类别铜合金铝合金锌合金熔炼费天燃气集中熔炼0.550.3熔炼0.70.4水煤气0.50.25柴油集中熔炼0.650.35熔炼0.90.45电炉0.6焦碳1 元 /kg0.60.4复杂件加价水平(见表3)?表 3. 复杂件加价额项? 目加 ? 价? 规 ? 定(1) 压铸件模具结构用斜销滑块的压铸件规格180T 以下250~700T800 以上斜销滑块加价0.4 元/块0.6~1 元/块2 元/块(2) 压铸件模具结构用液压抽芯的液压缸规格≤2T>2~≤5T>5~≤10T? ????? ≤10T液压抽芯加价0.6 元/只0.8~1 元/只1.2~1.5 元/只?? 2 元(3) 压铸件需安放嵌件的安嵌件只数 ,每只安放费加收0.5 元(增加了工序,降低了生产效率)(4) 形状复杂并难以成形视情况可加收10~50% 的复杂费 (以基本合模费为计算依据)(增加了模具成本、生产难度、质量控制难度、模具故障率升高,生产效率降低 )3.1.4 特定要求件加价水平(见表4)表 4.:特定要求件加价额? 项? 目加? 价? 规? 定耐压件、 受力件、装饰性表面等特定要求单项加收复杂费10~30%( 以基本合模费为计算依据)3.2 采用 包工包料方式生产的压铸件加工价格按公式(2)计算公式( 2):加工价格 =基本合模费 +熔炼费 +复杂件加价额 +特定要求件加价额+压铸件材料价格3.2.2 压铸件材料价格水平按下列公式(3)计算公式( 3):压铸件材料价格 =材料单价 ×材料耗用定额 +管理费及利润。材料单价按订货时A。。铝, 0#锌的市场价加上其合金铝的加工费(不同锌,铝合金收取不同的加工费),但铜合金材料单价则按1#铜与 0#锌市场价与其配比再加上加工费,镁的市场价加上加工费。材料单价按订货时合金锭价格公式( 4):材料耗用定额 =压铸件净重 +(压铸件净重 +浇铸系统重量) ×...

1、当您付费下载文档后,您只拥有了使用权限,并不意味着购买了版权,文档只能用于自身使用,不得用于其他商业用途(如 [转卖]进行直接盈利或[编辑后售卖]进行间接盈利)。
2、本站所有内容均由合作方或网友上传,本站不对文档的完整性、权威性及其观点立场正确性做任何保证或承诺!文档内容仅供研究参考,付费前请自行鉴别。
3、如文档内容存在违规,或者侵犯商业秘密、侵犯著作权等,请点击“违规举报”。

碎片内容

铝合金锭压铸件的成本核算

您可能关注的文档

确认删除?
VIP
微信客服
  • 扫码咨询
会员Q群
  • 会员专属群点击这里加入QQ群
客服邮箱
回到顶部