电脑桌面
添加小米粒文库到电脑桌面
安装后可以在桌面快捷访问

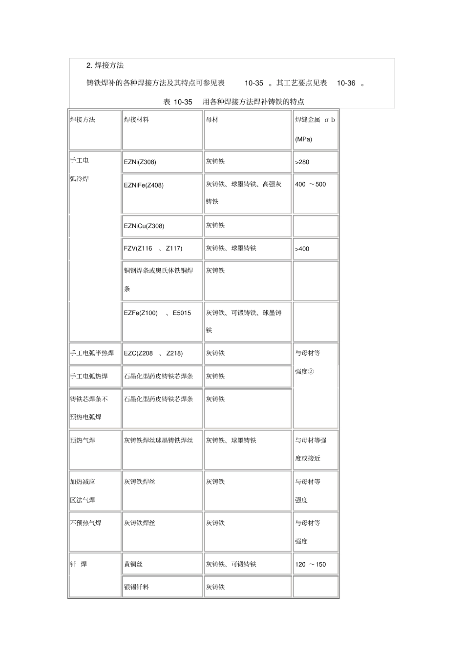
铸铁焊补与焊接

铸铁焊补与焊接_第1页
1/12
铸铁焊补与焊接_第2页
2/12
铸铁焊补与焊接_第3页
3/12
铸铁的铸造缺陷大部分可焊补,铸造车间与铸件加工车间可设置铸铁焊补人员及相应预热、焊接设备,以提高成品率。使用中损坏的铸铁件,绝大多数可焊补修复。随着研制和定型生产各种铸铁焊接材料,不断总结交流经验,铸铁焊补与焊接正在成为被广泛掌握的技术,铸铁已逐渐成为易焊材料。此外, 可以采用高效率焊接方法制造球墨铸铁— 钢、可锻铸铁 — 钢、灰铸铁 — 钢及铸铁— 铸铁的焊接件,如汽车传动轴、铸铁管等。1. 焊接特点(1) 易产生热应力裂纹:热应力是在不均匀的加热及随后的冷却过程中工件不能均匀地热胀冷缩所引起的应力焊接及不适当的局部预热均可引起较大的热应力。与热裂纹及冷裂纹本质不同, 热应力裂纹主要是或者单纯是热应力引起的拉伸应变超过材料薄弱部分的变形能力而形成的。 由于铸铁的塑性很差,所以焊补或焊接时,其热应力裂纹倾向比塑性材料大得多。铸铁补焊时,热应力裂纹大致有三种表现形式:1) 在升温过程中,也可能是在焊后冷却过程中补焊区以外的母材断裂。其部位多发生在铸铁件的薄弱断面和断面形状或壁厚突变处。其原因是不适当的局部预热或过大的焊接加热规范。2) 焊缝或焊补区在冷却过程中产生横向裂纹,方向大致与熔合线相垂直。这种裂纹有时只发生在紧邻焊缝的母材上,有的与焊缝上的热裂纹接通,也有的横贯焊缝及邻近的母材。其原因是不合理的焊接操作工艺,特别是焊缝一次焊接过长,也可能是不适当的局部预热所造成。3) 焊缝金属在冷却过程中产生沿熔合线的裂纹,甚至焊缝与母材剥离,这种形式的热应力裂纹是采用非铸铁质焊条冷焊时,比较容易出现的。 焊缝材质的强度等级愈高或铸铁母材强度等级愈低,这种裂纹的倾向愈大。坡口越深,填充金属越多越易产生剥离。适当提高工件整体或焊接环境温度,控制焊补区的温度,短焊道断续焊, 焊后及时而充分的锤击等也有利于避免这种形式的热应力裂纹。(2) 熔合区易产生白口组织:采用铸铁填充金属时,减慢高温(800 ℃以上 ) 时的冷却速度,并增强焊缝的石墨化能力( 适当提高碳、 硅含量 )是防止焊缝金属和熔合区产生白口的主要途径。电弧焊冷焊时,采用高镍或纯镍焊条,可减弱熔化区的白口倾向,改善接头的机械加工性。(3) 焊缝金属的热裂纹倾向:铸铁组织的焊缝金属不存在热裂纹倾向,采用非铸铁组织的焊条或焊丝冷焊铸铁时,焊缝热裂纹倾向随焊缝材质的不同而不同。焊缝中母材熔合比例的增加和过分延长焊缝处于高温下的停留时间将加大热裂纹...

1、当您付费下载文档后,您只拥有了使用权限,并不意味着购买了版权,文档只能用于自身使用,不得用于其他商业用途(如 [转卖]进行直接盈利或[编辑后售卖]进行间接盈利)。
2、本站所有内容均由合作方或网友上传,本站不对文档的完整性、权威性及其观点立场正确性做任何保证或承诺!文档内容仅供研究参考,付费前请自行鉴别。
3、如文档内容存在违规,或者侵犯商业秘密、侵犯著作权等,请点击“违规举报”。

碎片内容

铸铁焊补与焊接

您可能关注的文档

确认删除?
VIP
微信客服
  • 扫码咨询
会员Q群
  • 会员专属群点击这里加入QQ群
客服邮箱
回到顶部