电脑桌面
添加小米粒文库到电脑桌面
安装后可以在桌面快捷访问

填充墙施工技术交底

填充墙施工技术交底_第1页
1/9
填充墙施工技术交底_第2页
2/9
填充墙施工技术交底_第3页
3/9
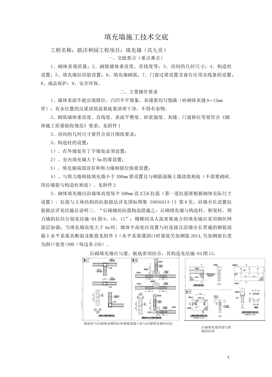
1填充墙施工技术交底工程名称:联沣和园工程项目:填充墙(共九页)一、交底要点(重点难点)1、砌体表观质量;2、砌筑墙体垂直度、直线度等;3、房间的几何尺寸;4、构造柱设置;5、填充墙拉结筋设置;6、填充墙砌筑;7、门窗过梁设置及窗台压顶及线条的设置;8、成品保护;9、安全环保。二、主要操作要求1、墙体表面不能出现错位,凸凹不平现象,灰缝要均匀饱满(砖砌体灰缝 8〜12mm厚);有水位置的反梁浇筑前基底要清理干净,不得有杂物。2、砌筑墙体垂直度、直线度、表面平整度、砂浆强度、灰缝、门窗移位等要符合《砌体施工质量验收规范》要求;见附件 13、房间的几何尺寸要符合设计图纸要求;4、构造柱的设置:1)、在外墙处有丁字墙处必须设置;2)、室内填充墙大于 5m 的要设置;3)、填充墙端部没有和剪力墙相接位臵要设置;4)、与剪力墙相接填充墙小于 300mm 要设置且与钢筋混凝土墙浇筑相连(不需要砌砖,用拉墙筋与构造柱相连)。见附件 25、砌体填充墙应沿墙体高度每个 500mm 设 2①6 拉筋(第一道拉筋要根据砌体实际尺寸设置)。拉筋与主体结构的拉筋做法详见国标图集《06SG614-1》第 8 页,沿墙全长设置拉筋做法详见结施总说明三,“后砌墙的抗震构造措施之:后砌填充墙与构造柱、框架柱、剪力墙的拉结分别见结施-04 图 9、10、11”;楼梯间及人流密集地方的填充墙应采用钢丝网面层加强;当填充墙高度大于 4m 时,墙体半高处应设置与柱连接且沿墙全长贯通的钢筋混凝土水平系梁其断面及配筋见附件 3(水平系梁遇洞口时梁底另加钢筋 2014,另加钢筋长度为洞口宽度+500(每边各 250)。后砌填充墙应与梁、板底密切结合,其构造见结施-04 图 13。构造柱与后砌填充墙的拉结钢筋混凝土柱与后砌填充墙的拉结后砌填充墙顶部与梁底的拉结2钢筋混凝土墙与后砌填充墙的拉后砌填充墙水平系梁、端部系梁、现浇过梁锚筋做法系梁、现浇过梁锚筋做法构造材料必须符合设计要求及施工规范的有关规定,在使用前检查出厂合格证、试验报告。三、填充墙砌筑1、填充墙砌体施工:1)、材料准备:砌块、预拌砂浆、掺合料、拉结钢筋、顶埋件等。2)、施工机具:手推车、外用电梯、砖笼、胶皮管、大铲、扁子、托线板、线坠、小白线、卷尺、铁水平尺、皮数杆、小水桶、砖夹子、扫帚等。3)、作业条件:1)、弹好墙身线、轴线,根据砖实际规格尺寸弹出门窗洞口位置线,经验线符合设计图纸的尺寸要求。2)、立好皮数杆,皮数杆的间距不得大...

1、当您付费下载文档后,您只拥有了使用权限,并不意味着购买了版权,文档只能用于自身使用,不得用于其他商业用途(如 [转卖]进行直接盈利或[编辑后售卖]进行间接盈利)。
2、本站所有内容均由合作方或网友上传,本站不对文档的完整性、权威性及其观点立场正确性做任何保证或承诺!文档内容仅供研究参考,付费前请自行鉴别。
3、如文档内容存在违规,或者侵犯商业秘密、侵犯著作权等,请点击“违规举报”。

碎片内容

填充墙施工技术交底

确认删除?
VIP
微信客服
  • 扫码咨询
会员Q群
  • 会员专属群点击这里加入QQ群
客服邮箱
回到顶部