电脑桌面
添加小米粒文库到电脑桌面
安装后可以在桌面快捷访问

隐患排查台账

隐患排查台账_第1页
1/14
隐患排查台账_第2页
2/14
隐患排查台账_第3页
3/14
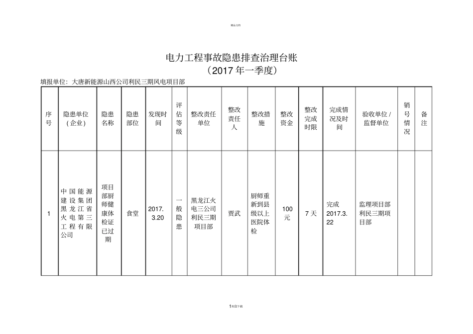
精品文档。1欢迎下载电力工程事故隐患排查治理台账(2017 年一季度)填报单位:大唐新能源山西公司利民三期风电项目部序号隐患单位( 企业 ) 隐患名称隐患部位发现时间评估等级整改责任单位整改责任人整改措施整改资金整改完成时限完成情况及时间验收单位 /监督单位销号情况备注1 中 国 能 源建 设 集 团黑 龙 江 省火 电 第 三工 程 有 限公司项目部厨师健康体检证已过期食堂2017.3.20 一般隐患黑龙江火电三公司利民三期项目部贾武厨师重新到县级以上医院体检100元7 天完成2017.3.22 监理项目部利民三期项目部精品文档。2欢迎下载2 中 国 能 源建 设 集 团黑 龙 江 省火 电 第 三工 程 有 限公司项目部配备的消防器材已过期。项目部2017 3.17 一般隐患黑龙江火电三公司利民三期项目部贾武消防器材检验填充500元7 天完成2017、3、22 监理项目部利民三期项目部3 中国能源建设集团黑龙江省火电第三工程有限公司未设道路警示标识三、四区运输道路2017 3.15 一般隐患黑龙江火电三公司利民三期项目部贾武按要求设置道路警示标示牌20 天未完成监理项目部利民三期项目部4 中国能源建设集团黑龙江省火电第三工程有限公司设备、材料场地未采取防雨、防雪措施集电线路四队钢筋加工场地、电缆存放2017、3、15 一般隐患黑龙江火电三公司利民三期项目部贾武购买遮盖物进行防护3000元10 天未完成监理项目部利民三期项目部精品文档。3欢迎下载场地5 中国能源建设集团黑龙江省火电第三工程有限公司施工单位活动板房无防雷接地施工单位项目部2017.3.10 一般隐患黑龙江火电三公司利民三期项目部贾武按规范做接地7 天完成2017.3.16 监理项目部利民三期项目部6 中国能源建设集团黑龙江省火电第三工程有限公司项目部驻地生活区堆放杂物施工单位项目部2017.3.10 一般隐患黑龙江火电三公司利民三期项目部贾武组织清理杂物5 天未完成监理项目部利民三期项目部单位负责人(签字):审核人(签字):填表人:联系电话:精品文档。4欢迎下载电力工程事故隐患排查治理台账(2017 年二季度)填报单位:大唐新能源山西公司利民三期风电项目部序号隐患单位( 企业 ) 隐患名称隐患部位发现时间评估等级整改责任单位整改责任人整改措施整改资金整改完成时限完成情况及时间验收单位 /监督单位销号情况备注1 中国能源建设集团黑龙江省火电第三工程有限公司现场三期运输道路边坡存在危石,易滑落运输道路2017.4.19 一...

1、当您付费下载文档后,您只拥有了使用权限,并不意味着购买了版权,文档只能用于自身使用,不得用于其他商业用途(如 [转卖]进行直接盈利或[编辑后售卖]进行间接盈利)。
2、本站所有内容均由合作方或网友上传,本站不对文档的完整性、权威性及其观点立场正确性做任何保证或承诺!文档内容仅供研究参考,付费前请自行鉴别。
3、如文档内容存在违规,或者侵犯商业秘密、侵犯著作权等,请点击“违规举报”。

碎片内容

隐患排查台账

确认删除?
VIP
微信客服
  • 扫码咨询
会员Q群
  • 会员专属群点击这里加入QQ群
客服邮箱
回到顶部