电脑桌面
添加小米粒文库到电脑桌面
安装后可以在桌面快捷访问

隧道施工初期支护技术交底照片

隧道施工初期支护技术交底照片_第1页
1/7
隧道施工初期支护技术交底照片_第2页
2/7
隧道施工初期支护技术交底照片_第3页
3/7
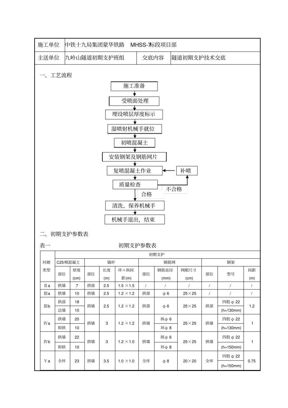
新建蒙西至华中地区铁路煤运通道MHSS-7标编号: JD-九岭山隧道二衬施工技术交底单 位:京福闽赣Ⅲ六工区编 制:审 核:编制单位:三级施工技术交底书工程名称 :蒙华铁路 MHSS-7标段九岭山隧道工程编号: JD- 施工单位中铁十九局集团蒙华铁路MHSS-7标段项目部主送单位九岭山隧道初期支护班组交底内容隧道初期支护技术交底一、工艺流程二、初期支护参数表表一初期支护参数表衬砌类型初期支护C25喷混凝土锚杆钢筋网钢架部位厚度(cm) 部位长度(m) 环×纵间距(m) 部位钢筋直径(mm) 网眼尺寸(cm) 部位型号间距(m) Ⅱa 拱墙7 拱部2.5 1.5 ×1.5 / / / / / / Ⅲa 拱墙10 拱墙2.5 1.2 ×1.2 拱部φ 6 25×25 / / / Ⅲb 拱部18 拱墙2.5 1.2 ×1.2 拱部φ 6 25×25 拱部四肢 φ 22 1.2 边墙10 (h=130mm) Ⅳa 拱墙20 拱墙3 1.2 ×1.2 拱墙纵φ 6 25×25 拱墙四肢 φ 22 1 仰拱10 环φ 8 (h=130mm) Ⅳb 拱墙22 拱墙3 1.2 ×1.0 拱墙纵φ 6 25×25 拱墙四肢 φ 22 1 仰拱10 环φ 8 (h=150mm) Ⅴa 全环23 拱墙3.5 1.0 ×1.0 全环φ 8 20×20 全环四肢 φ 22 0.75 (h=150mm) 施工准备受喷面处理埋设喷层厚度标示湿喷射机械手就位初喷混凝土安装钢架及钢筋网片复喷混凝土作业质量检查清洗、保养机械手机械手退出,结束补喷不合格合格三级施工技术交底书工程名称 :蒙华铁路 MHSS-7标段九岭山隧道工程编号: JD- 施工单位中铁十九局集团蒙华铁路MHSS-7标段项目部主送单位九岭山隧道初期支护班组交底内容隧道初期支护技术交底Ⅴb 全环25 拱墙3.5 1.0 ×0.8 全环φ 8 20×20 全环四肢 φ 22 (h=180mm) 0.75 Ⅴc 全环30 拱墙3.5 1.0 ×0.8 全环φ 8 20×20 全环四肢 φ 22 (h=230mm) 0.6 三、施工准备3.1 施工前测量人员应先进行断面扫描,确认无欠挖时,方可进行下步施工。3.3 检查湿喷机械手运转是否正常,如有异常及时联系值班队长及时进行处置。四、受喷面处理4.1 进行危石清除作业(找顶排险) ,防止施工过程中危石坠落伤人。4.2 若遇受喷面有大股涌水需采用注浆堵水后再喷射砼。4.3 若遇小股水或裂隙水需采用岩面注浆或半管引排至拱脚后再喷射砼。4.2 若为泥砂质岩面时,先喷射一层水泥砂浆,待终凝后再喷射混凝土五、埋设喷层厚度标示5.1 喷层厚度检查,采用埋设钢筋做标示,环向每2 米设置一根,外露长度由测量人员...

1、当您付费下载文档后,您只拥有了使用权限,并不意味着购买了版权,文档只能用于自身使用,不得用于其他商业用途(如 [转卖]进行直接盈利或[编辑后售卖]进行间接盈利)。
2、本站所有内容均由合作方或网友上传,本站不对文档的完整性、权威性及其观点立场正确性做任何保证或承诺!文档内容仅供研究参考,付费前请自行鉴别。
3、如文档内容存在违规,或者侵犯商业秘密、侵犯著作权等,请点击“违规举报”。

碎片内容

隧道施工初期支护技术交底照片

您可能关注的文档

文库当当响+ 关注
实名认证
内容提供者

该用户很懒,什么也没介绍

确认删除?
VIP
微信客服
  • 扫码咨询
会员Q群
  • 会员专属群点击这里加入QQ群
客服邮箱
回到顶部