电脑桌面
添加小米粒文库到电脑桌面
安装后可以在桌面快捷访问

频率计设计27658

频率计设计27658_第1页
1/7
频率计设计27658_第2页
2/7
频率计设计27658_第3页
3/7
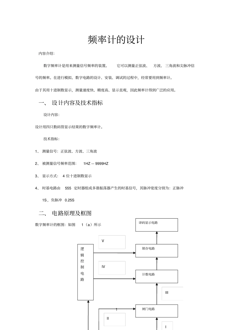
1 频率计的设计内容介绍:数字频率计是用来测量信号频率的装置。它可以测量正弦波、方波、 三角波和尖脉冲信号的频率。在进行模拟、数字电路的设计、安装、调试的过程中,经常要用到频率计。由于其用十进制数显示,测量速度快、精度高、显示直观,因此频率计得到广泛的应用。一、 设计内容及技术指标设计内容:设计用四只数码管显示结果的数字频率计。技术指标:1、 测量信号:正弦波、方波、三角波2、 被测量信号频率范围:1HZ — 9999HZ 3、 显示方式: 4 位十进制数显示4、 时基电路由555 定时器组成多谐振荡器产生的时基信号,其脉冲宽度分别为:正脉冲1S ,负脉冲 0.25S 二、 电路原理及框图数字频率计的框图:如图1(a)所示锁存电路闸门电路计数电路译码显示电路逻辑控制电路III III IV V 2 所谓频率,就是周期性信号的在单位时间(1s)内变化的次数,若在一定时间间隔 T 内测得这个周期性信号的重复变化次数为N,则其频率可表示为:TNf(3 上图是数字频率计的结构框图。被测信号XV经放大整形电路变成计数器所要求的脉冲信号 I ,其频率与被测信号的频率xf 相同。时基电路提供标准时间基准信号II ,其高电平持续的时间st11,当 s1信号来到时,闸门开通,被测脉冲信号通过闸门,计数器开始计数,直到s1信号结束时闸门关闭,停止计数。若在闸门时间s1 内计数器计得的脉冲个数为N ,则被测信号频率NHzf x。逻辑控制电路的作用有两个:一是产生锁存脉冲IV ,使显示器上的数字稳定;二是产生清“0 ”脉冲V ,使技术器每次测量从零开始计数。各信号之见的时序关系如图所示。数字频率计广泛的用来测量交流电信号的频率、周期、频率比、时间间隔、累积计数等。它由输入通道、计数显示、时间基准和逻辑控制电路等四部分组成。输入通道:对输入信号的波形进行整形放大,使波形与幅值“标准化”,以适合于计数器的工作。三、单元电路设计1、 时基电路:时基电路的作用是产生一个标准时间信号(高电平持续时间为1s) ,由定时器555 构成的多谐振荡器产生 (当标准时间的精度要求较高时,应通过晶体振荡器分频获得)。若振荡器的频率 fo=1/(t1+t2)=0.8Hz,则振荡器的输出波形如图中的波形Ⅱ所示,其中t=1S ,t2=0.25S 。由公式 t1=0.7(R1+R2) 和 t2=0.7R2C ,可计算出电阻R1 、R2 及电容 C 的值。若取电容 C=10uF ,则:R2=t2/0.7C=35.7KΩ取标称值 36K Ω4 R1=(t/0.7C)-R2=107KΩ取 R1=47 K Ω ...

1、当您付费下载文档后,您只拥有了使用权限,并不意味着购买了版权,文档只能用于自身使用,不得用于其他商业用途(如 [转卖]进行直接盈利或[编辑后售卖]进行间接盈利)。
2、本站所有内容均由合作方或网友上传,本站不对文档的完整性、权威性及其观点立场正确性做任何保证或承诺!文档内容仅供研究参考,付费前请自行鉴别。
3、如文档内容存在违规,或者侵犯商业秘密、侵犯著作权等,请点击“违规举报”。

碎片内容

频率计设计27658

确认删除?
VIP
微信客服
  • 扫码咨询
会员Q群
  • 会员专属群点击这里加入QQ群
客服邮箱
回到顶部