电脑桌面
添加小米粒文库到电脑桌面
安装后可以在桌面快捷访问

首届大学生化工安全设计大赛题目

首届大学生化工安全设计大赛题目_第1页
1/24
首届大学生化工安全设计大赛题目_第2页
2/24
首届大学生化工安全设计大赛题目_第3页
3/24
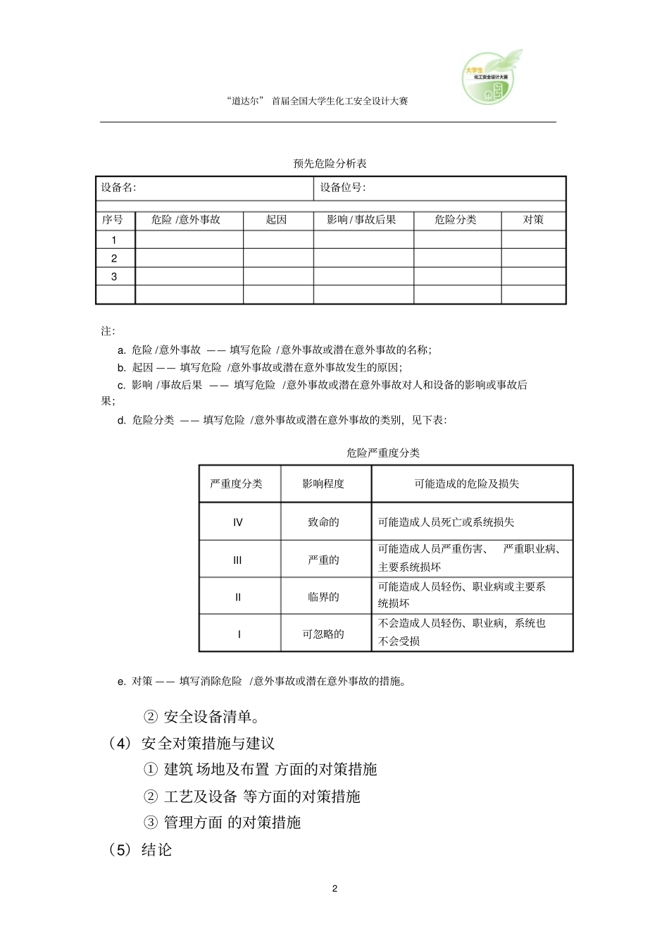
“道达尔” 首届全国大学生化工安全设计大赛1 首届全国大学生化工安全设计大赛题目完成 30 万吨/年气体分离装置 工艺设计 及安全预评价 。作品应包括以下内容:1. 工艺设计部分(1)30 万吨/年气体分离装置 带控制点的工艺流程图 (Piping and Instrumentation Diagram,PID);(2)30 万吨/年气体分离装置设备 平面布置图 (Equipment Floorplan)。2. 安全预评价部分(1)概述① 预评价的 目的;② 预评价 范围;③ 预评价工作 重点。(2)危险有害因素分析① 主要危险、有害物质 分析;② 工艺过程 中的危险及有害 因素分析 ;③ 生产过程 危险及有害 因素分析 ;④ 其他危险及有害因素分析。(3)生产装置系统定性分析评价① 采用 预先危险分析法 ,对系统内设备进行定性安全分析评价,格式见下表(注:每台设备一表) ;“道达尔” 首届全国大学生化工安全设计大赛2 预先危险分析表设备名:设备位号:序号危险 /意外事故起因影响 /事故后果危险分类对策1 2 3 注:a. 危险 /意外事故 —— 填写危险 /意外事故或潜在意外事故的名称;b. 起因 —— 填写危险 /意外事故或潜在意外事故发生的原因;c. 影响 /事故后果 —— 填写危险 /意外事故或潜在意外事故对人和设备的影响或事故后果;d. 危险分类 —— 填写危险 /意外事故或潜在意外事故的类别,见下表:危险严重度分类严重度分类影响程度可能造成的危险及损失IV 致命的可能造成人员死亡或系统损失III 严重的可能造成人员严重伤害、严重职业病、主要系统损坏II 临界的可能造成人员轻伤、职业病或主要系统损坏I 可忽略的不会造成人员轻伤、职业病,系统也不会受损e. 对策 —— 填写消除危险 /意外事故或潜在意外事故的措施。② 安全设备清单。(4)安全对策措施与建议① 建筑 场地及布置 方面的对策措施② 工艺及设备 等方面的对策措施③ 管理方面 的对策措施(5)结论“道达尔” 首届全国大学生化工安全设计大赛3 作品以可工程实施为原则。 附录供选手参考,如给定的条件不足,可自行设定。作品载体要求:(1) 采用 Microsoft Office 进行文字、数据文本建档,以PDF 格式提交。(2) 采用 Auto CAD 绘图,图幅根据需要自行选定。(3) 决赛作品纸质版以A4 纸双面 打印,图纸为 蓝图。首届全国大学生化工安全设计大赛评审委员会2013 年 7 月 20 日“道达尔” 首届全国大学生化工安全...

1、当您付费下载文档后,您只拥有了使用权限,并不意味着购买了版权,文档只能用于自身使用,不得用于其他商业用途(如 [转卖]进行直接盈利或[编辑后售卖]进行间接盈利)。
2、本站所有内容均由合作方或网友上传,本站不对文档的完整性、权威性及其观点立场正确性做任何保证或承诺!文档内容仅供研究参考,付费前请自行鉴别。
3、如文档内容存在违规,或者侵犯商业秘密、侵犯著作权等,请点击“违规举报”。

碎片内容

首届大学生化工安全设计大赛题目

您可能关注的文档

确认删除?
VIP
微信客服
  • 扫码咨询
会员Q群
  • 会员专属群点击这里加入QQ群
客服邮箱
回到顶部